GM Service Manual Online
For 1990-2009 cars only
Makes
🢒
Chevrolet
🢒
2001
🢒
Astro - 2WD
🢒
Body and Accessories
🢒
Cruise Control
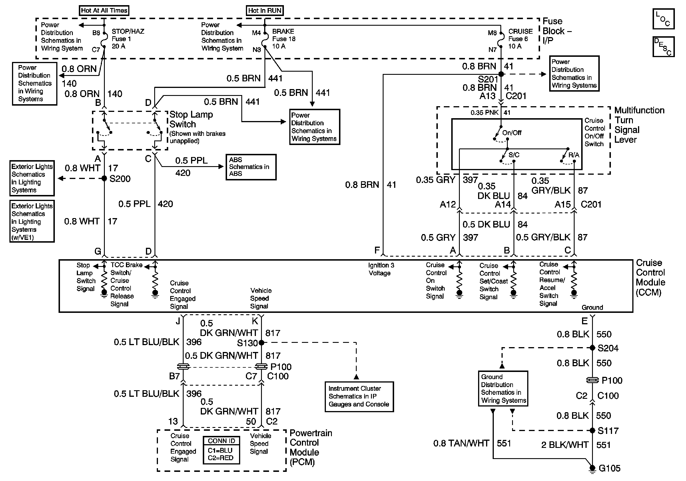
🢒 Cruise Control Schematics
Master Electrical Component List
Cruise Control Description and Operation
BATT and LIGHTING Fuse
ING-B Fuse and Ignition Switch
STOP/HAZ Fuse 1 and Aux PWR Fuse 7
HTR-A/C Fuse 12, BRAKE Fuse 18, and CRUISE Fuse 6
HTR-A/C Fuse 12, BRAKE Fuse 18, and CRUISE Fuse 6
Turn/Hazard Switch and Flasher Module
Turn/Hazard Switch and Flasher Module
Transmission Shift Controls
EBCM Power Supply and Communication
ILLUM, TRANS, and GAUGES Fuse, and Grounds (2 of 2)
G105 and G107