GM Service Manual Online
For 1990-2009 cars only
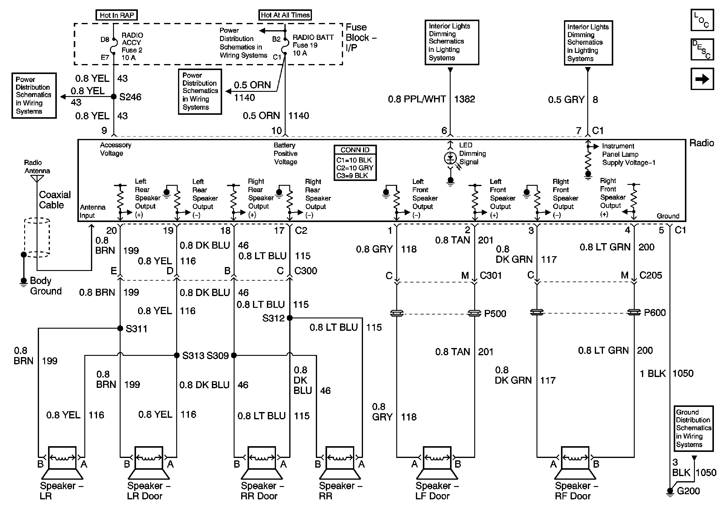
Figure 1:

Base Radio


Object Number: 652412  Size: FS
Master Electrical Component List
Radio/Audio System Description and Operation
Power and Ground - Premium w/o RSA
B+ Bus
Radio, Overhead Console, and RSA
Illumination
RADIO ACCY, RR WIPER, and WIPER Fuses
CIG LTR, CRANK, and RADIO BATT Fuses
G200
Figure 2:

Power and Ground (Premium w/o RSA)


Object Number: 655191  Size: FS
Master Electrical Component List
Radio/Audio System Description and Operation
Speakers and Sub-Woofers - Premium w/o RSA
Base Radio
B+ Bus
Radio, Overhead Console, and RSA
Illumination
CIG LTR, CRANK, and RADIO BATT Fuses
RADIO ACCY, RR WIPER, and WIPER Fuses
Gages
G200
Figure 3:

Speakers and Sub-Woofers (Premium w/o RSA)


Object Number: 655193  Size: FS
Master Electrical Component List
Radio/Audio System Description and Operation
Power and Ground, Remote Playback Device - Premium w/ RSA
Power and Ground - Premium w/o RSA
B+ Bus
AUX PWR, and STOP/HAZ Fuses
AUX PWR, and STOP/HAZ Fuses
G301, G303, G400, and G404
Figure 4:

Power and Ground, Remote Playback Device (Premium w/ RSA)


Object Number: 652409  Size: FS
Master Electrical Component List
Radio/Audio System Description and Operation
Rear Radio Control Module - Premium w/ RSA
Speakers and Sub-Woofers - Premium w/o RSA
B+ Bus
Radio, Overhead Console, and RSA
Illumination
CIG LTR, CRANK, and RADIO BATT Fuses
Rear Radio Control Module - Premium w/ RSA
Gages
G200
Figure 5:

Rear Radio Control Module (Premium w/ RSA)


Object Number: 901852  Size: FS
Master Electrical Component List
Radio/Audio System Description and Operation
Speaker and Sub-Woofer - Premium w/ RSA
Power and Ground, Remote Playback Device - Premium w/ RSA
Power and Ground, Remote Playback Device - Premium w/ RSA
RADIO ACCY, RR WIPER, and WIPER Fuses
Power Window/Door Lock Switches
G105 and G107
G105 and G107
G104
Figure 6:

Speaker and Sub-Woofer (Premium w/ RSA)


Object Number: 655198  Size: FS
Master Electrical Component List
Radio/Audio System Description and Operation
Rear Radio Control Module - Premium w/ RSA
B+ Bus
AUX PWR, and STOP/HAZ Fuses
G301, G303, G400, and G404