GM Service Manual Online
For 1990-2009 cars only
Figure 1:

Front Blower Controls w/o Front A/C


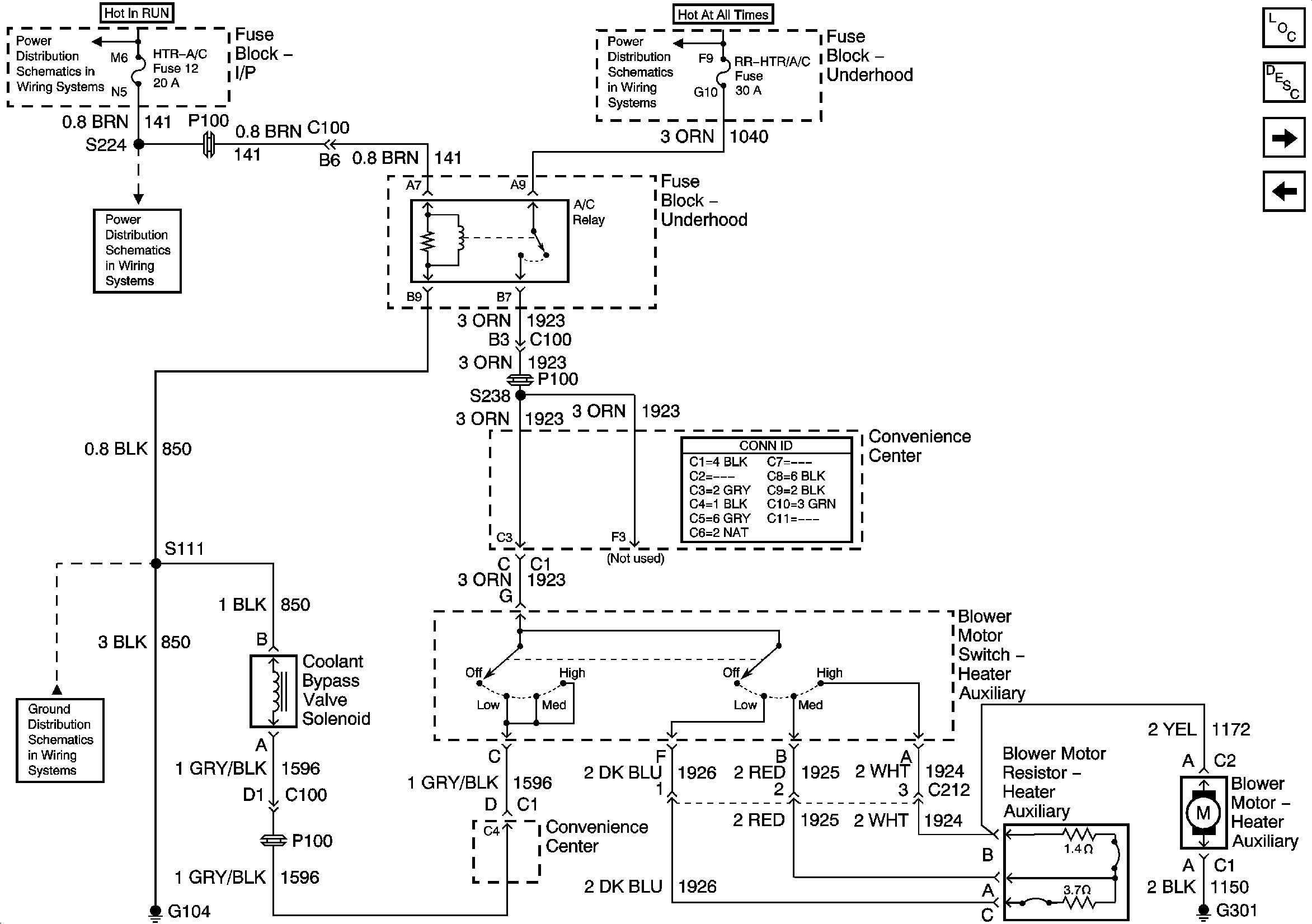
Object Number: 653863  Size: FS
Master Electrical Component List
Air Delivery Description and Operation
Rear Blower Controls w/o Rear A/C
BRAKE, CRUISE, and HTR-A/C Fuses
BRAKE, CRUISE, and HTR-A/C Fuses
BATT and LIGHTING Fuse Bus, and ATC, FRT HVAC, and RR-HTR/A/C Fuses
G200
G100, G102, and G103
Figure 2:

Rear Blower Controls w/o Rear A/C


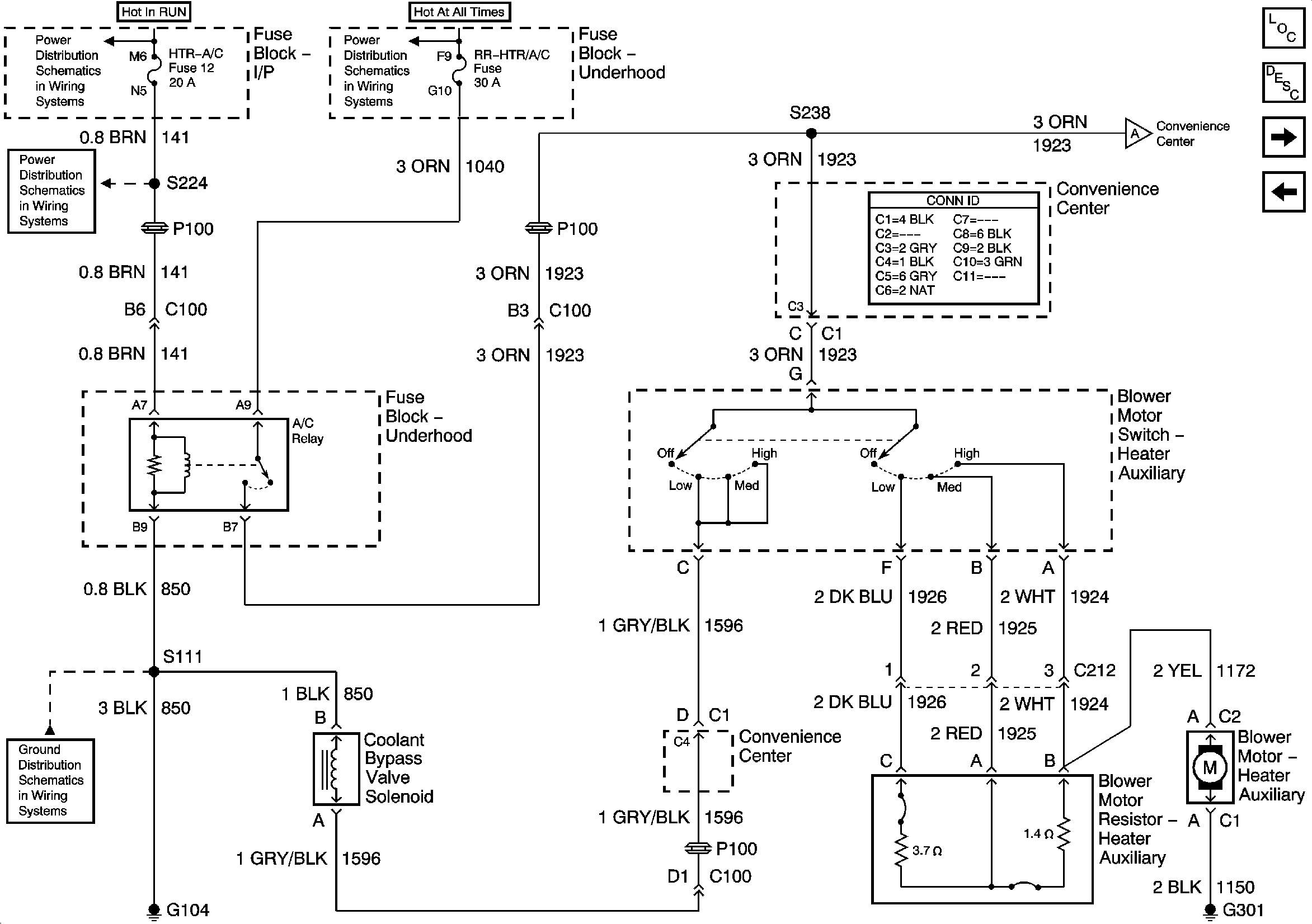
Object Number: 895909  Size: FS
Master Electrical Component List
Air Delivery Description and Operation
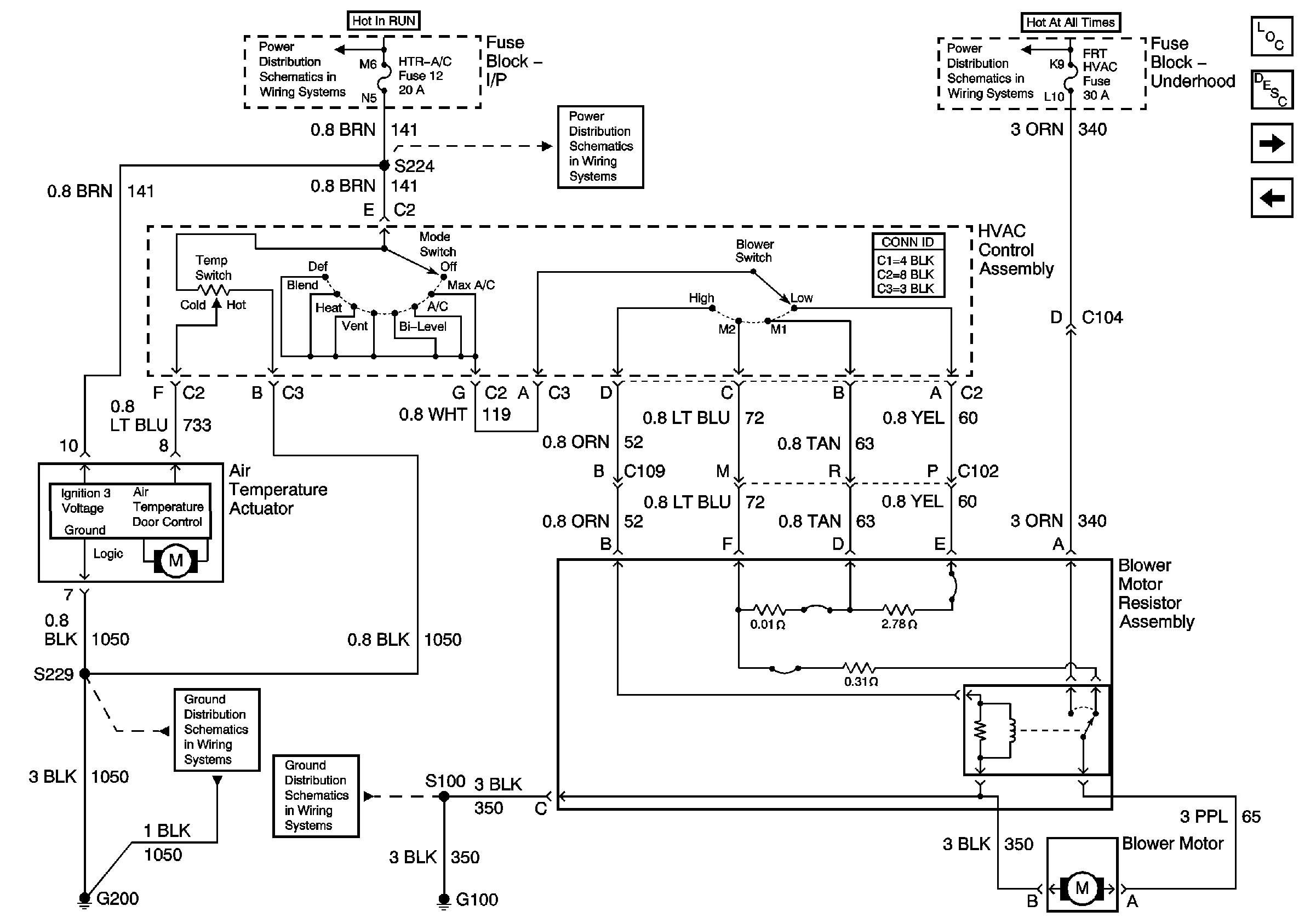
Front Blower Controls w/ Front A/C
Front Blower Controls w/o Front A/C
BRAKE, CRUISE, and HTR-A/C Fuses
BRAKE, CRUISE, and HTR-A/C Fuses
BATT and LIGHTING Fuse Bus, and ATC, FRT HVAC, and RR-HTR/A/C Fuses
G104
Figure 3:

Front Blower Controls w/ Front A/C


Object Number: 653857  Size: FS
Master Electrical Component List
Air Delivery Description and Operation
Rear Blower Controls w/ Rear A/C Page 1 of 2
Rear Blower Controls w/o Rear A/C
BRAKE, CRUISE, and HTR-A/C Fuses
BRAKE, CRUISE, and HTR-A/C Fuses
B+ Bus
G200
G100, G102, and G103
Figure 4:

Rear Blower Controls w/ Rear A/C, Page 1 of 2


Object Number: 895907  Size: FS
Master Electrical Component List
Air Delivery Description and Operation
Rear Blower Controls w/ Rear A/C Page 2 of 2
Front Blower Controls w/ Front A/C
BRAKE, CRUISE, and HTR-A/C Fuses
B+ Bus
BRAKE, CRUISE, and HTR-A/C Fuses
Rear Blower Controls w/ Rear A/C Page 2 of 2
G104
Figure 5:

Rear Blower Controls w/ Rear A/C, Page 2 of 2


Object Number: 653860  Size: FS
Master Electrical Component List
Air Delivery Description and Operation
Compressor Controls
Rear Blower Controls w/ Rear A/C Page 1 of 2
Rear Blower Controls w/ Rear A/C Page 1 of 2
Figure 6:

Compressor Controls


Object Number: 895911  Size: FS
Master Electrical Component List
Air Delivery Description and Operation
Rear Blower Controls w/ Rear A/C Page 2 of 2
B+ Bus
Ignition Switch - START, RUN/START, and OFF/RUN/START Bus Bars
BRAKE, CRUISE, and HTR-A/C Fuses
BRAKE, CRUISE, and HTR-A/C Fuses
G104