GM Service Manual Online
For 1990-2009 cars only

Refer to

Fuel System


Object Number: 34250  Size: FS
Handling ESD Sensitive Parts Notice
Information Sensors 4.3L, 5.0L
Engine Controls Components
Fuel Injector
Camshaft, Crankshaft, and Ignition
OBD II Symbol Description Notice
.

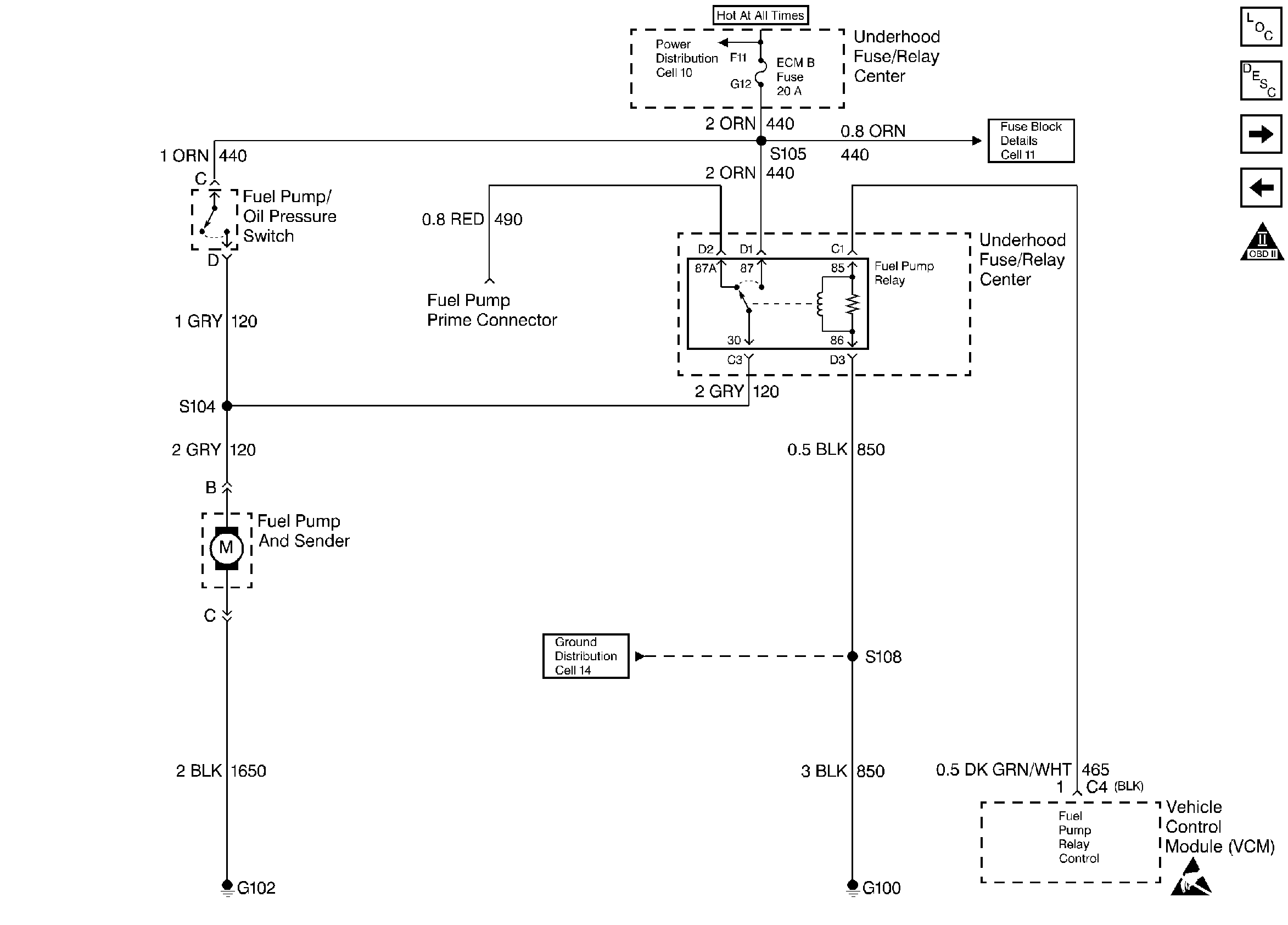
Circuit Description

When the ignition switch is turned ON, the VCM energizes the fuel pump relay which powers the in-tank fuel pump ON. The in-tank fuel pump remains ON as long as the engine is cranking or running and the VCM is receiving the distributor reference pulses. If there are no reference pulses, the VCM shuts the fuel pump OFF within 2 seconds after the ignition was turned ON or if the engine stops. The VCM will also turn ON the fuel pump for 2 seconds when the ignition is turned to the OFF position.

Should the fuel pump relay or the 12 volt relay drive from the VCM fail, the fuel pump receives a supply current through the oil pressure switch backup circuit.

Diagnostic Aids

An inoperative fuel pump relay can result in long cranking times. The time necessary for the oil pressure to reach the pressure required in order to close the oil pressure switch and supply the necessary current for the fuel pump causes the extended crank period. If the fuel pump relay circuit checks out OK, refer to Fuel System Pressure Test .

Excessive fuel may also cause long cranking times which is accompanied by the following conditions:

  1. A start that is not as fast as normal
  2. A puff of black smoke at the tailpipe

An improperly connected or faulty EVAP canister control valve can cause this problem. Disconnect the EVAP purge hose from the EVAP canister control valve in order to diagnose. Refer to EVAP Canister Hoses .

One or more leaking poppet nozzles may also extend the cranking time. Perform the Poppet Nozzle Test, in the Injector Balance Test Table. Refer to Fuel Injector Balance Test .

Test Description

The numbers below refer to the step numbers on the diagnostic table.

  1. This step checks for the correct operation of the fuel pump.

  2. This step checks the operation of the fuel pump by supplying 12 volts to the fuel pump control circuit.

  3. This step checks the battery feed circuit to the fuel pump relay.

  4. This step checks for the proper operation of the fuel pump relay.

Step

Action

Value(s)

Yes

No

1

Important:  Before clearing DTCs, use the scan tool in order to record the Freeze Frame and the Failure Records for reference because the Clear Info function will erase the data.

Was the Powertrain On-Board Diagnostic (OBD) System Check performed?

--

Go to Step 2

Go to Powertrain On Board Diagnostic (OBD) System Check

2

  1. Turn off the ignition for 10 seconds.
  2. Turn ON the ignition.

Does the fuel pump operate for 2 seconds?

--

Go to Engine Cranks but Does Not Run

Go to Step 3

3

Apply a 12 volt fused jumper to the fuel pump test terminal.

Does the fuel pump operate?

--

Go to Step 4

Go to Step 12

4

  1. Remove the 12 volt jumper from the test terminal.
  2. Turn OFF the ignition for 10 seconds.
  3. Turn ON the ignition.

Does the fuel pump operate for 2 seconds and then stop?

--

Go to Step 25

Go to Step 5

5

  1. Disconnect the fuel pump relay.
  2. Turn ON the ignition but leave the engine off.
  3. Probe the relay harness connector terminal number 5 with a test lamp connected to a ground.

Is the test lamp on?

--

Go to Step 6

Go to Step 14

6

Connect a test lamp between the fuel pump relay battery feed circuit harness connector and a ground.

Is the test lamp on?

--

Go to Step 7

Go to Step 15

7

  1. Connect a test lamp between the fuel pump relay terminal and a ground.
  2. Turn off the ignition for 10 seconds.
  3. Turn ON the ignition.

Is the test lamp on for 2 seconds and then off?

--

Go to Step 8

Go to Step 16

8

Check for a faulty connection at the fuel pump relay control connector terminal.

Was a problem found?

--

Go to Step 11

Go to Step 9

9

Replace the fuel pump relay. Refer to Fuel Pump Relay Replacement .

Important: If the original complaint was engine cranks but will not run, go to Step 10.

Is the action complete?

--

Go to Step 25

Go to Step 18

10

  1. Start the engine. Idle until the engine reaches the normal operating temperature.
  2. The oil pressure should read within the normal operating range.
  3. Disconnect the fuel pump relay.

Does the engine continue to run?

--

Go to Step 11

Go to Step 17

11

  1. Reinstall the fuel pump relay.
  2. Turn OFF the ignition.
  3. Probe the fuel pump test connector with a test lamp connected to the ground.

Is the test lamp on?

--

Go to Step 18

Go to Step 25

12

  1. Disconnect the chassis fuel pump harness connector at the fuel tank.
  2. Connect a 12 volt fused jumper to the fuel pump test terminal.
  3. Probe the fuel pump feed circuit with a test lamp connected to a ground.

Is the test lamp on?

--

Go to Step 13

Go to Step 20

13

With the test lamp connected to the fuel pump ground circuit (tank side), probe the fuel pump feed circuit (engine side).

Is the test lamp on?

--

Go to Step 19

Go to Step 21

14

Repair the open in the battery feed circuit to the fuel pump relay harness connector terminal. Refer to Wiring Repairs in Engine Electrical.

Is the action complete?

--

Go to Step 25

--

15

Repair the open in the fuel pump relay ground circuit. Refer to Wiring Repairs in Engine Electrical.

Is the action compete?

--

Go to Step 25

--

16

  1. Check for a faulty connection at the VCM connector pump relay control circuit.
  2. Check for an open or short to ground in the harness between the fuel pump relay connector terminal and the fuel pump relay control connector terminal and the fuel pump relay control circuit.

Was a problem found?

--

Go to Step 22

Go to Step 24

17

Check the fuel pump/oil pressure switch harness connector terminals or a faulty connection.

Was a problem found?

--

Go to Step 22

Go to Step 18

18

Replace the fuel pump/oil pressure switch. Refer to Fuel Pump and Engine Oil PRESS Switch Replacement .

Is the action complete?

--

Go to Step 25

--

19

Replace the fuel pump. Refer to Fuel Sender Assembly Replacement (Fuel Pump) .

Is the action complete?

--

Go to Step 25

--

20

Repair the open between the fuel pump teat terminal and the fuel pump feed circuit at the fuel pump harness connector. Refer to Wiring Repairs in Engine Electrical.

Is the action complete?

--

Go to Step 25

--

21

Repair the open in the fuel pump harness ground circuit. Refer to Wiring Repairs in Engine Electrical.

Is the action complete?

--

Go to Step 25

--

22

Repair the circuit as necessary. Refer to Wiring Repairs in Engine Electrical.

Is the action complete?

--

Go to Step 25

--

23

Repair the connection as necessary. Refer to Wiring Repairs in Engine Electrical.

Is the action complete?

--

Go to Step 25

--

24

Replace the VCM.

Important:  If the VCM is faulty, program the new VCM. Refer to VCM Replacement/Programming .

Is the action complete?

--

Go to Step 25

--

25

  1. Using the scan tool, select the DTC and the Clear Info.
  2. Attempt to start the engine.

Does the engine start and continue to run?

--

Go to Step 26

Go to Step 2

26

  1. Allow the engine to idle until the engine reaches the normal operating temperature.
  2. Select the DTC Failed This Ign.

Are any DTCs displayed?

--

Go to The Applicable DTC Table

Go to Step 27

27

Using the scan tool, select the Capture Info and the Review Info.

Are any DTCs displayed that have not been diagnosed?

--

Go to The Applicable DTC Table

System OK