GM Service Manual Online
For 1990-2009 cars only

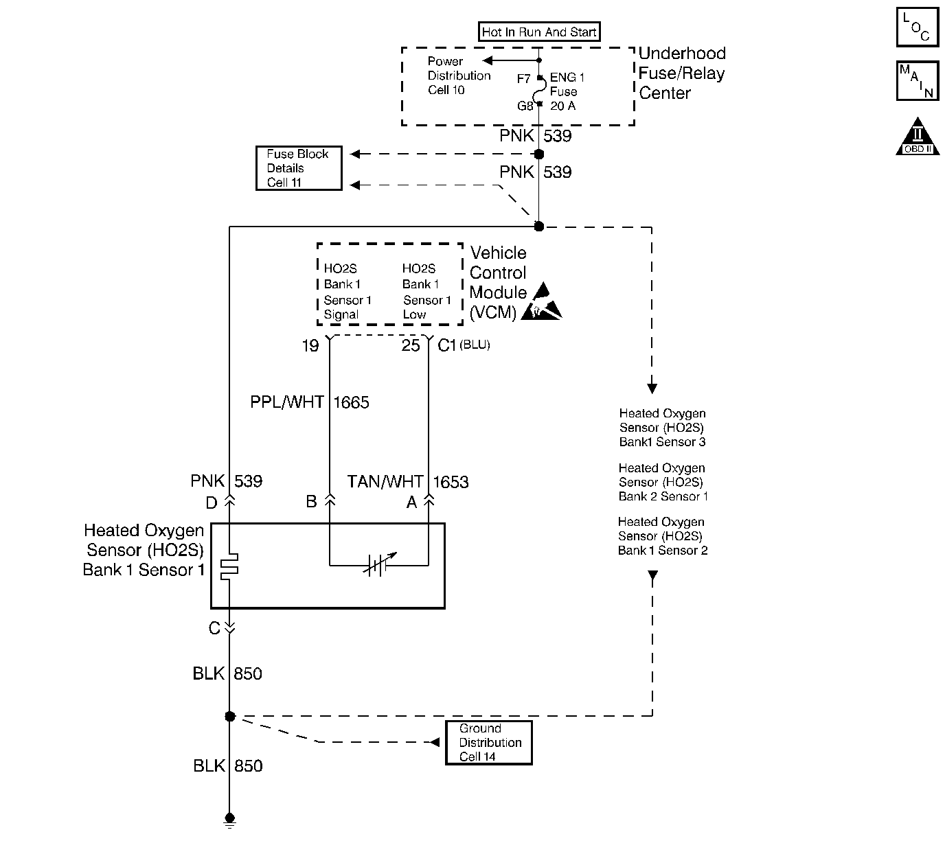
Object Number: 52273  Size: LF
Handling ESD Sensitive Parts Notice
Engine Controls Components
Oxygen Sensor
OBD II Symbol Description Notice

Circuit Description

In order to provide the best possible combination of driveability, fuel economy, and emission control, the vehicle uses a Closed Loop air and fuel metering system. While in a Closed Loop, the VCM monitors the oxygen sensor signal voltage. The VCM adjusts the fuel delivery based on a signal voltage. The long and short term fuel values, which a scan tool can monitor, indicates a change made to the fuel delivery. Ideal fuel trim values are around 128; if the oxygen sensor signal indicates a lean condition, the VCM adds fuel. This results in fuel trim values above 128. If the oxygen sensor detects a rich condition, the fuel trim values will read below 128. This indicates that the VCM is reducing the amount of fuel delivered. If an excessively rich condition is detected, the VCM sets this DTC which is a type B DTC.

Conditions for Setting the DTC

    • No IAC or idle DTCs.
    • No HO2S sensor DTCs.
    • No TP sensor DTCs.
    • No MAP sensor DTCs.
    • No EGR sensor DTCs.
    • No EVAP sensor DTCs.
    • No ECT sensor DTCs.
    • No MAF sensor DTCs.
    • No IAT sensor DTCs.
    • No VS sensor DTCs.
    • No Misfire DTCs.
    • Throttle position less than 69.9%.
    • Engine speed is greater than 575 RPM but less than 4500 RPM.
    • BARO is greater than 70 kPa.
    • ECT is greater than 60°C but less than 99.7°C.
    • MAP is greater than 20 kPa but less than 98.9 kPa.
    • IAT greater than -20°C but less than 69.7°C.
    • Maf is greater than 3 grams per second but less than 150 grams per second.
    • The vehicle speed is less than 85 mph.
    • The average of short term fuel trim is no more than 115.

Action Taken When the DTC Sets

Important: To complete a trip cycle for the fuel trim diagnostic, the fuel trim diagnostic test must enable and run according to the current DTC Will Set When criteria above. A trip is not considered complete until the fuel trim diagnostic has run by the VCM.

When the current DTC initially sets, a software flag indicating an emissions related fault sets for 3 trips. The flag will clear provided rich condition is no longer present. However, if the VCM detects the conditions for setting the current DTC during a trip while the flag is still set, the VCM turns ON the MIL (Malfunction Indicator Lamp). The MIL remains ON for all of the subsequent trips until the DTC has been cleared by service or the rich condition has not been detected and the conditions for checking the fuel trim have been met for 3 consecutive trips.

Conditions for Clearing the MIL/DTC

The VCM turns OFF the MIL after 3 consecutive driving trips without a fault condition present. A history DTC will clear if no fault conditions have been detected for 40 warm-up cycles (the coolant temperature has risen 22°C (40°F) from the start-up coolant temperature and the engine coolant temperature exceeds 71°C (160°F) during that same ignition cycle) or the scan tool clearing feature has been used.

Diagnostic Aids

If using the diagnostic tables does not isolate the problem, try monitoring the L. T. fuel trim and fuel trim cell while operating the vehicle under various loads. This may isolate the condition which caused the setting of this DTC.

A condition that causes the DTC P0300 Engine Misfire Detected may also set this DTC; conversely an extremely rich condition which sets this DTC can cause a misfire at idle and the DTC P0300 to set. If the cause of this DTC cannot be determined and the DTC P0300 is also set, refer to DTC P0300 Engine Misfire Detected .

Test Description

The numbers below refer to the step numbers on the diagnostic table.

  1. Visually and physically checking items which may cause a rich condition may determine the cause of the DTC P0172 being set.

  2. This step checks the fuel system for problems.

  3. A silicon contamination of the Heated Oxygen Sensor (HO2S Bank 1, Sensor 1) can cause a false rich indication to be seen by the VCM. The VCM then reduces the amount of fuel delivered, possibly causing severe driveability symptoms.

Step

Action

Value(s)

Yes

No

1

Important: Before clearing DTCs use the scan tool in order to record Freeze Frame and Failure records. Using the Clear Info function will lose this data.

Was the Powertrain On-Board Diagnostic (OBD) System Check performed?

--

Go to Step 2

Go to Powertrain On Board Diagnostic (OBD) System Check

2

Visually and physically check the following items:

    • The air intake duct for being collapsed or restricted
    • The air filter for being plugged
    • IAC: If a low or unsteady idle is being experienced.
    • Check for throttle body coking or objects blocking the IAC passages.
    • Check the fuel pressure regulator for proper operation. Refer to Fuel System Pressure Test .
    • Check the Throttle Position sensor for loose or missing mounting bolts. Monitor the TP Sensor with the scan tool while slowly opening throttle - TP Sensor. The throttle position will increase steadily and evenly from closed throttle TP specified voltage to over the wide open throttle specified value.
    • If not, replace the TP sensor.

Did any of the above checks isolate a condition requiring repair?

0.2-0.74V

4.0V

Go to Step 7

Go to Step 3

3

  1. Connect fuel pressure gage to fitting at fuel rail. Refer to Fuel System Pressure Check.
  2. Turn off the ignition for 10 seconds.
  3. Turn off the A/C.
  4. Turn ON the ignition.
  5. The fuel pump will run for about 2 seconds.
  6. It may be necessary to cycle the ignition ON more than once in order to obtain maximum pressure.
  7. Monitor the fuel pressure with the pump running. The pressure should be between the specified value.
  8. When the pump stops, the pressure may vary slightly then should hold steady.

Is pressure correct and does it hold?

415-455 kPa

(60-66 psi)

Go to Step 4

Go to Step 10

4

Perform the Fuel Injector Balance Test .

Was an injector problem found?

--

Go to Step 8

Go to Step 5

5

Remove and visually and physically inspect the Heated Oxygen Sensor for a silicon contamination. This will be indicated by a powdery white deposit on the portion of the sensor exposed to the exhaust stream.

Is the silicon contamination evident?

--

Go to Step 11

Go to Step 6

6

  1. Operate the vehicle in a Closed Loop while monitoring the L.T. and the S.T. fuel trim values.
  2. The L.T. fuel trim value should increase to above 100.

Does the S.T. fuel trim value increase to above 94?

--

Go to Step 9

Go to Diagnostic Aids

7

  1. Repair the items found in Step 2.
  2. Operate the vehicle in a Closed Loop while monitoring the L.T. and the S.T. fuel trim values.
  3. The L.T. fuel trim value should increase to above 100.

Does the S.T. fuel trim value increase to above 94?

--

Go to Step 11

Go to Step 3

8

  1. Replace the fuel injector.
  2. Operate the vehicle in a Closed Loop while monitoring the L.T. and the S.T. fuel trim values.
  3. The L.T. fuel trim value should increase to above 100.

Does the S.T. fuel trim value increase to above 94?

--

Go to Step 11

Go to Step 5

9

Rich condition not present. If a driveability symptom still exists, refer to Driveability Symptoms.

--

--

--

10

Refer to Fuel System Pressure Test for diagnosis.

--

--

--

11

Replace the HO2S (Bank 2, Sensor1). Refer to Heated Oxygen Sensor (HO2S) Replacement .

Is the action complete?

--

Go to Step 11

--

12

  1. Using the scan tool, select the DTC and the Clear Info.
  2. Start the engine
  3. Idle at the normal operating temperature.
  4. Select the DTC and the Specific.
  5. Enter the DTC number which was set.
  6. Operate the vehicle within the conditions for setting this DTC as specified in the supporting text.

Does the scan tool indicate that this diagnostic ran and passed?

--

Go to Step 12

Go to Step 2

13

Using the scan tool, select the Capture Info and the Review Info.

Are any DTCs displayed that have not been diagnosed?

--

Go to The Applicable DTC Table

System OK