GM Service Manual Online
For 1990-2009 cars only
Figure 1:

Courtesy Lamp Relay


Object Number: 512141  Size: FS
Lighting Systems Components
Interior Lights Circuit Description
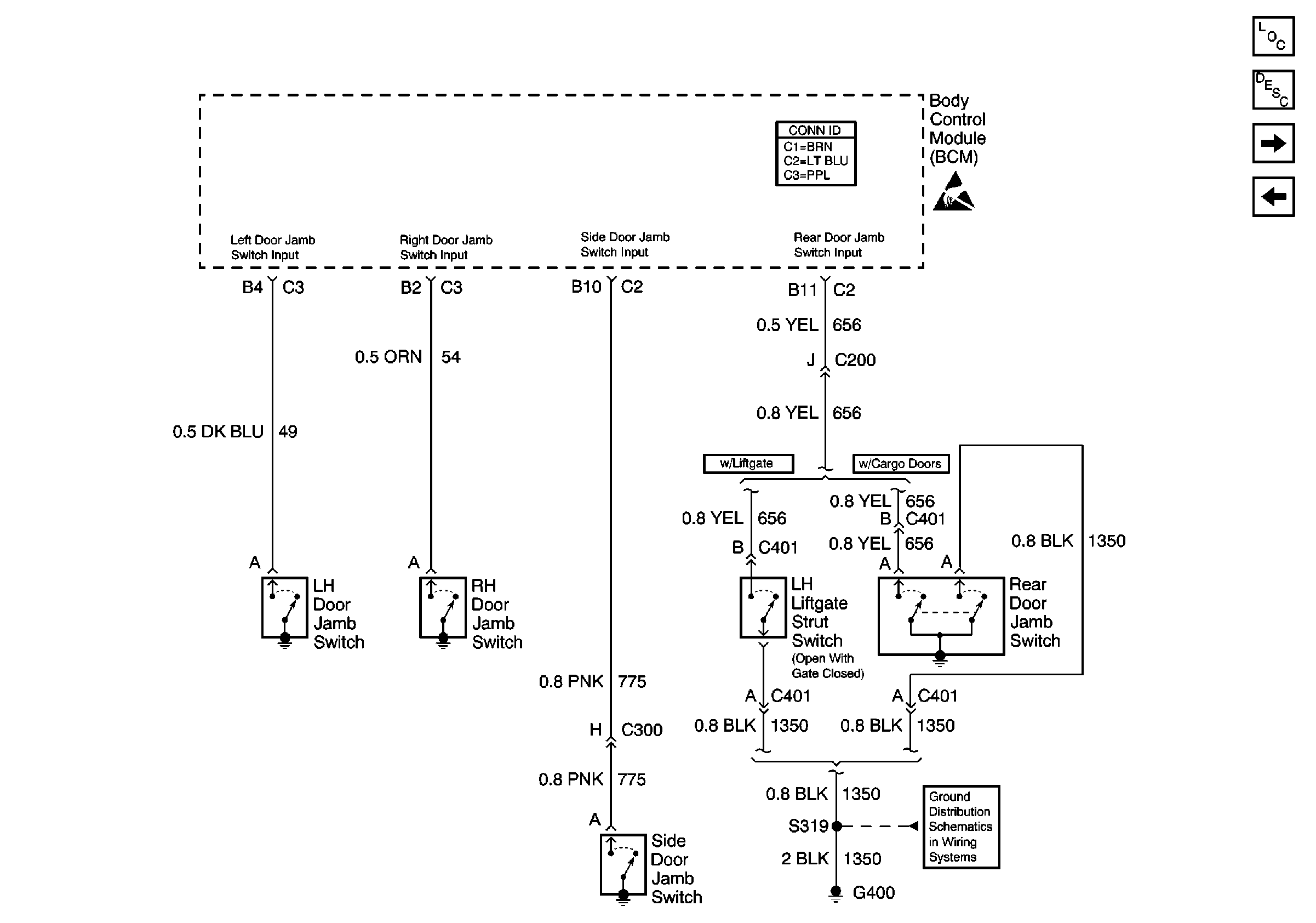
Door Jamb Switches, Liftgate Strut Switch
Turn Indicators, Park/Turn Signal Lamps, Front Side Marker Lamps
Inadvertent Power Relay, Vanity Lamps
G105 and G107
Courtesy Lamps, Stepwell Lamp, Dome Lamps
Inadvertent Power Relay, Vanity Lamps
Courtesy Lamps, Stepwell Lamp, Dome Lamps
G200 (2 of 2) and G401
G200 (1 of 2)
Lighting Systems Schematic Icons
Headlamp and Panel Dimmer Switch, Ambient Light Sensor, Headlamp Relay
Figure 2:

Door Jamb Switches, Liftgate Strut Switch


Object Number: 512142  Size: FS
Lighting Systems Components
Interior Lights Circuit Description
Courtesy Lamps, Stepwell Lamp, Dome Lamps
Courtesy Lamp Relay
Lighting Systems Schematic Icons
G301, G303, G400 and G404
Figure 3:

Courtesy Lamps, Stepwell Lamp, Dome Lamps


Object Number: 512143  Size: FS
Lighting Systems Components
Interior Lights Circuit Description
Front Dome/Reading Lamps
Door Jamb Switches, Liftgate Strut Switch
Inadvertent Power Relay, Vanity Lamps
Front Dome/Reading Lamps
Front Dome/Reading Lamps
Front Dome/Reading Lamps
Courtesy Lamp Relay
Front Dome/Reading Lamps
Front Dome/Reading Lamps
Front Dome/Reading Lamps
Figure 4:

Front Dome/Reading Lamps


Object Number: 512144  Size: FS
Lighting Systems Components
Interior Lights Circuit Description
Inadvertent Power Relay, Vanity Lamps
Courtesy Lamps, Stepwell Lamp, Dome Lamps
Lighting Systems Schematic Icons
G301, G303, G400 and G404
Courtesy Lamps, Stepwell Lamp, Dome Lamps
Courtesy Lamps, Stepwell Lamp, Dome Lamps
Courtesy Lamps, Stepwell Lamp, Dome Lamps
Courtesy Lamps, Stepwell Lamp, Dome Lamps
Courtesy Lamps, Stepwell Lamp, Dome Lamps
Courtesy Lamps, Stepwell Lamp, Dome Lamps
Lighting Systems Schematic Icons
Figure 5:

Inadvertent Power Relay, Vanity Lamps


Object Number: 512145  Size: FS
Lighting Systems Components
Interior Lights Circuit Description
Auxiliary Power Outlets, Cigar Lighter
Front Dome/Reading Lamps
Courtesy Lamp Relay
BATT and LIGHTING Fuse
Courtesy Lamp Relay
G110 (1 of 2)
Lighting Systems Schematic Icons
Figure 6:

Auxiliary Power Outlets, Cigar Lighter


Object Number: 512146  Size: FS
Lighting Systems Components
Interior Lights Circuit Description
Window and Door Lock Switches
Inadvertent Power Relay, Vanity Lamps
BATT and LIGHTING Fuse
CIG LTR Fuse 13, RADIO BATT Fuse 19 and CRANK Fuse 8
Lighting Systems Schematic Icons
G200 (1 of 2)
G200 (2 of 2) and G401
G301, G303, G400 and G404
G301, G303, G400 and G404
Lighting Systems Schematic Icons
Figure 7:

Window and Door Lock Switches


Object Number: 512149  Size: FS
Lighting Systems Components
Interior Lights Circuit Description
Auxiliary Power Outlets, Cigar Lighter
BATT and LIGHTING Fuse
Horns, Interior Lights, Exterior Lights, RKE, and Instrument Cluster
Turn Indicators, Park/Turn Signal Lamps, Front Side Marker Lamps
CHMSL, Tail/Stop/Turn Lamps, Rear Side Marker Lamps, License Lamp
G105 and G107
G200 (1 of 2)
G110 (1 of 2)
G105 and G107
G105 and G107