GM Service Manual Online
For 1990-2009 cars only
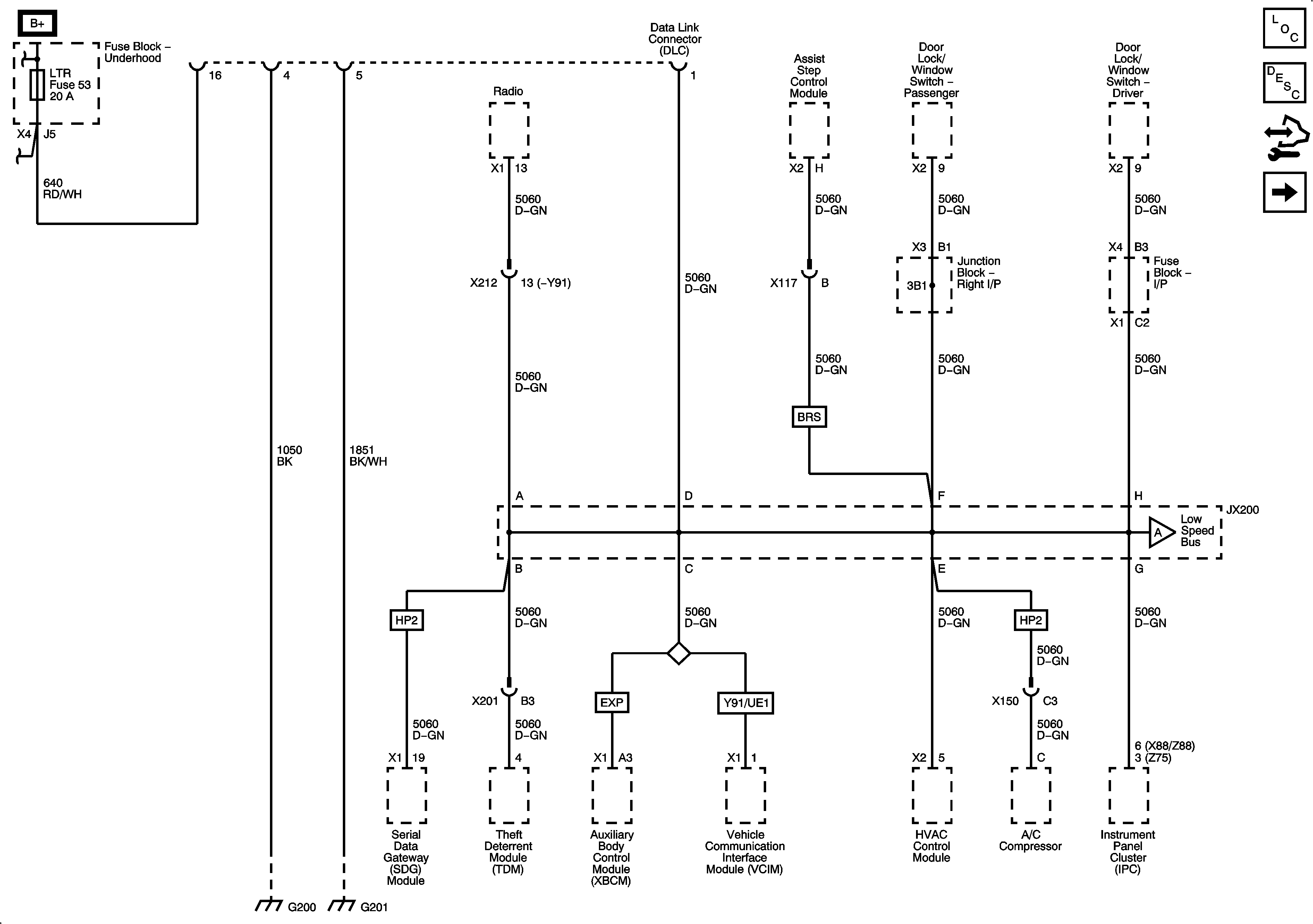
Figure 1:

Low Speed Bus - JX200 - 1 of 3


Object Number: 1906797  Size: FS
Master Electrical Component List
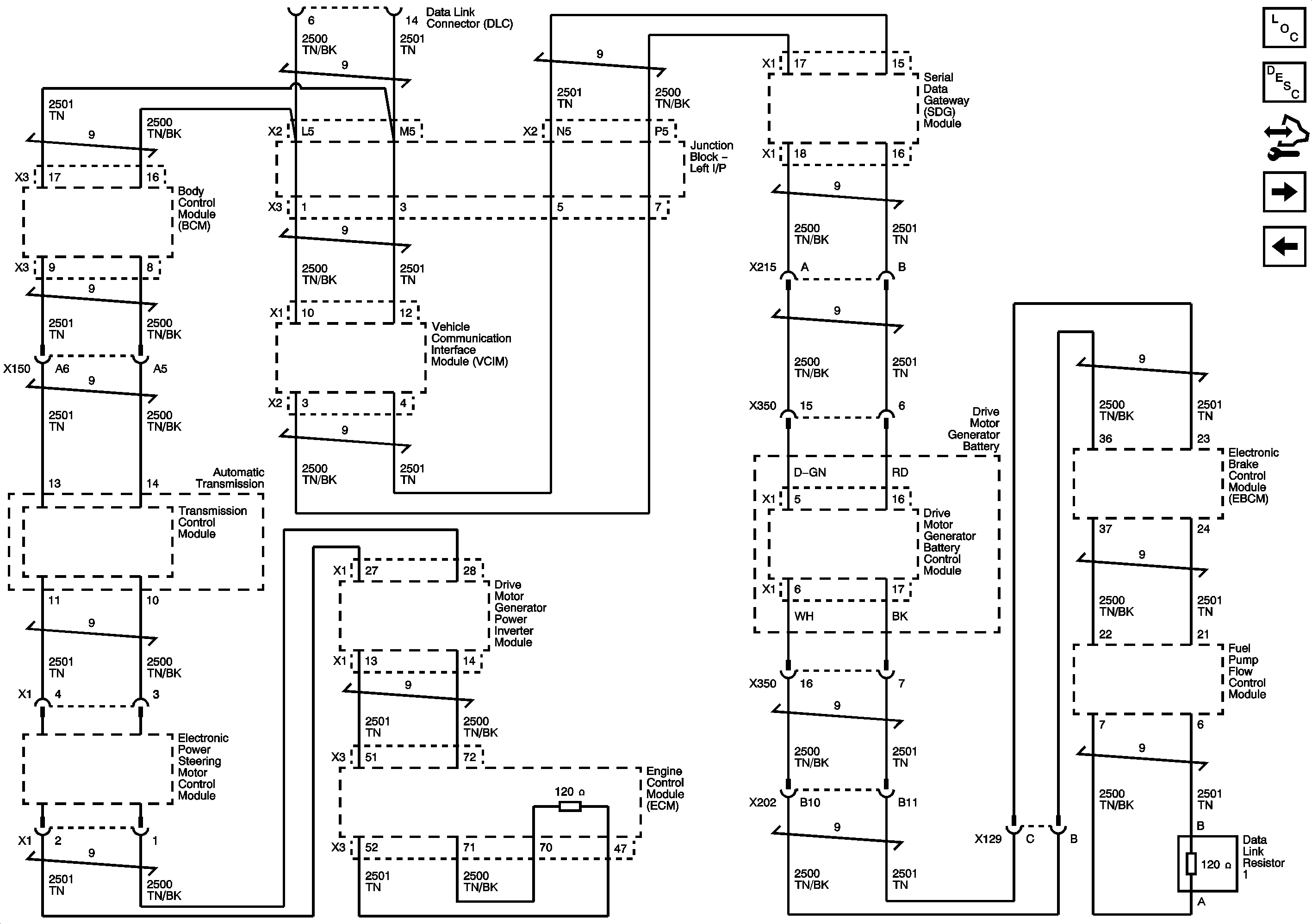
Data Link Communications Description and Operation
Control Module References
Low Speed Bus - JX200 - 2 of 3
ECM-BATT, HEADLAMP WASH, HVAC BATT, IPC, LTR, S/ROOF, and TCM-BATT Fuses
G200 - 1 of 2
G201
Low Speed Bus - JX200 - 2 of 3
Figure 2:

Low Speed Bus - JX200 - 2 of 3


Object Number: 1906799  Size: FS
Master Electrical Component List
Data Link Communications Description and Operation
Control Module References
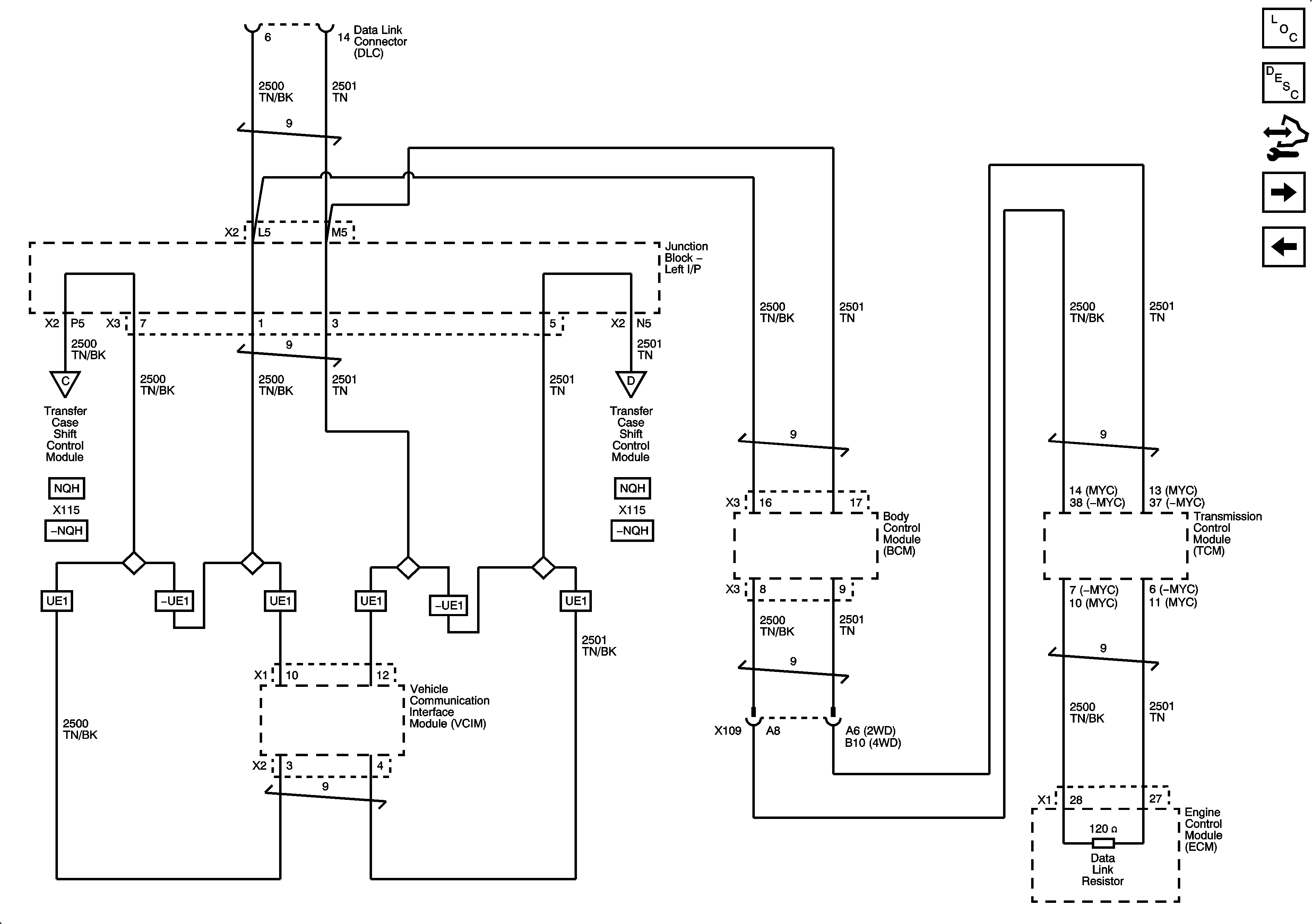
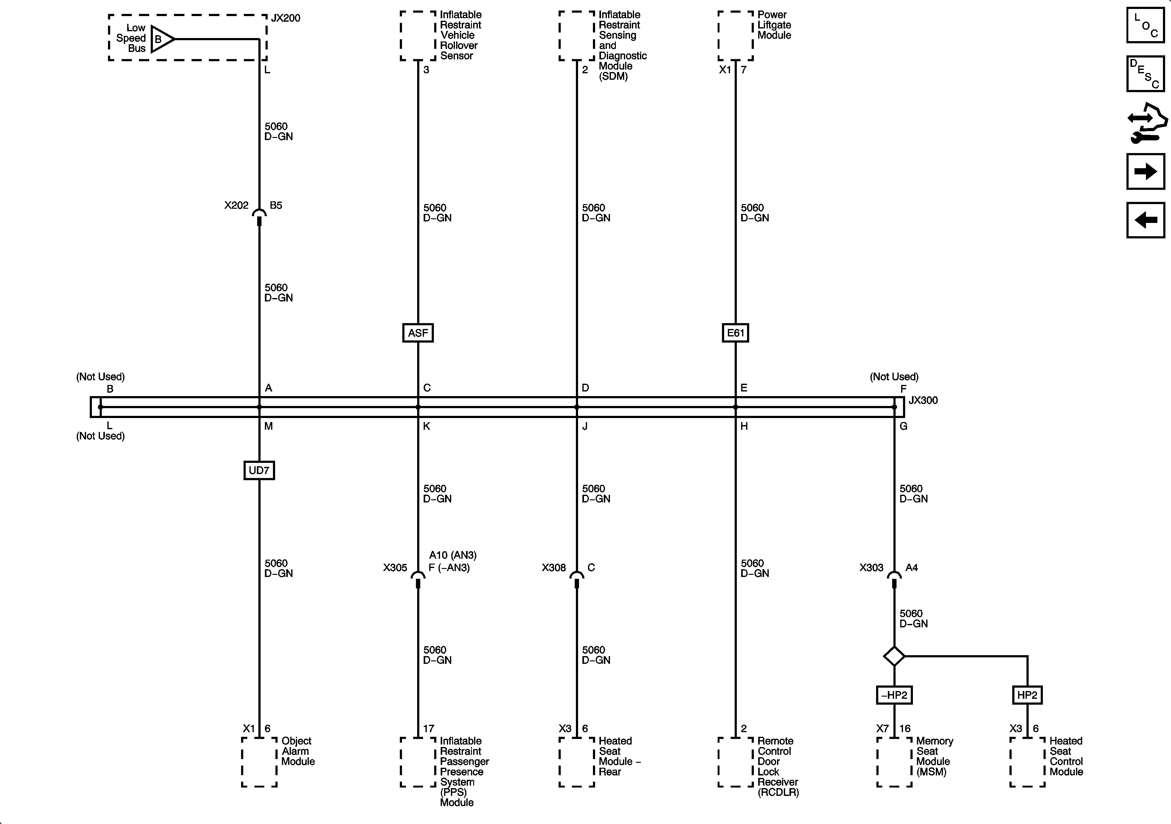
Low Speed Bus - JX200 - 3 of 3 and JX300
Low Speed Bus - JX200 - 1 of 3
Low Speed Bus - JX200 - 1 of 3
Low Speed Bus - JX200 - 3 of 3 and JX300
Figure 3:

Low Speed Bus - JX200 - 3 of 3 and JX300


Object Number: 1906801  Size: FS
Master Electrical Component List
Data Link Communications Description and Operation
Control Module References
HIgh Speed Bus - 1 of 2
Low Speed Bus - JX200 - 2 of 3
Low Speed Bus - JX200 - 2 of 3
Figure 4:

High Speed Bus - 1 of 2


Object Number: 1906806  Size: FS
Master Electrical Component List
Data Link Communications Description and Operation
Control Module References
HIgh Speed Bus - 2 of 2
Low Speed Bus - JX200 - 3 of 3 and JX300
HIgh Speed Bus - 2 of 2
HIgh Speed Bus - 2 of 2
HIgh Speed Bus - 2 of 2
HIgh Speed Bus - 2 of 2
Figure 5:

High Speed Bus - 2 of 2


Object Number: 1906812  Size: FS
Master Electrical Component List
Data Link Communications Description and Operation
Control Module References
HIgh Speed Bus - 1 of 2
HIgh Speed Bus - 1 of 2
HIgh Speed Bus - 1 of 2
HIgh Speed Bus - 1 of 2
HIgh Speed Bus - 1 of 2
Figure 6:

Serial Data Communication Enable and Wake-up Circuits


Object Number: 2006034  Size: FS
Master Electrical Component List
Data Link Communications Description and Operation
Control Module References
High Speed Bus (HP2)
HIgh Speed Bus - 2 of 2
Figure 7:

High Speed Bus (HP2)


Object Number: 2005978  Size: FS
Master Electrical Component List
Data Link Communications Description and Operation
Control Module References
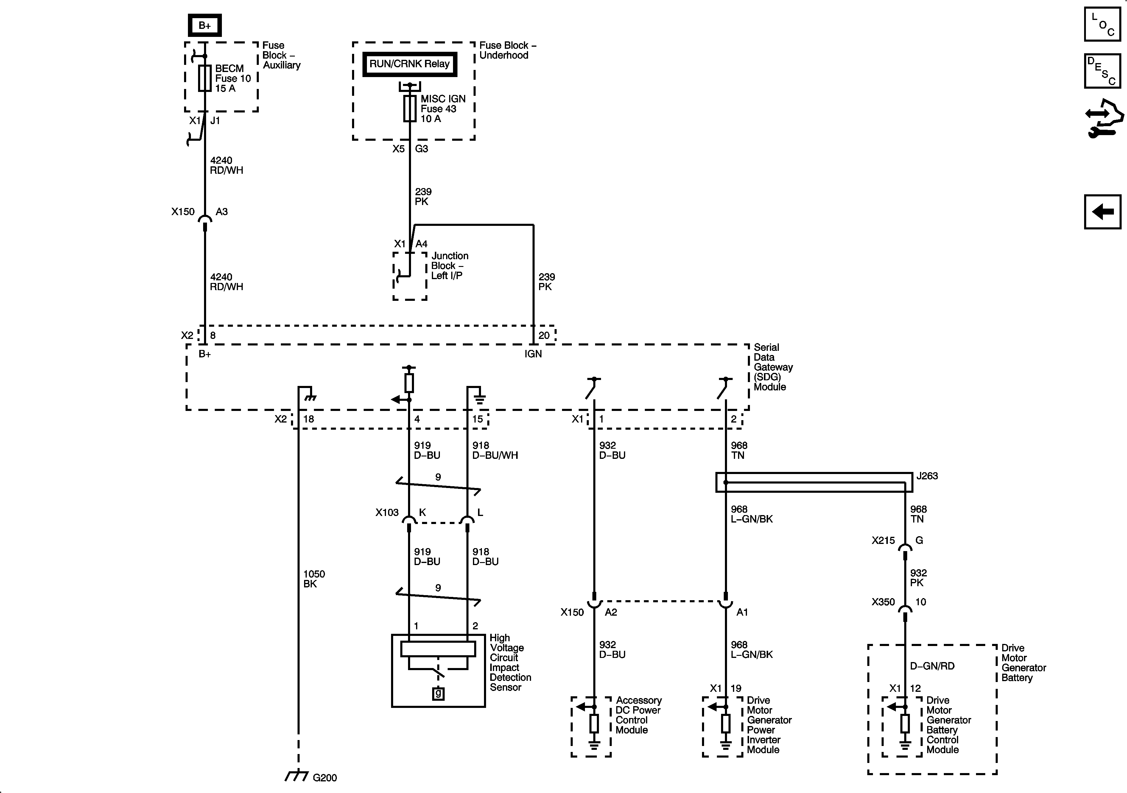
Powertrain Expansion Bus (HP2)
Serial Data Communication Enable and Wake-up Circuits
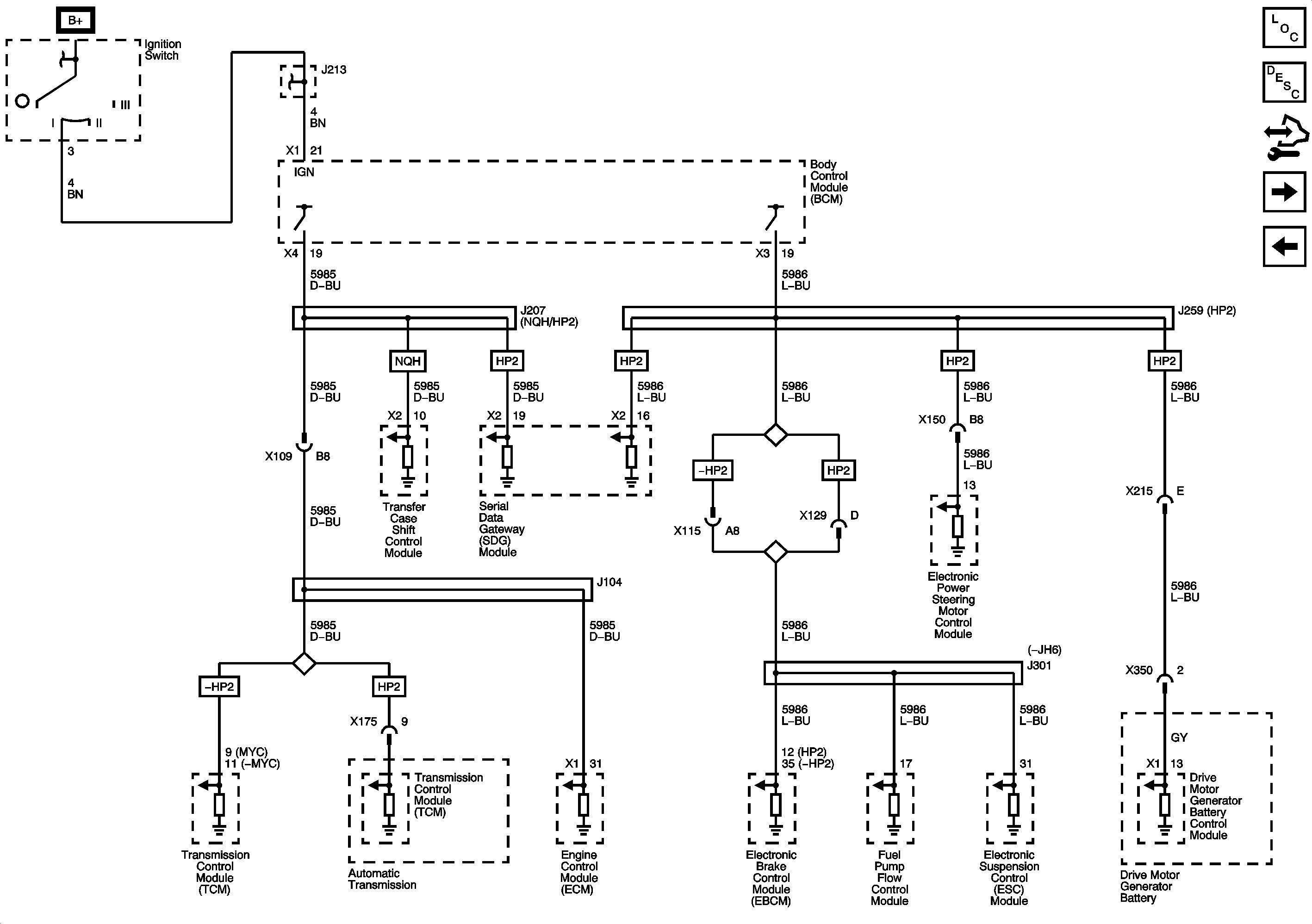
Figure 8:

Powertrain Expansion Bus (HP2)


Object Number: 2005980  Size: FS
Master Electrical Component List
Data Link Communications Description and Operation
Control Module References
Serial Data Gateway (SDG) Module (HP2)
High Speed Bus (HP2)
Figure 9:

Serial Data Gateway (SDG) Module (HP2)


Object Number: 2005981  Size: FS
Master Electrical Component List
Data Link Communications Description and Operation
Control Module References
Powertrain Expansion Bus (HP2)
ACCM, ACPO, BECM, BECM FAN, CAB HTR PUMP, COOL PUMP, EPS, PIM 1 and PIM 2 Fuses
G200 - 1 of 2