GM Service Manual Online
For 1990-2009 cars only
Makes
🢒
Chevrolet
🢒
2008
🢒
Avalanche - 2WD
🢒
Diagnostic Navigation
🢒
Vehicle Diagnostic Information
🢒 Instrument Cluster Schematics
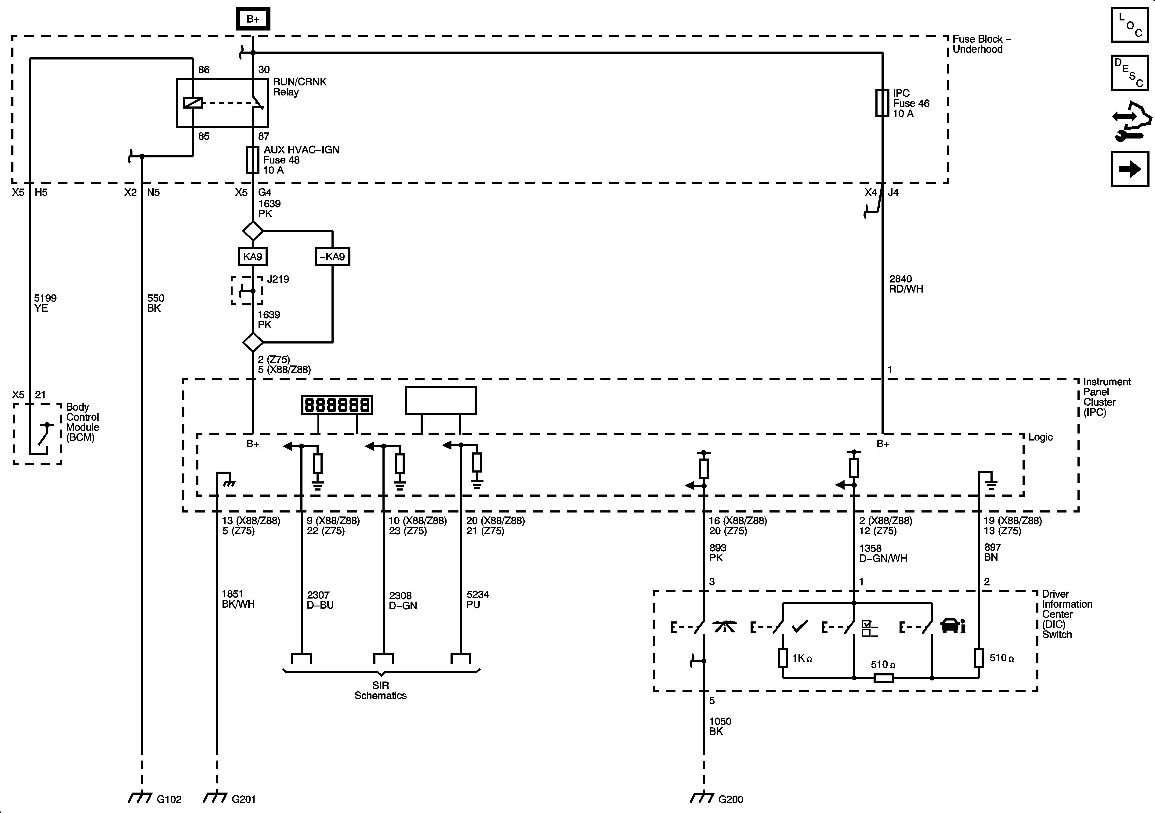
Figure
1:
Power, Ground, and Driver Information Center Switch
Master Electrical Component List
Instrument Cluster Description and Operation
Control Module References
Indicators
RUN/CRANK Bus - AUX HVAC - IGN and HVAC - IGN Fuses
ECM-BATT, HEADLAMP WASH, HVAC BATT, IPC, LTR, S/ROOF, and TCM-BATT Fuses
G102, G104, and G108
G201
Passenger Presence System
G200 - 1 of 2
Figure
2:
Indicators
Master Electrical Component List
Instrument Cluster Description and Operation
Control Module References
Gages
Power, Ground, and Driver Information Center Switch
Hydraulic Brake Schematics
G100
G103, G110 and G111
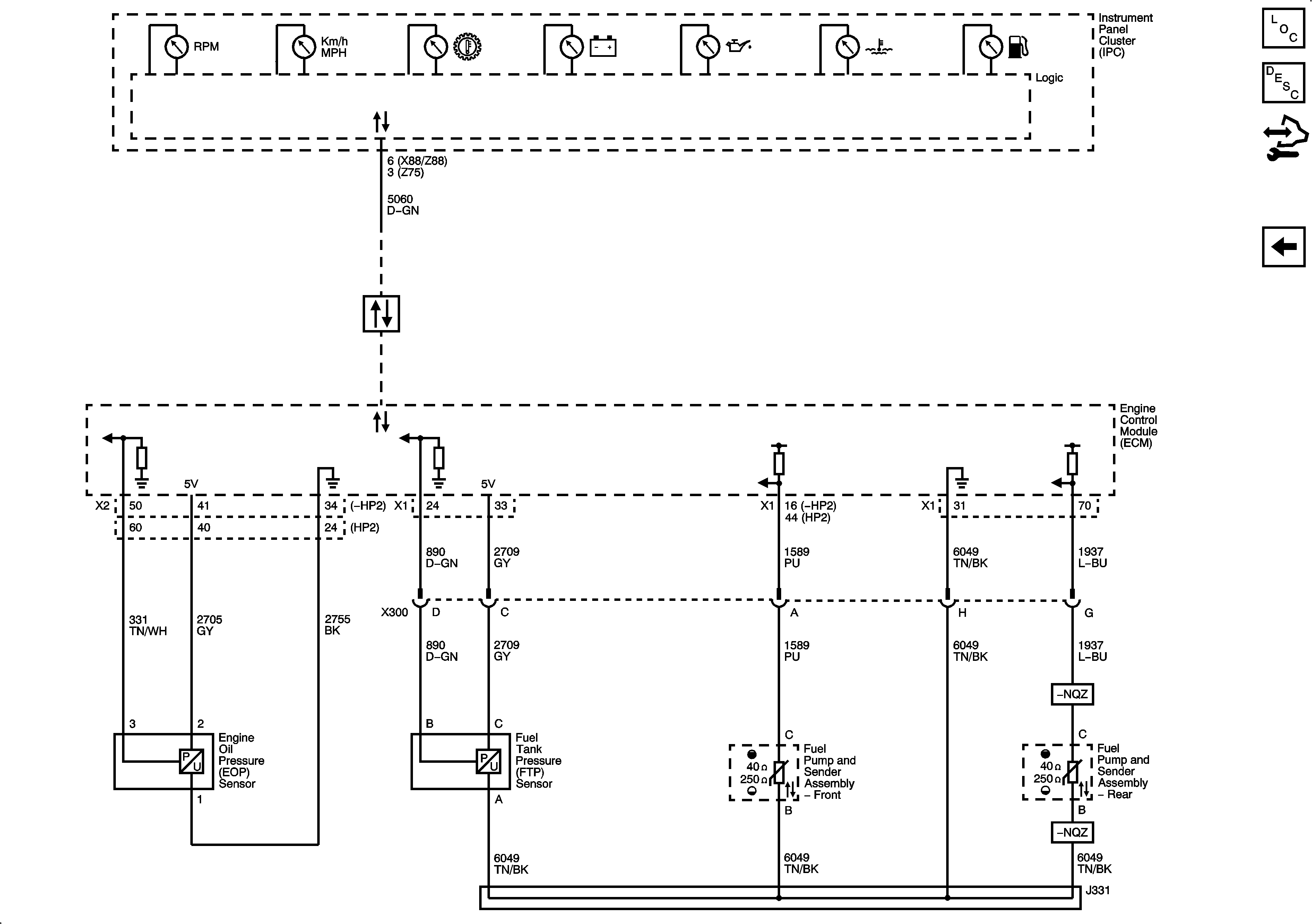
Figure
3:
Gages
Master Electrical Component List
Instrument Cluster Description and Operation
Control Module References
Indicators
Data Communication Schematics