GM Service Manual Online
For 1990-2009 cars only
Figure 1:

G100


Object Number: 1906761  Size: FS
Master Electrical Component List
Control Module References
G101
G103, G110 and G111
Figure 2:

G101


Object Number: 1906765  Size: FS
Master Electrical Component List
Control Module References
G102, G104, and G108
G100
G103, G110 and G111
G103, G110 and G111
G103, G110 and G111
Figure 3:

G102, G104 and G108


Object Number: 1906767  Size: FS
Master Electrical Component List
Control Module References
G103, G110 and G111
G101
Figure 4:

G103, G110, and G111


Object Number: 1906769  Size: FS
Master Electrical Component List
Control Module References
G200 - 1 of 2
G102, G104, and G108
G100
G101
G101
G101
Figure 5:

G200 - 1 of 2


Object Number: 1906772  Size: FS
Master Electrical Component List
Control Module References
G200 - 2 of 2
G103, G110 and G111
G200 - 2 of 2
G200 - 2 of 2
Figure 6:

G200 - 2 of 2


Object Number: 1906774  Size: FS
Master Electrical Component List
Control Module References
G201
G200 - 1 of 2
G200 - 1 of 2
G200 - 1 of 2
Figure 7:

G201


Object Number: 1906776  Size: FS
Master Electrical Component List
Control Module References
G300, G302, G311, G312, G313, and G314
G200 - 2 of 2
Figure 8:

G300, G302, G311 and G302


Object Number: 1906778  Size: FS
Master Electrical Component List
Control Module References
G301
G201
Figure 9:

G301


Object Number: 1906781  Size: FS
Master Electrical Component List
Control Module References
G303, G304, and G305
G300, G302, G311, G312, G313, and G314
Figure 10:

G303, G304, and G305


Object Number: 1906783  Size: FS
Master Electrical Component List
Control Module References
G400
G301
Figure 11:

G400


Object Number: 1906785  Size: FS
Master Electrical Component List
Control Module References
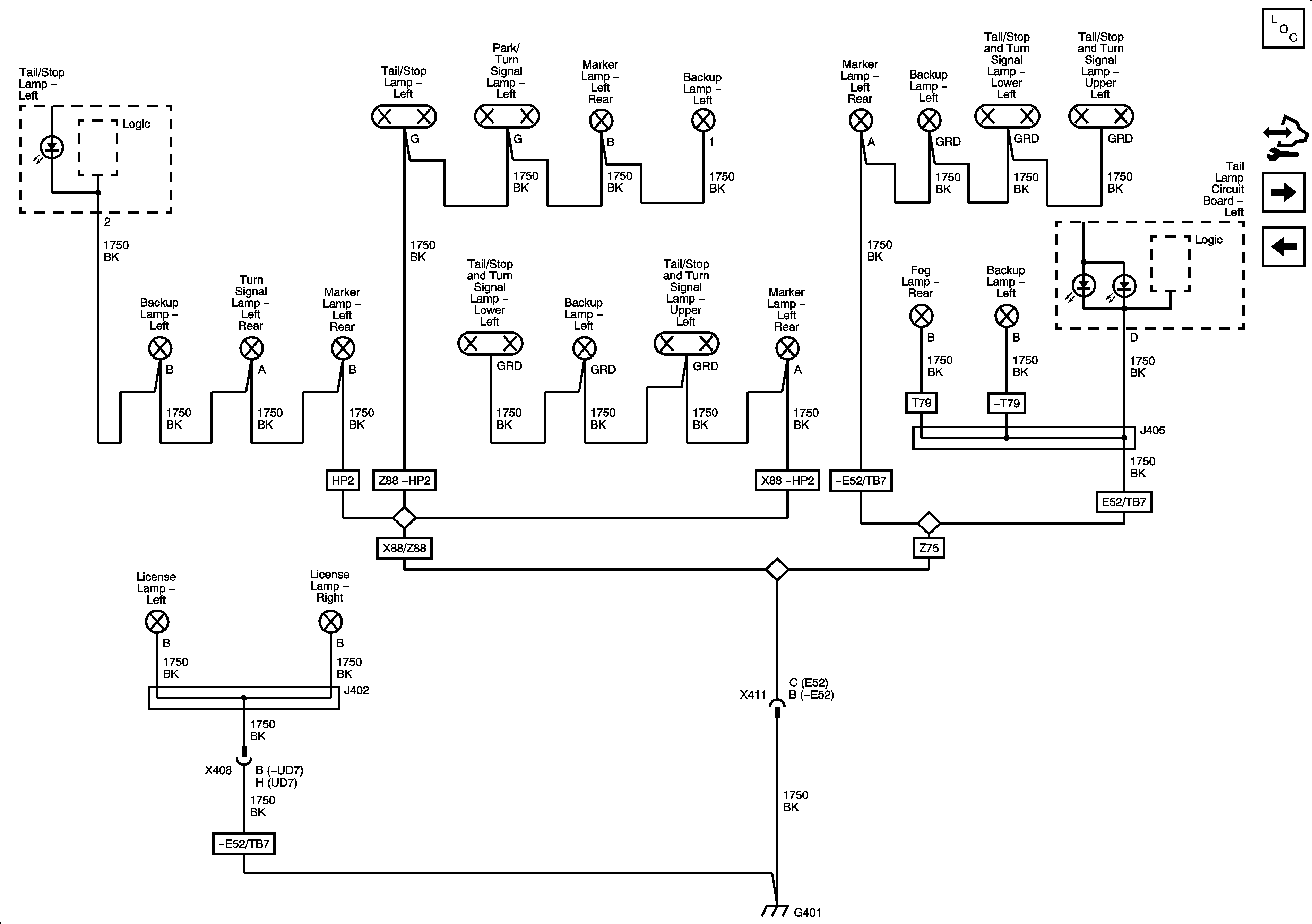
G401
G303, G304, and G305
Figure 12:

G401


Object Number: 1906787  Size: FS
Master Electrical Component List
Control Module References
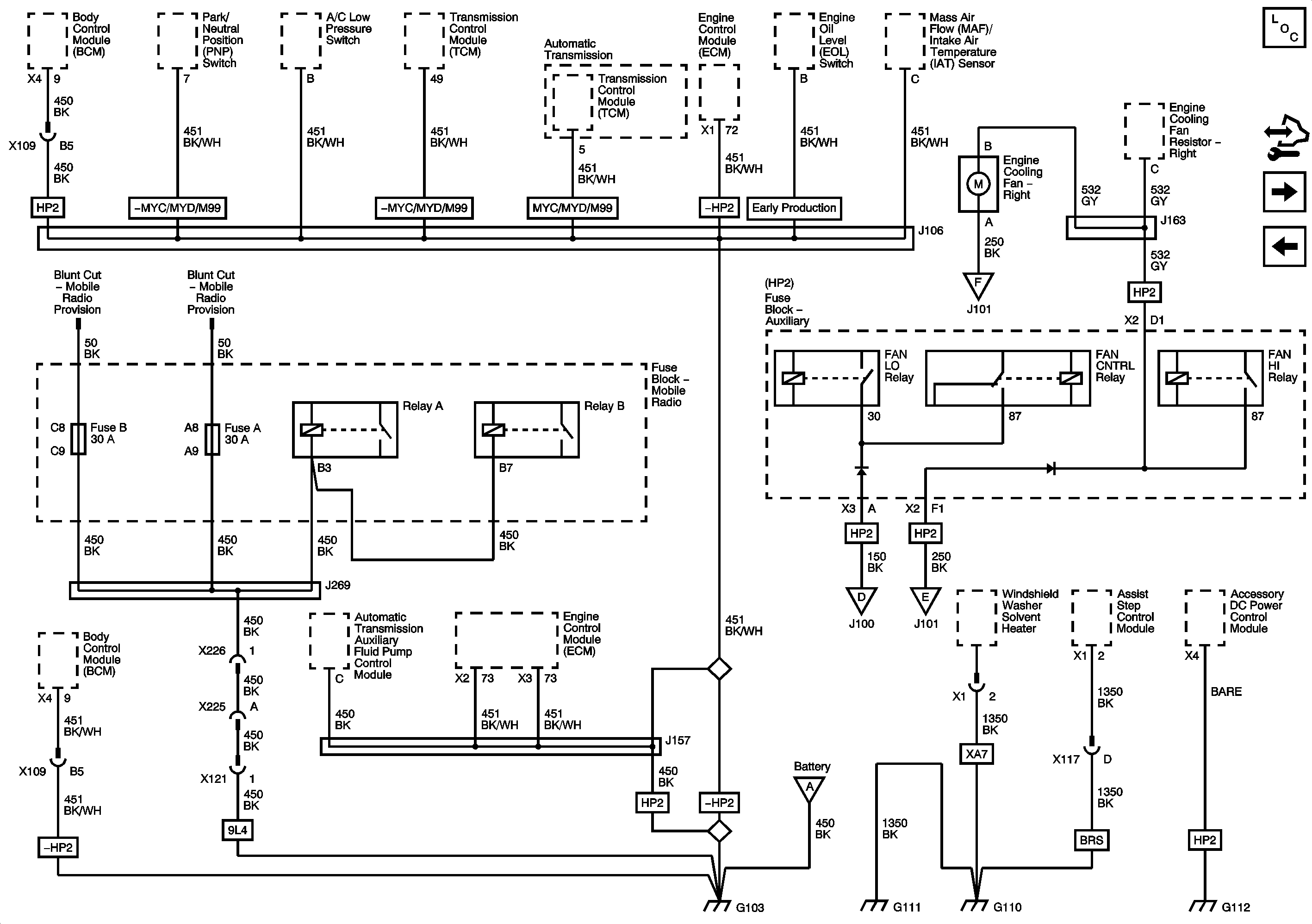
G402 - E52
G400
Figure 13:

G402 - E52


Object Number: 1906790  Size: FS
Master Electrical Component List
Control Module References
G401