GM Service Manual Online
For 1990-2009 cars only
Figure 1:

Front


Object Number: 1907393  Size: FS
BCM, COOLED SEATS, CTSY, DDM, DIM, DSM, LBEC 1, MBEC 1, REAR HVAC, and RT STOP TRN Fuses and DRIVER SEAT 2, PASS SEAT 1, and RT DOORS Circuit Breakers
B+ Bus - 3 of 3
G102, G104, and G108
G201
B+ Bus - 2 of 3
Heated Washer System
Figure 2:

Rear (E52)


Object Number: 1907407  Size: FS
Master Electrical Component List
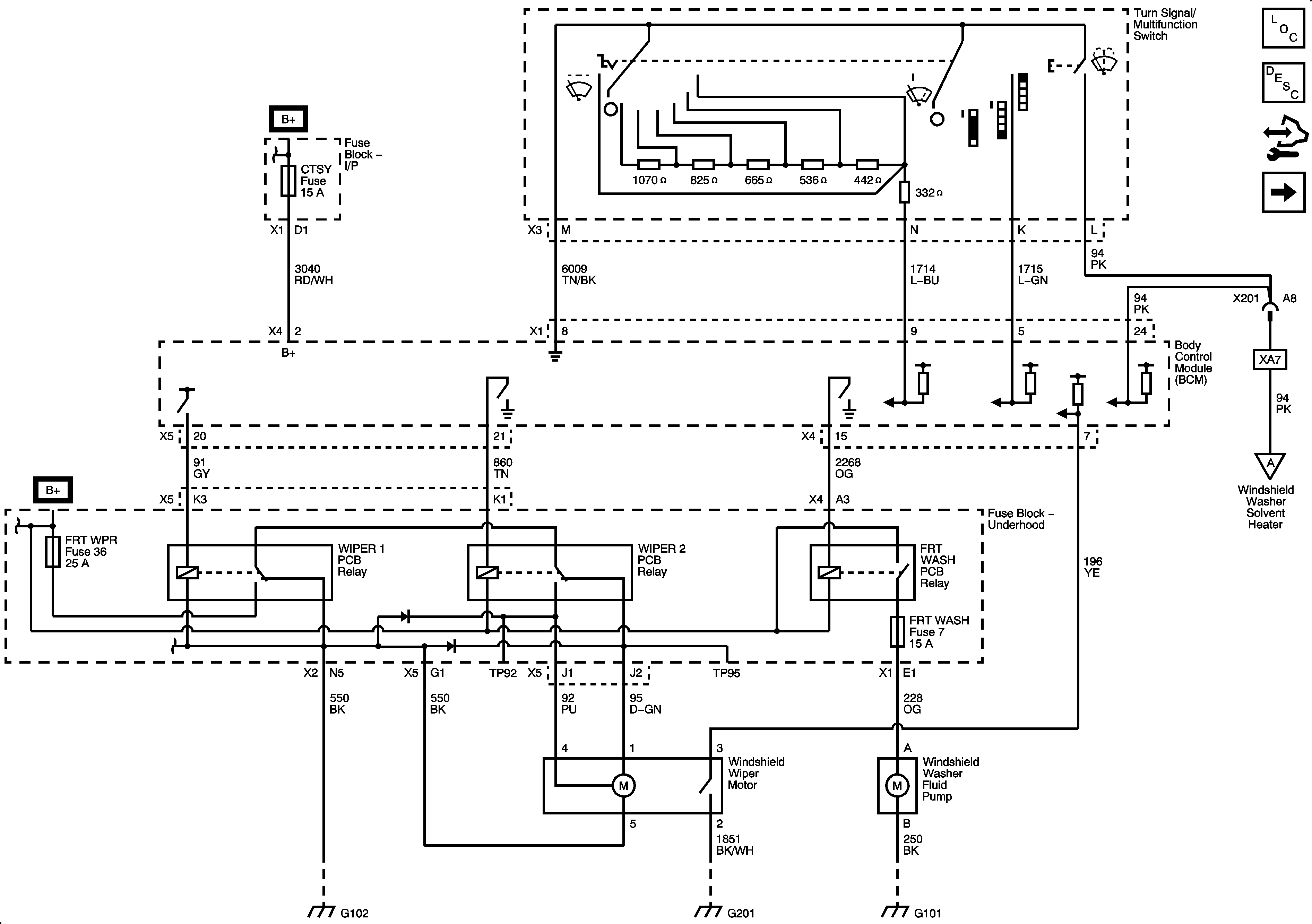
Rear Wiper/Washer System Description and Operation
Control Module References
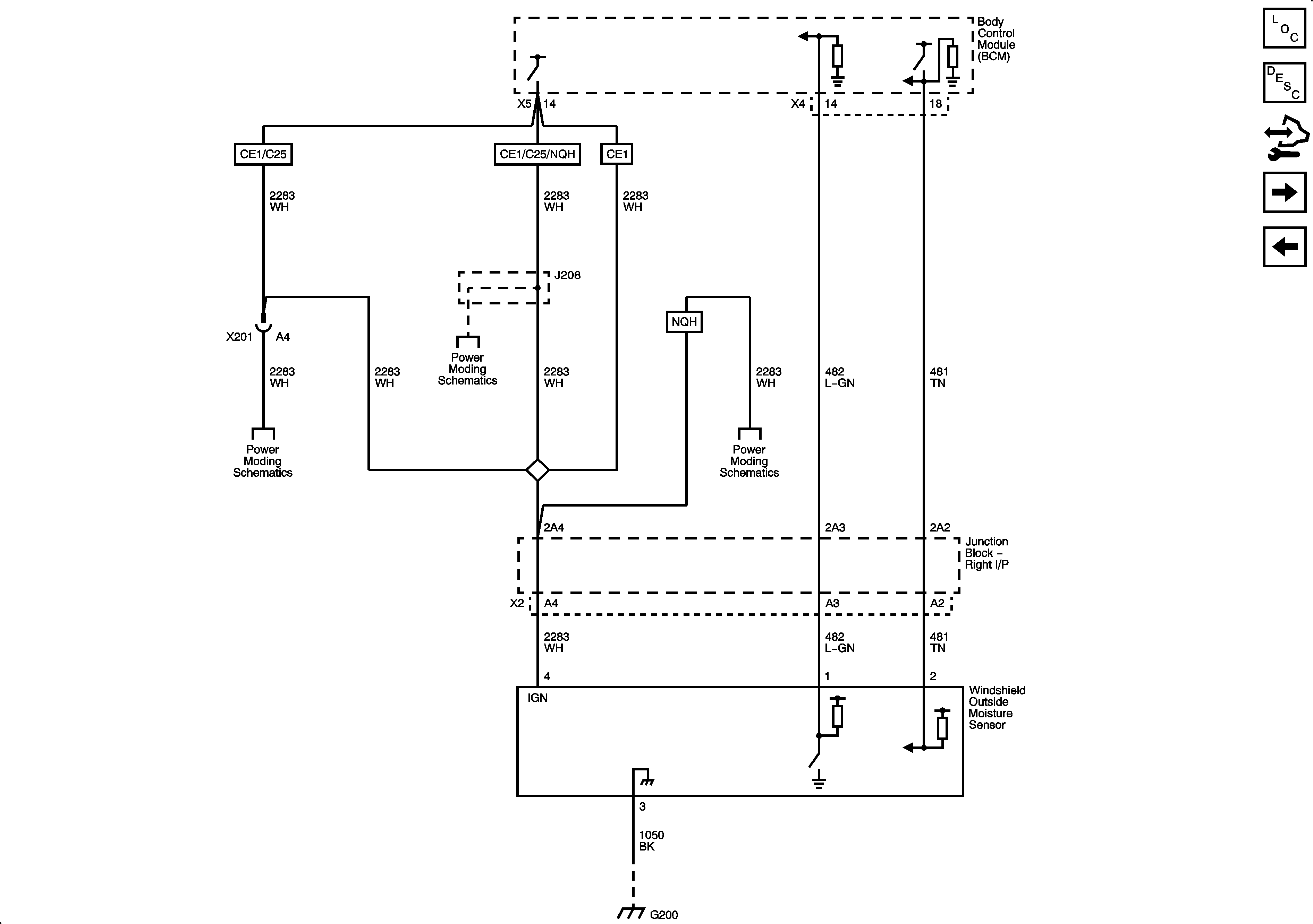
Outside Moisture Sensor
Front
AUX PWR, AUX PWR 2, LBEC 2, PDM, and REAR WPR Fuses
G402 - E52
Ignition 1 Voltage
Ignition 1 Voltage
G102, G104, and G108
G101
Figure 3:

Outside Moisture Sensor


Object Number: 1907415  Size: FS
Master Electrical Component List
Wiper/Washer System Description and Operation
Control Module References
Heated Washer System
Rear (E52)
Ignition 1 Voltage
Ignition 1 Voltage
Ignition 1 Voltage
G200 - 1 of 2
Figure 4:

Heated Washer System


Object Number: 1907421  Size: FS
Master Electrical Component List
Wiper/Washer System Description and Operation
Control Module References
Outside Moisture Sensor
ABS-1, ABS 2, HEAVY DUTY ABS, HVAC BLWR, STUD 1, STUD 2, and WFHS Fuses
Ignition 3 and Accessory Voltage
Front
LED Dimming - 3 of 3
G103, G110 and G111
G201