GM Service Manual Online
For 1990-2009 cars only
Figure 1:

HVAC Manual - Blower Controls


Object Number: 1257896  Size: FS
Master Electrical Component List
HVAC Manual - Compressor Controls (Sirius D4)
Underhood Fuse Block - ABS, Blower, Horn, Sunroof, Defog Fuses
G202 2 of 2
Rear Window Defogger and Heated Mirrors
Rear Window Defogger and Heated Mirrors
Underhood Fuse Block - IGN 2 Fuse, Ignition Switch, I/P Fuse Block, - DIS INJECTOR, ECM TCM, WIPER WASHER, and HVAC BLOWER Fuses
HVAC Manual - Compressor Controls (MR-140)
Figure 2:

HVAC Manual - Compressor Controls (Sirius D4)


Object Number: 1456583  Size: FS
Master Electrical Component List
HVAC Manual - Compressor Controls (MR-140)
HVAC Manual - Blower Controls
Underhood Fuse Block - ABS, Blower, Horn, Sunroof, Defog Fuses
Engine Data Sensors - Pressure and Temperature
Engine Data Sensors - Pressure and Temperature
Figure 3:

HVAC Manual - Compressor Controls (MR-140)


Object Number: 1257897  Size: FS
Master Electrical Component List
HVAC Manual - Compressor Controls (HV-240)
HVAC Manual - Compressor Controls (Sirius D4)
Underhood Fuse Block - A/C COMP, HEADLAMP, H/L LOW RH, H/L LOW LH, H/L HI LH, H/L HI RH Fuses
Engine Data Sensors - Pressure and Temperature
Engine Data Sensors - Pressure and Temperature
Engine Data Sensors - Pressure and Temperature
Engine Data Sensors - Pressure and Temperature
Engine Data Sensors - Pressure and Temperature
Engine Data Sensors - Pressure and Temperature
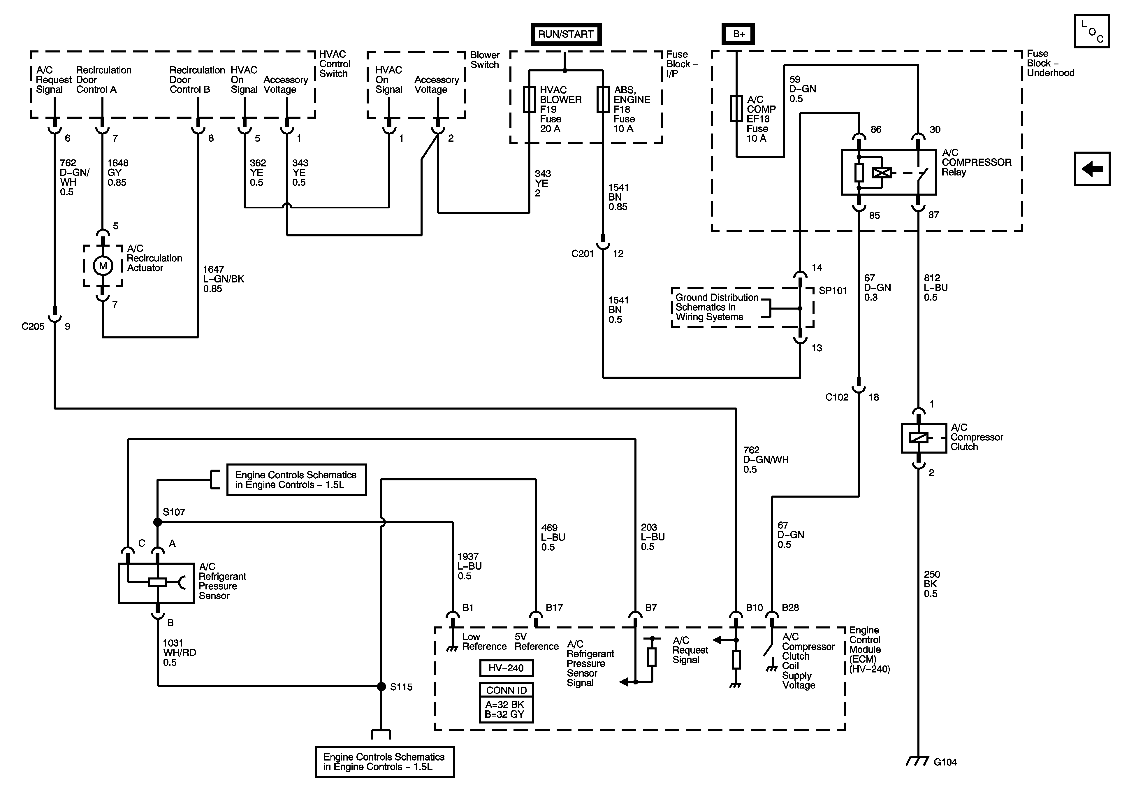
Figure 4:

HVAC Manual - Compressor Controls (HV-240)


Object Number: 1456582  Size: FS
Master Electrical Component List
HVAC Manual - Compressor Controls (MR-140)
Underhood Fuse Block - A/C COMP, HEADLAMP, H/L LOW RH, H/L LOW LH, H/L HI LH, H/L HI RH Fuses
Engine Data Sensors - Pressure and Temperature
Engine Data Sensors - Pressure and Temperature