GM Service Manual Online
For 1990-2009 cars only
Makes
🢒
Chevrolet
🢒
2004
🢒
Aveo
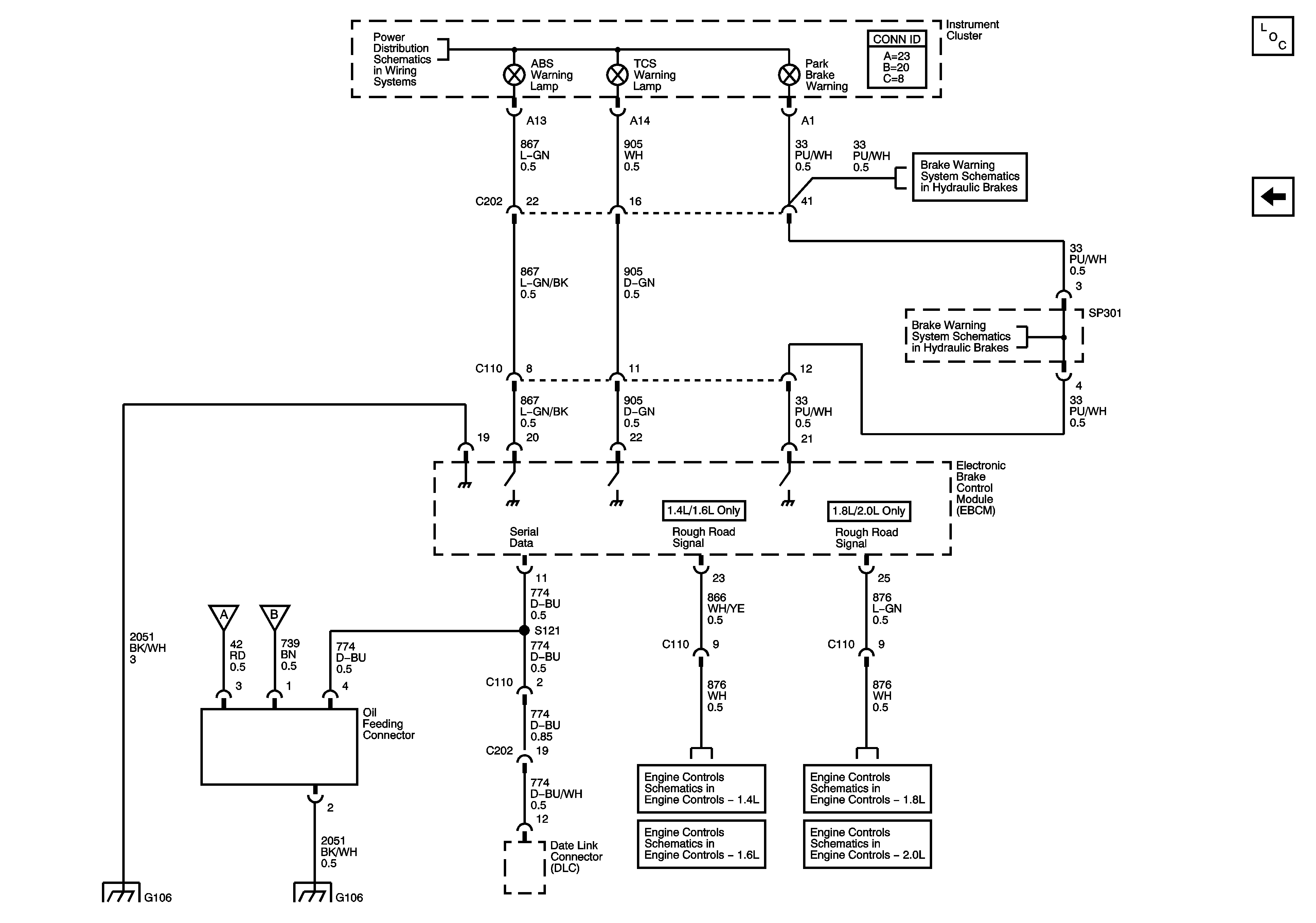
🢒 Warning Lamps, Serial Data, Rough Road
Warning Lamps, Serial Data, Rough Road
Warning Lamps, Serial Data, Rough Road
Master Electrical Component List
Powers, Grounds, Wheel Speed Sensors
I/P Fuse Block - ABS, IMMOBILIZER, WPR, AND TRN SIG LAMPS Fuses
Hydraulic Brakes
Hydraulic Brakes
Module Power, Ground, Serial Data, Malfunction Indicator Lamp (MIL)
Module Power, Ground, Serial Data, Malfunction Indicator Lamp (MIL)
Module Power, Ground, Serial Data, Malfunction Indicator Lamp (MIL)
Module Power, Ground, Serial Data, Malfunction Indicator Lamp (MIL)