GM Service Manual Online
For 1990-2009 cars only
Makes
🢒
Chevrolet
🢒
2004
🢒
Aveo
🢒 Engine Data Sensors - Pressure and Temperature
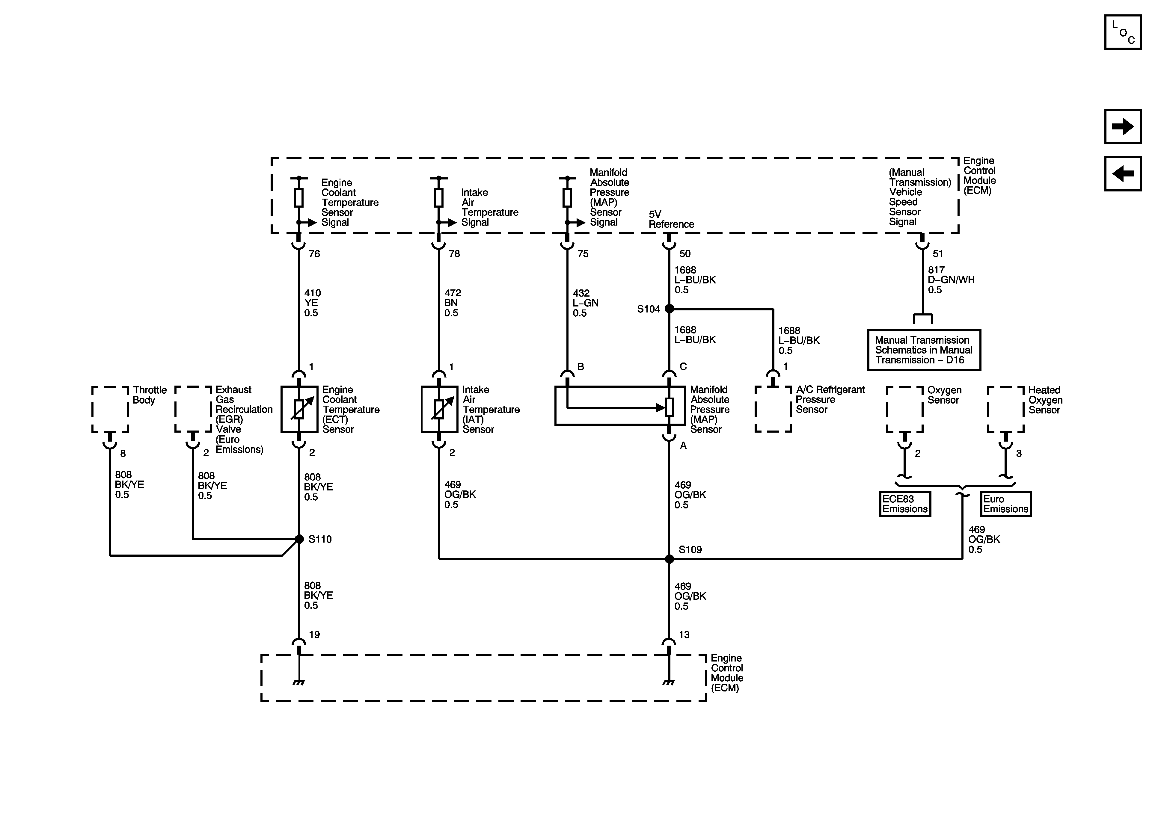
Engine Data Sensors - Pressure and Temperature
Engine Data Sensors - Pressure And Temperature
Master Electrical Component List
Engine Data Sensors - Oxygen Sensors (O2S)
Module Power, Ground, Serial Data, Malfunction Indicator Lamp (MIL)
Vehicle Speed Sensor (VSS)