GM Service Manual Online
For 1990-2009 cars only
Makes
🢒
Chevrolet
🢒
2004
🢒
Aveo
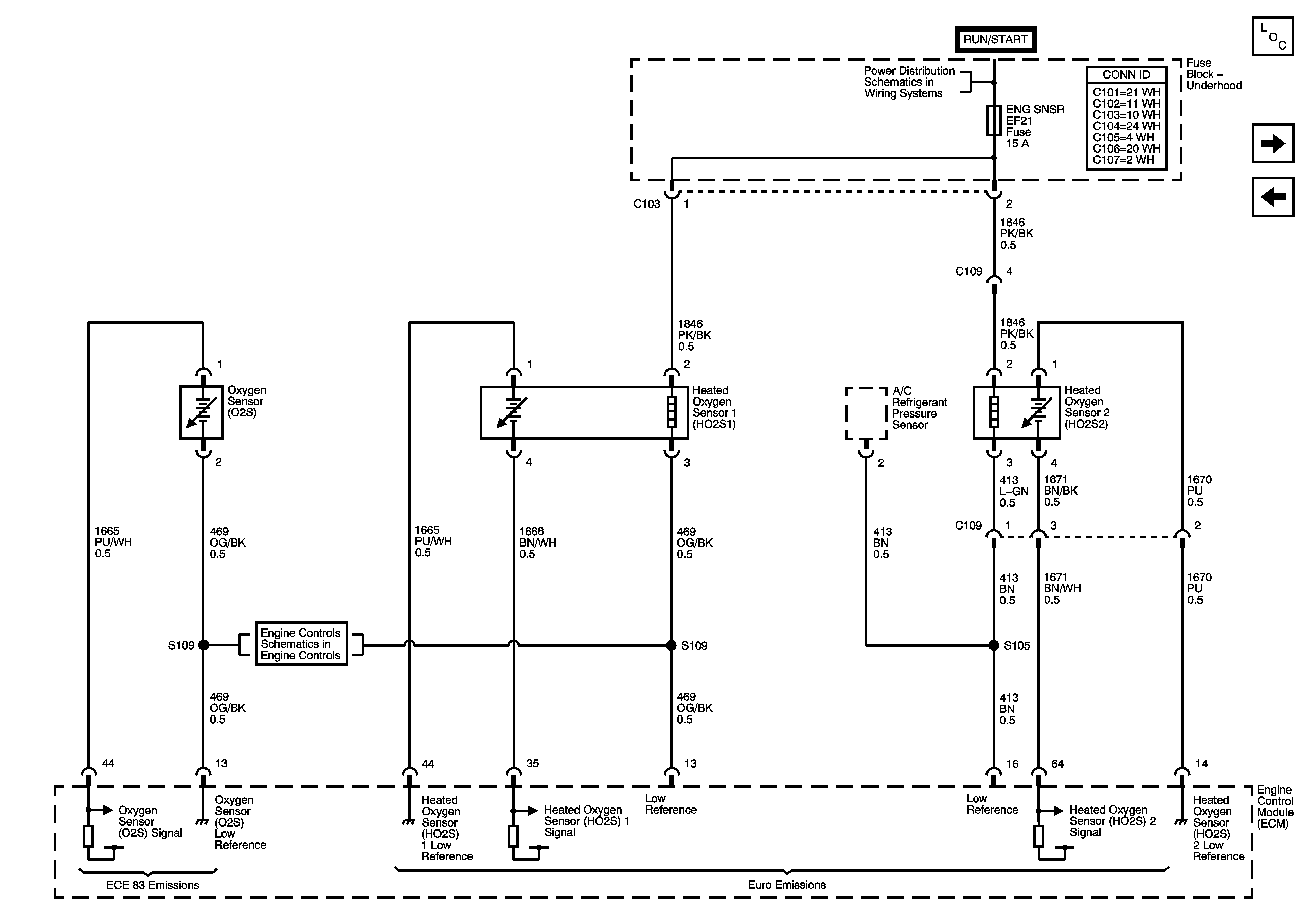
🢒 Engine Data Sensors - Oxygen Sensors (O2S)
Engine Data Sensors - Oxygen Sensors (O2S)
Engine Data Sensors - Oxygen Sensors (O2S)
Master Electrical Component List
Ignition Controls - Ignition Sensors
Engine Data Sensors - Pressure and Temperature
Underhood Fuse Block - BATT PWR, IGN 1 and IGN 2 Fuses, Ignition Switch, I/P Fuse Block - RADIO, IMMOBILIZER, DLC, AUTO A/C, HAZARD LAMPS, RKE, TCM, and REAR FOG/CRUISE Fuses
Engine Data Sensors - Pressure and Temperature