GM Service Manual Online
For 1990-2009 cars only
Makes
🢒
Chevrolet
🢒
2004
🢒
Aveo
🢒 Ignition Controls - Sensors
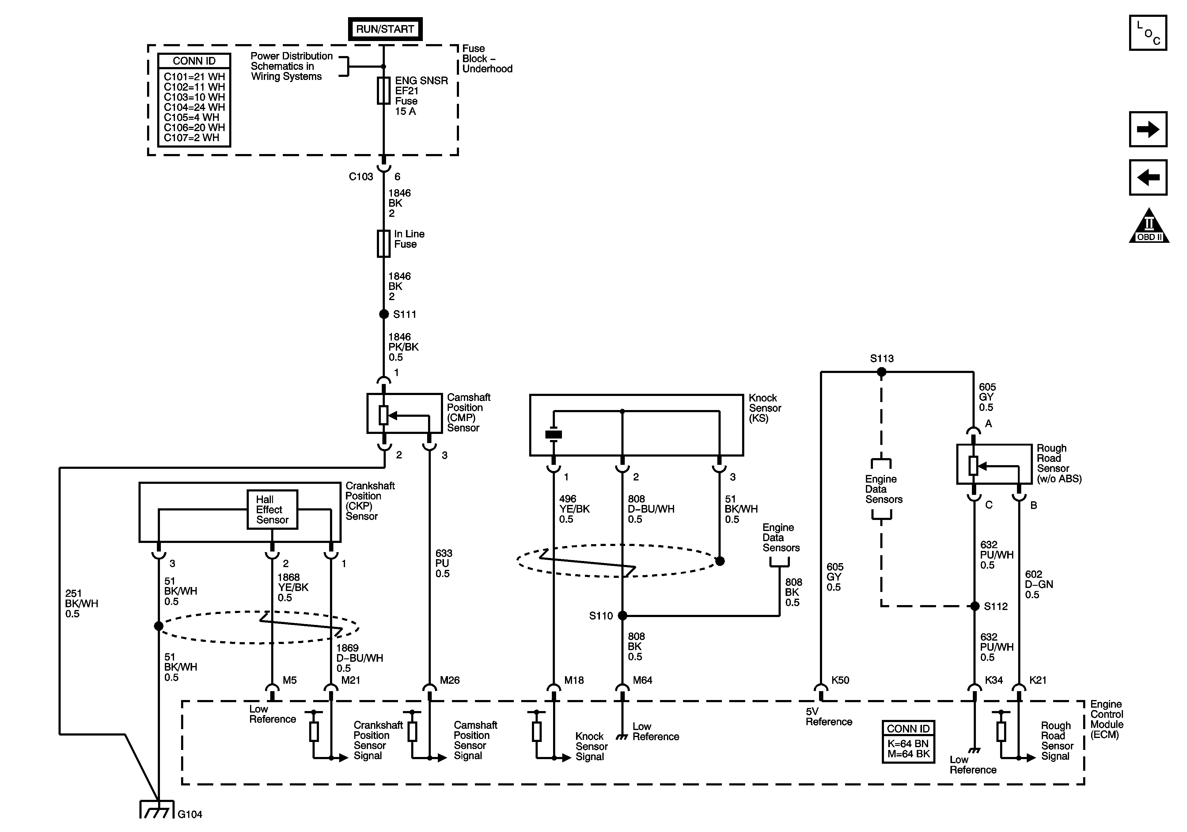
Ignition Controls - Sensors
Ignition Controls - Sensors
Master Electrical Component List
Fuel Controls - Fuel Pump Controls and Injectors
Ignition Controls - Ignition System
Antilock Brake System Schematic Icons
Underhood Fuse Block - MAIN Relay and ECM, ENG SNSR, and INJ Fuses - MR-140