GM Service Manual Online
For 1990-2009 cars only
Makes
🢒
Chevrolet
🢒
2004
🢒
Aveo
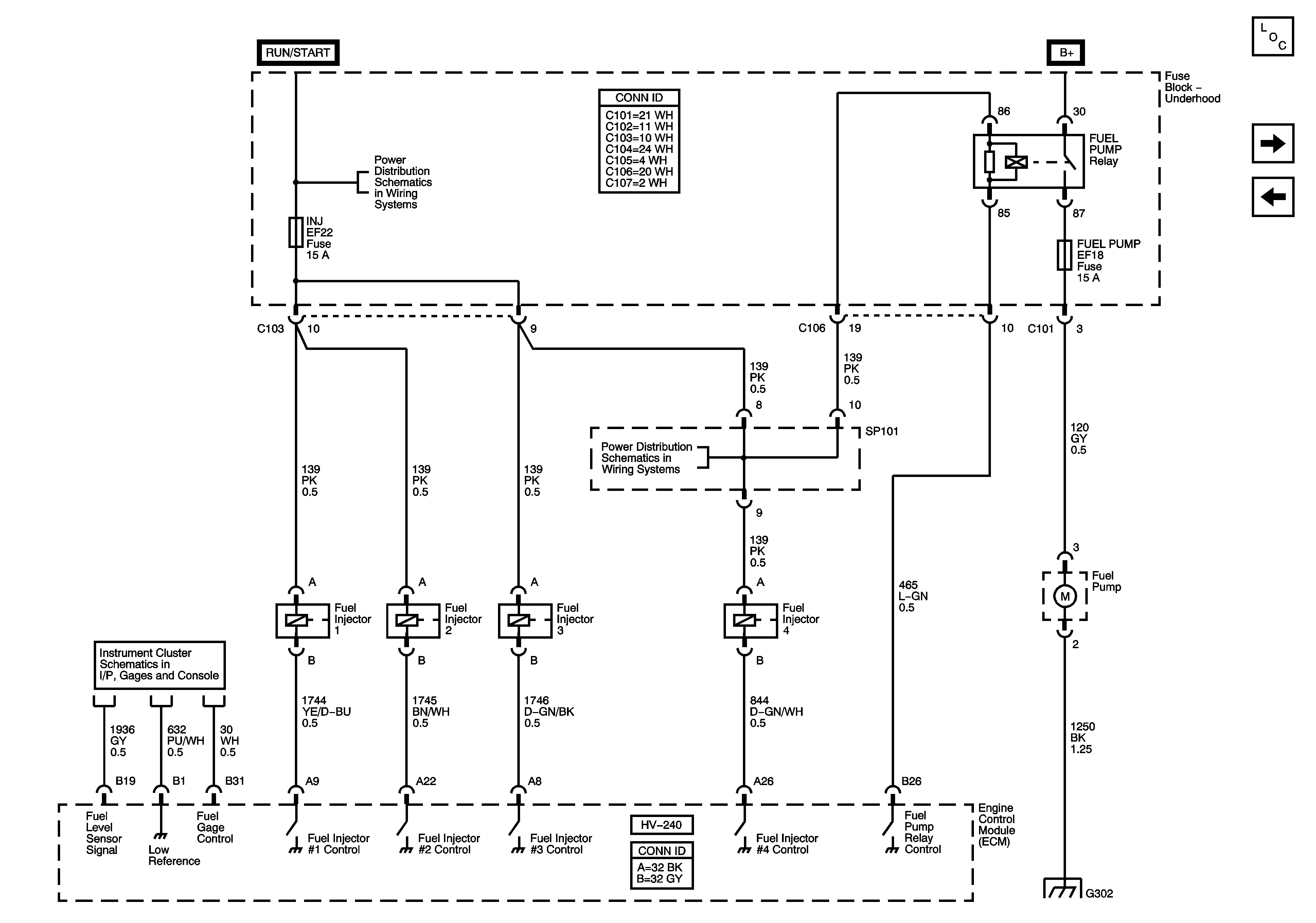
🢒 Fuel Controls - Fuel Pump Controls and Fuel Injectors
Fuel Controls - Fuel Pump Controls and Fuel Injectors
Fuel Controls - Fuel Pump Controls And Fuel Injectors
Master Electrical Component List
Device Controls
Ignition Controls - Sensors
Power, Ground and Gages - 1.8L/2.0L
Underhood Fuse Block - MAIN Relay and ECM, ENG SNSR, and INJ Fuses - MR-140
Underhood Fuse Block - FUEL PUMP Relay and FUEL PUMP and IGN COIL Fuses