GM Service Manual Online
For 1990-2009 cars only
Makes
🢒
Chevrolet
🢒
2004
🢒
Aveo
🢒 Manual Transmission
Manual Transmission
Manual Transmission
Master Electrical Component List
Automatic Transmission
I/P Fuse Block - ABS, IMMOBILIZER, WPR, AND TRN SIG LAMPS Fuses
I/P Fuse Block - ABS, IMMOBILIZER, WPR, AND TRN SIG LAMPS Fuses
Underhood Fuse Block - IP FUSE, DR/LOCK and STOP LAMPS Fuses
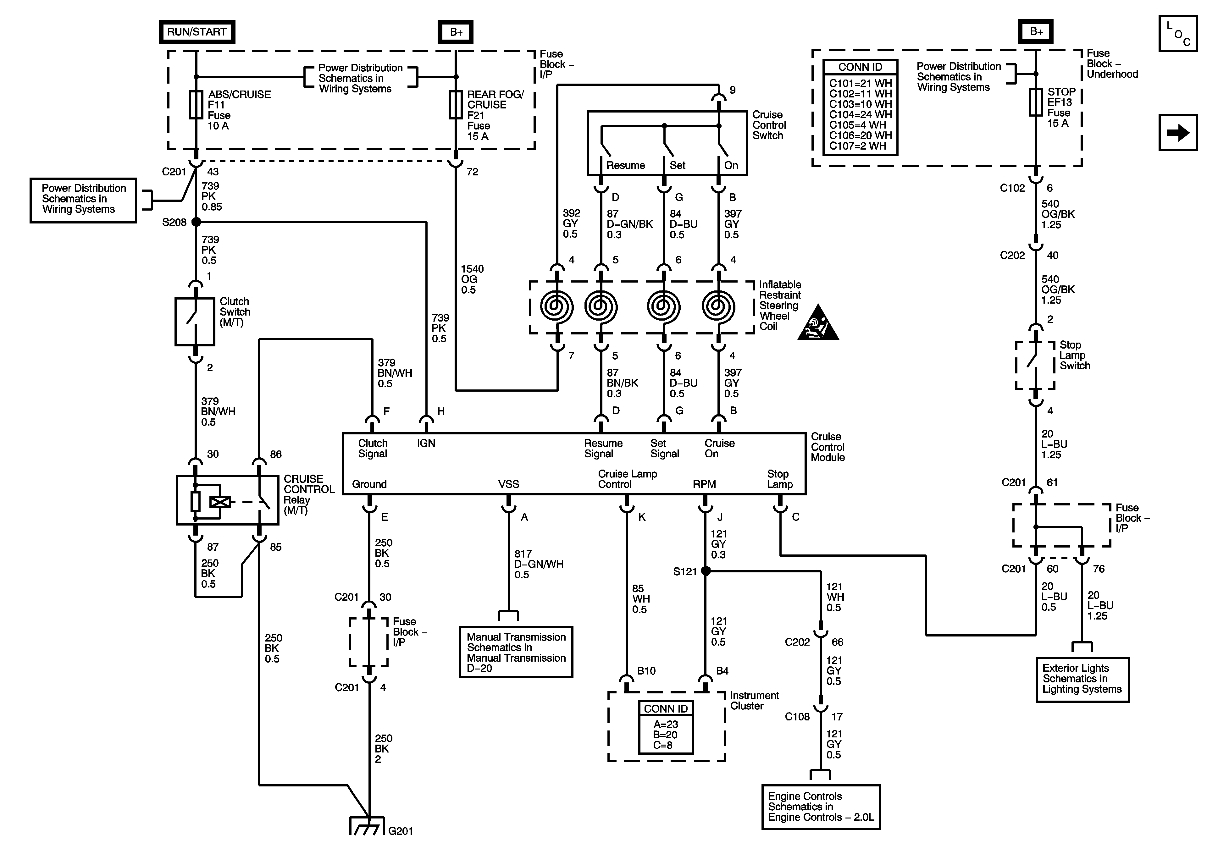
Cruise Control Schematic Icons
Vehicle Speed Sensor (VSS)
Stop Lamps (Notchback)
Module Power, Ground, Serial Data, Malfunction Indicator Lamp (MIL)