GM Service Manual Online
For 1990-2009 cars only
Makes
🢒
Chevrolet
🢒
2004
🢒
Aveo
🢒 Automatic Transmission
Automatic Transmission
Automatic Transmission
Master Electrical Component List
Manual Transmission
I/P Fuse Block - ABS, IMMOBILIZER, WPR, AND TRN SIG LAMPS Fuses
Underhood Fuse Block - BATT PWR, IGN 1 and IGN 2 Fuses, Ignition Switch, I/P Fuse Block - RADIO, IMMOBILIZER, DLC, AUTO A/C, HAZARD LAMPS, RKE, TCM, and REAR FOG/CRUISE Fuses
Underhood Fuse Block - IP FUSE, DR/LOCK and STOP LAMPS Fuses
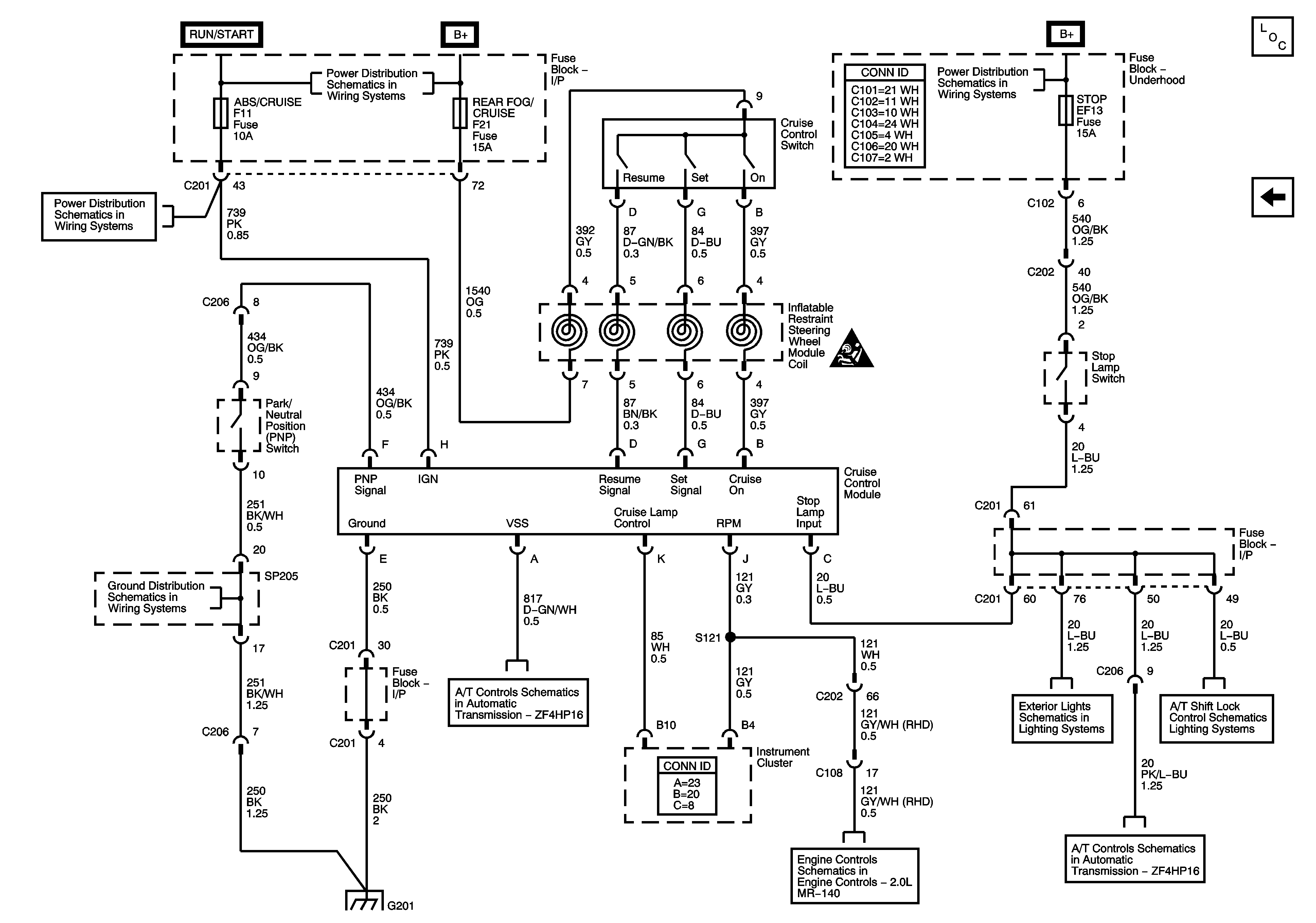
Cruise Control Schematic Icons
G201
Vehicle Speed Signal
Module Power, Ground, Serial Data, Malfunction Indicator Lamp (MIL)
Stop Lamps (Notchback)
Shift Lock Control - w/ Ignition Lock Cylinder Control Actuator
Shift and Pressure Control Solenoids