GM Service Manual Online
For 1990-2009 cars only
Figure 1:

Module Power, Ground, Serial Data, and MIL


Object Number: 1376500  Size: FS
Master Electrical Component List
Engine Data Sensors - Pressure and Temperature
Engine Controls Schematic Icons
Underhood Fuse Block - I/P Fuses, I/P Fuse Block - HORN, STOPLAMP, METER HAZARD, DOOR LOCK RKE, ECM, TCM, and CLOCK AUDIO Fuses
Underhood Fuse Block - IGN 2 Fuse, Ignition Switch, I/P Fuse Block - DIS INJECTOR, ECM TCM, WIPER WASHER, and HVAC BLOWER Fuses
Underhood Fuse Block - I/P Fuses, I/P Fuse Block - HORN, STOPLAMP, METER HAZARD, DOOR LOCK RKE, ECM, TCM, and CLOCK AUDIO Fuses
Underhood Fuse Block - IGN 2 Fuse, Ignition Switch, I/P Fuse Block - DIS INJECTOR, ECM TCM, WIPER WASHER, and HVAC BLOWER Fuses
Underhood Fuse Block - IGN 2 Fuse, Ignition Switch, I/P Fuse Block - DIS INJECTOR, ECM TCM, WIPER WASHER, and HVAC BLOWER Fuses
G103 - MR 140
Module Power, Ground, Malfunction Indicator Lamp (MIF), Hold Lamp and Serial Data
DLC - 1.4L, 1.5L, 1l6L
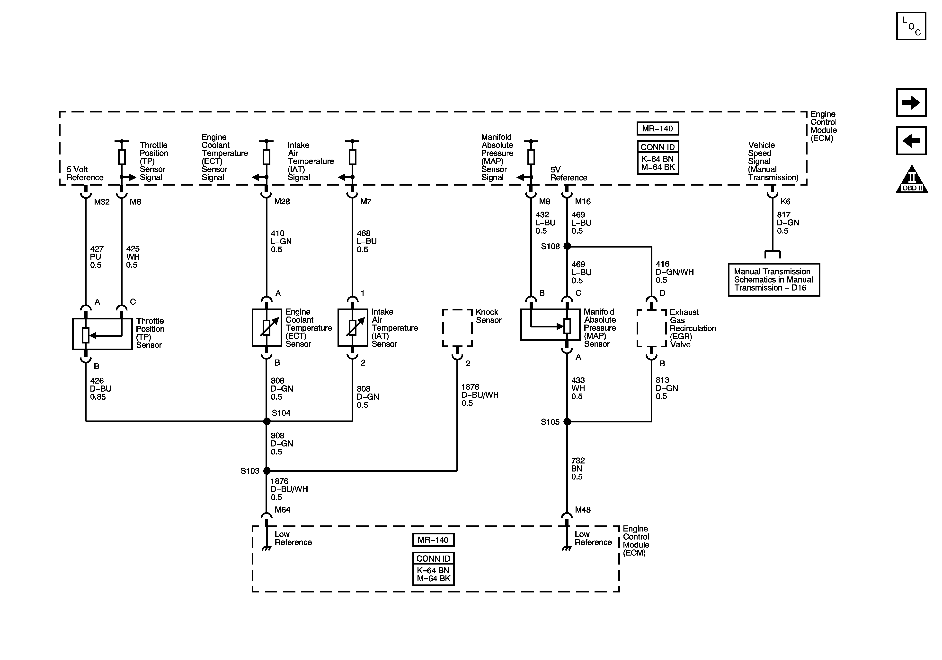
Figure 2:

Engine Data Sensors - Pressure and Temperature


Object Number: 1376501  Size: FS
Master Electrical Component List
Engine Data Sensors - Oxygen Sensors
Module Power, Ground, Serial Data, and MIL
Engine Controls Schematic Icons
Manual Transmission
Figure 3:

Oxygen Sensors


Object Number: 1630094  Size: FS
Master Electrical Component List
Ignition Controls - Ignition Systems
Engine Data Sensors - Pressure and Temperature
Engine Controls Schematic Icons
Underhood Fuse Block - IGN 2 Fuse, Ignition Switch, I/P Fuse Block - DIS INJECTOR, ECM TCM, WIPER WASHER, and HVAC BLOWER Fuses
Underhood Fuse Block - IGN 2 Fuse, Ignition Switch, I/P Fuse Block - DIS INJECTOR, ECM TCM, WIPER WASHER, and HVAC BLOWER Fuses
Underhood Fuse Block - IGN 2 Fuse, Ignition Switch, I/P Fuse Block - DIS INJECTOR, ECM TCM, WIPER WASHER, and HVAC BLOWER Fuses
Underhood Fuse Block - IGN 2 Fuse, Ignition Switch, I/P Fuse Block - DIS INJECTOR, ECM TCM, WIPER WASHER, and HVAC BLOWER Fuses
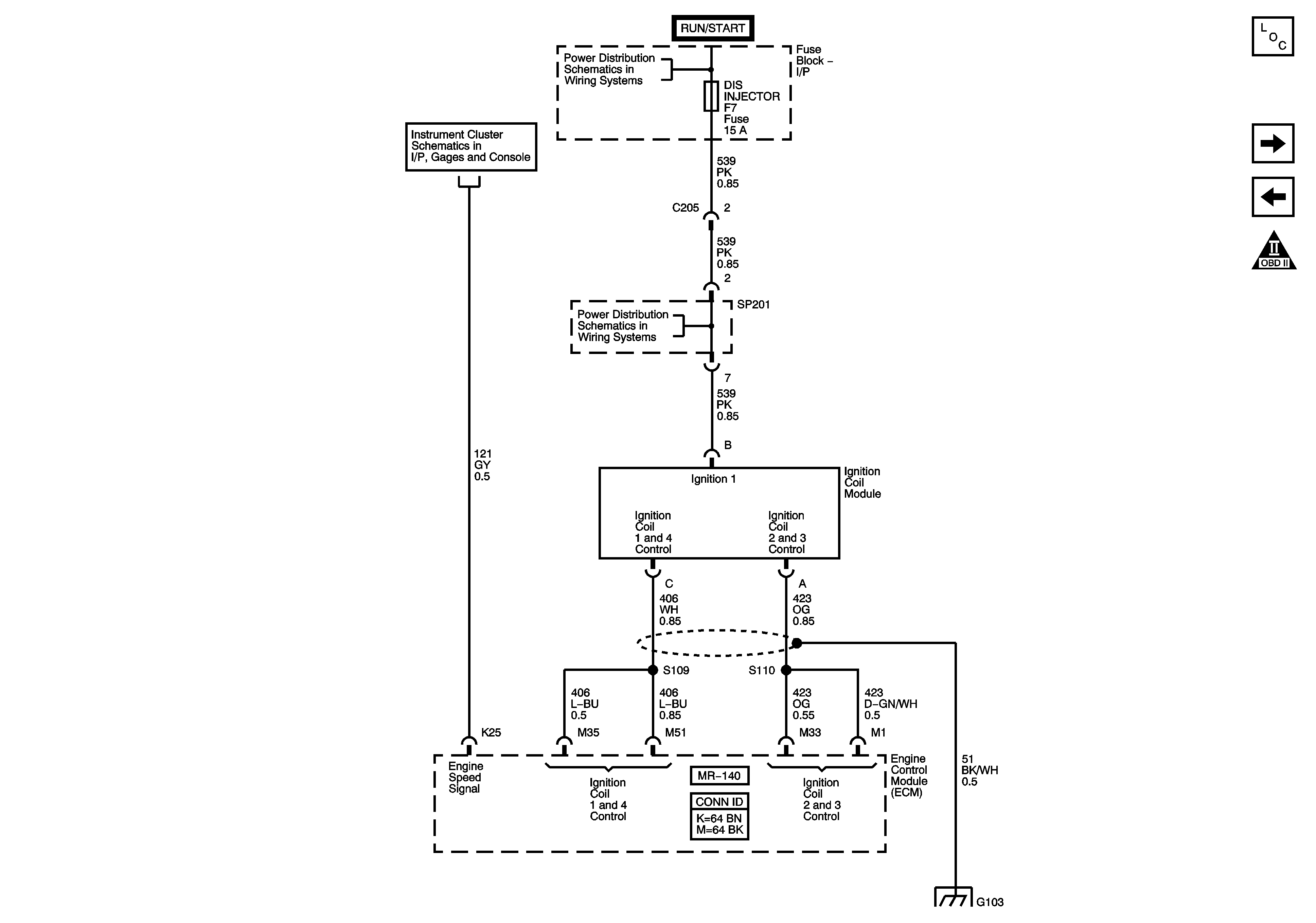
Figure 4:

Ignition System


Object Number: 1630096  Size: FS
Master Electrical Component List
Ignition Controls - Sensors
Engine Data Sensors - Oxygen Sensors
Engine Controls Schematic Icons
Underhood Fuse Block - IGN 2 Fuse, Ignition Switch, I/P Fuse Block - DIS INJECTOR, ECM TCM, WIPER WASHER, and HVAC BLOWER Fuses
Instrument Panel Gages (1.4L/1.6L)
Underhood Fuse Block - IGN 2 Fuse, Ignition Switch, I/P Fuse Block - DIS INJECTOR, ECM TCM, WIPER WASHER, and HVAC BLOWER Fuses
G103 - MR 140
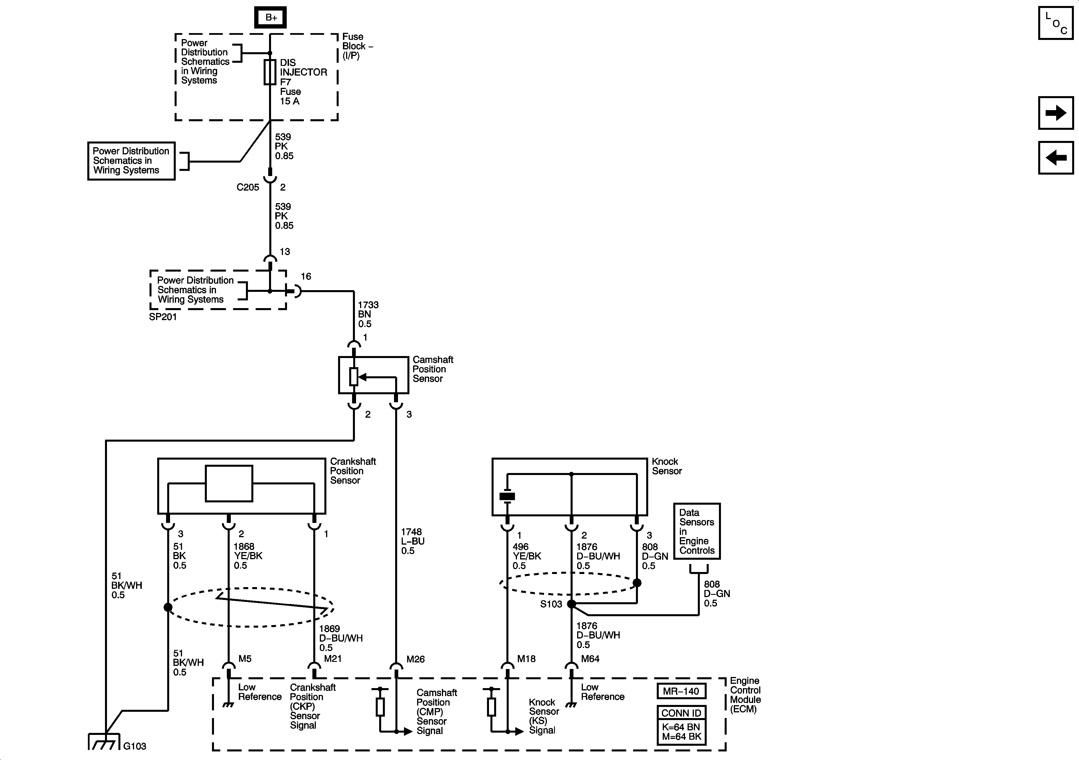
Figure 5:

CKP, CMP, KS, Rough Road Sensors


Object Number: 1376505  Size: FS
Master Electrical Component List
Fuel Controls - Fuel Pump Controls and Fuel Injectors
Ignition Controls - Ignition Systems
Underhood Fuse Block - IGN 2 Fuse, Ignition Switch, I/P Fuse Block - DIS INJECTOR, ECM TCM, WIPER WASHER, and HVAC BLOWER Fuses
Underhood Fuse Block - IGN 2 Fuse, Ignition Switch, I/P Fuse Block - DIS INJECTOR, ECM TCM, WIPER WASHER, and HVAC BLOWER Fuses
Underhood Fuse Block - IGN 2 Fuse, Ignition Switch, I/P Fuse Block - DIS INJECTOR, ECM TCM, WIPER WASHER, and HVAC BLOWER Fuses
Engine Data Sensors - Pressure and Temperature
Fuel Controls - EVAP Controls
G103 - MR 140
Figure 6:

Fuel Pump and Fuel Injectors


Object Number: 1630141  Size: FS
Master Electrical Component List
Fuel Controls - EVAP Controls
Ignition Controls - Sensors
Engine Controls Schematic Icons
Underhood Fuse Block - IGN 2 Fuse, Ignition Switch, I/P Fuse Block - DIS INJECTOR, ECM TCM, WIPER WASHER, and HVAC BLOWER Fuses
Underhood Fuse Block - POWER WINDOW, COOLING FAN LOW Relay, and MAIN RELAY (1.2L) and FUEL PUMP Fuses
Underhood Fuse Block - IGN 2 Fuse, Ignition Switch, I/P Fuse Block - DIS INJECTOR, ECM TCM, WIPER WASHER, and HVAC BLOWER Fuses
Underhood Fuse Block - IGN 2 Fuse, Ignition Switch, I/P Fuse Block - DIS INJECTOR, ECM TCM, WIPER WASHER, and HVAC BLOWER Fuses
Instrument Panel Gages (1.4L/1.6L)
G401 - Notchback
G102
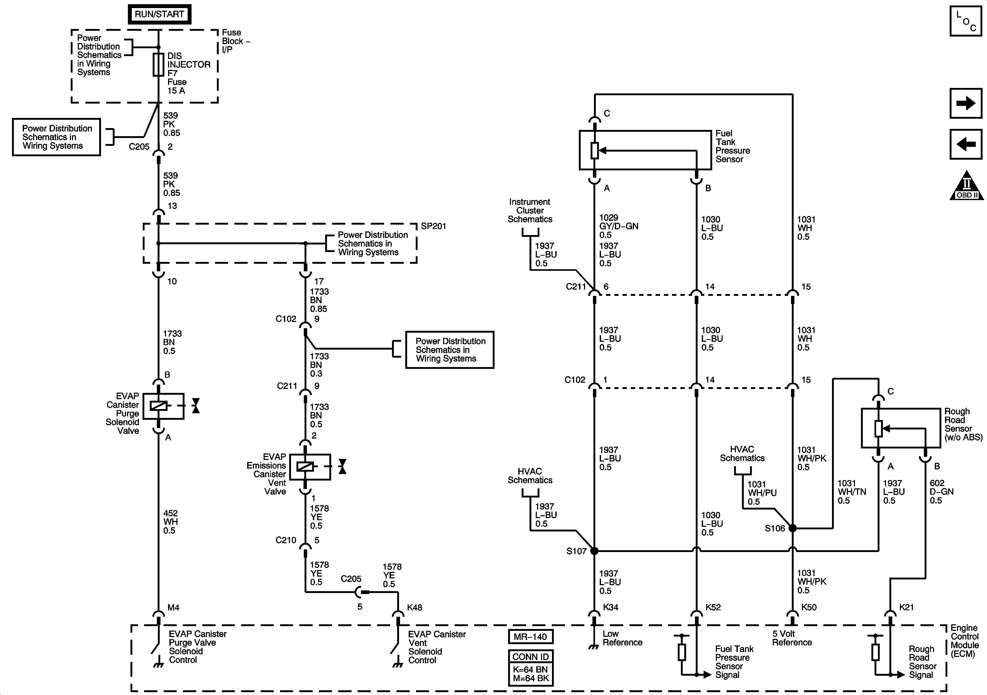
Figure 7:

EVAP Controls, FTP Sensor, A/C Refrigerant Pressure Sensor


Object Number: 1630164  Size: FS
Master Electrical Component List
Device Controls
Fuel Controls - Fuel Pump Controls and Fuel Injectors
Engine Controls Schematic Icons
Underhood Fuse Block - IGN 2 Fuse, Ignition Switch, I/P Fuse Block - DIS INJECTOR, ECM TCM, WIPER WASHER, and HVAC BLOWER Fuses
Underhood Fuse Block - IGN 2 Fuse, Ignition Switch, I/P Fuse Block - DIS INJECTOR, ECM TCM, WIPER WASHER, and HVAC BLOWER Fuses
Underhood Fuse Block - IGN 2 Fuse, Ignition Switch, I/P Fuse Block - DIS INJECTOR, ECM TCM, WIPER WASHER, and HVAC BLOWER Fuses
Underhood Fuse Block - IGN 2 Fuse, Ignition Switch, I/P Fuse Block - DIS INJECTOR, ECM TCM, WIPER WASHER, and HVAC BLOWER Fuses
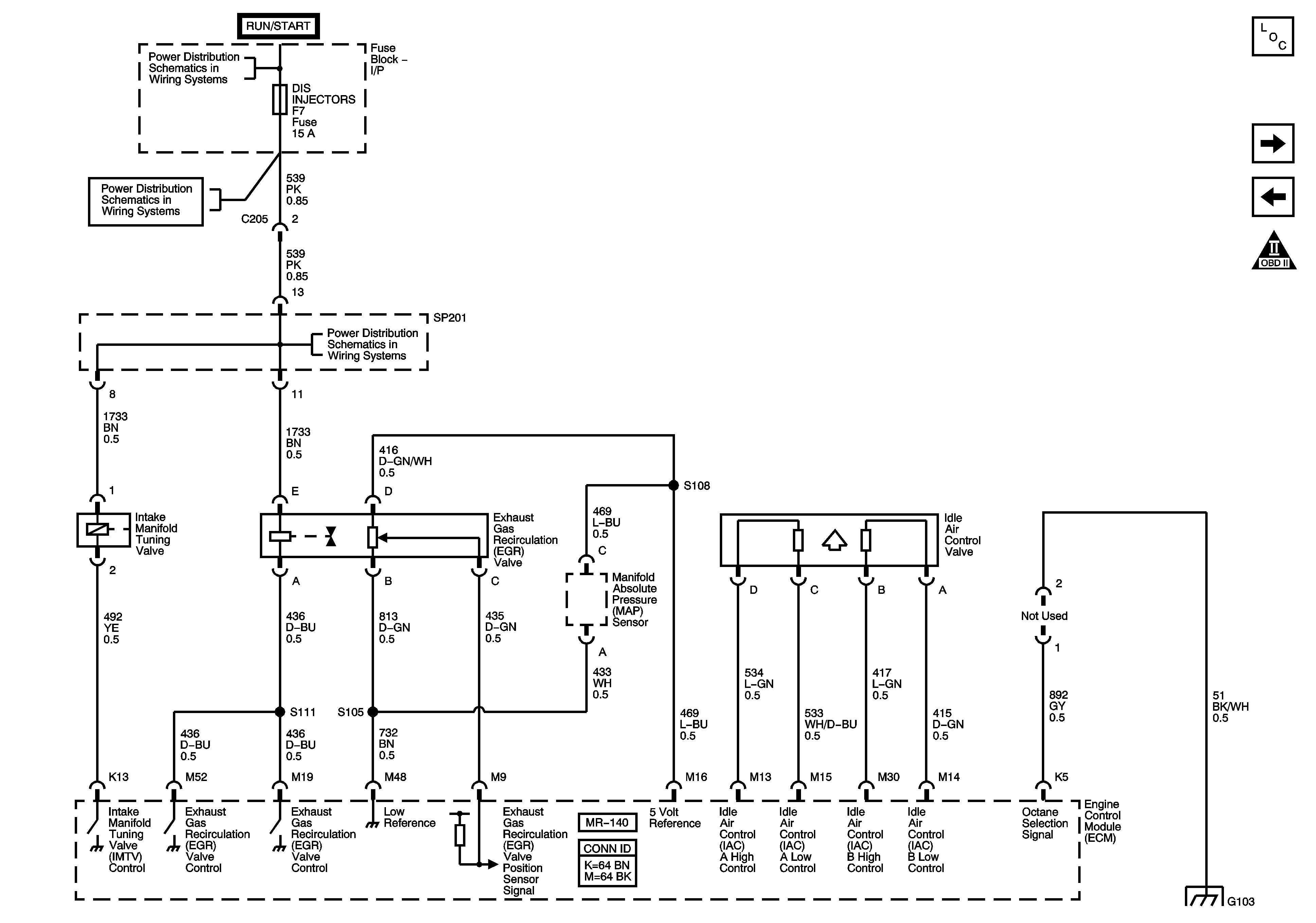
Figure 8:

EGR, IAC Valves, MAP Sensor, Intake Manifold Tuning Valve


Object Number: 1456590  Size: FS
Master Electrical Component List
Controlled/Monitored Subsystem References
Fuel Controls - EVAP Controls
Engine Controls Schematic Icons
Underhood Fuse Block - IGN 2 Fuse, Ignition Switch, I/P Fuse Block - DIS INJECTOR, ECM TCM, WIPER WASHER, and HVAC BLOWER Fuses
Underhood Fuse Block - IGN 2 Fuse, Ignition Switch, I/P Fuse Block - DIS INJECTOR, ECM TCM, WIPER WASHER, and HVAC BLOWER Fuses
Underhood Fuse Block - IGN 2 Fuse, Ignition Switch, I/P Fuse Block - DIS INJECTOR, ECM TCM, WIPER WASHER, and HVAC BLOWER Fuses
G103 - MR 140
Figure 9:

Controlled/Monitored Subsystem References


Object Number: 1630174  Size: FS
Master Electrical Component List
Device Controls
Engine Controls Schematic Icons
Audible Warnings
Instrument Panel Gages (1.4L/1.6L)
Single Cooling Fan (1.2L)
Blower Controls