GM Service Manual Online
For 1990-2009 cars only
Figure 1:

G101, G102, and G105


Object Number: 1456565  Size: FS
Master Electrical Component List
G102
G102
Figure 2:

G102


Object Number: 1456568  Size: FS
Master Electrical Component List
G103 - Sirius D4
G101, G102 and G105
G101, G102 and G105
Figure 3:

G103 - Sirius D4


Object Number: 1456560  Size: FS
Master Electrical Component List
G103 - MR 140
G102
Figure 4:

G103 - MR 140


Object Number: 1456575  Size: FS
Master Electrical Component List
G103 - HV 240
G103 - Sirius D4
Figure 5:

G103 - HV 240


Object Number: 1456573  Size: FS
Master Electrical Component List
G104
G103 - MR 140
Figure 6:

G104


Object Number: 1456571  Size: FS
Master Electrical Component List
G202 - 1 of 3
G103 - HV 240
Figure 7:

G202 1 of 3


Object Number: 1629886  Size: FS
Master Electrical Component List
G202 - 2 of 3
G104
G202 - 2 of 3
Figure 8:

G202 2 of 3


Object Number: 1456580  Size: FS
Master Electrical Component List
G201, G202 - 3 of 3
G202 - 1 of 3
G202 - 1 of 3
G201, G202 - 3 of 3
Figure 9:

G201 and G202 3 of 3


Object Number: 1629909  Size: FS
Master Electrical Component List
G301 (LHD)
G202 - 2 of 3
G202 - 2 of 3
Figure 10:

G301


Object Number: 1629911  Size: FS
Master Electrical Component List
G401 - Notchback
G201, G202 - 3 of 3
Figure 11:

G401 - Notchback


Object Number: 1456564  Size: FS
Master Electrical Component List
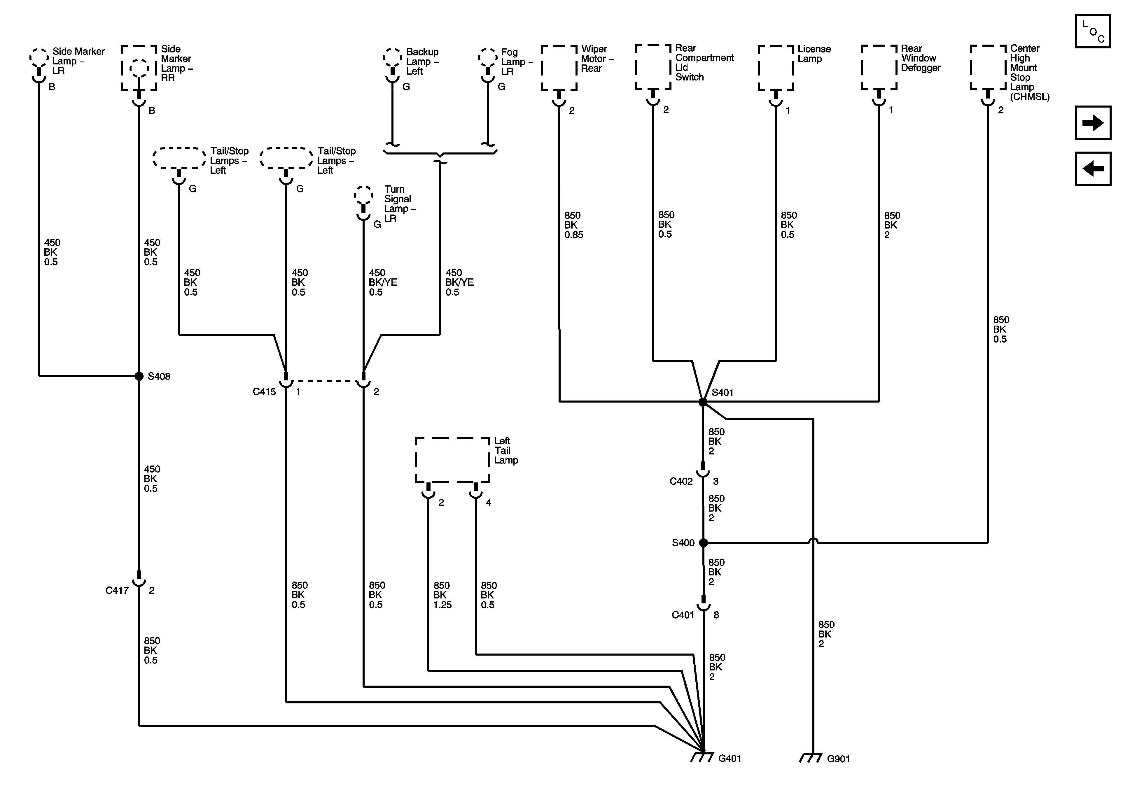
G401 - Hatchback, G901
G301 (LHD)
Figure 12:

G401 - Hatchback and G901


Object Number: 1456562  Size: FS
Master Electrical Component List
G402 - Hatchback and Notchback
G401 - Notchback
Figure 13:

G402 - Hatchback and Notchback


Object Number: 1456553  Size: FS
Master Electrical Component List
G401 - Hatchback, G901