GM Service Manual Online
For 1990-2009 cars only

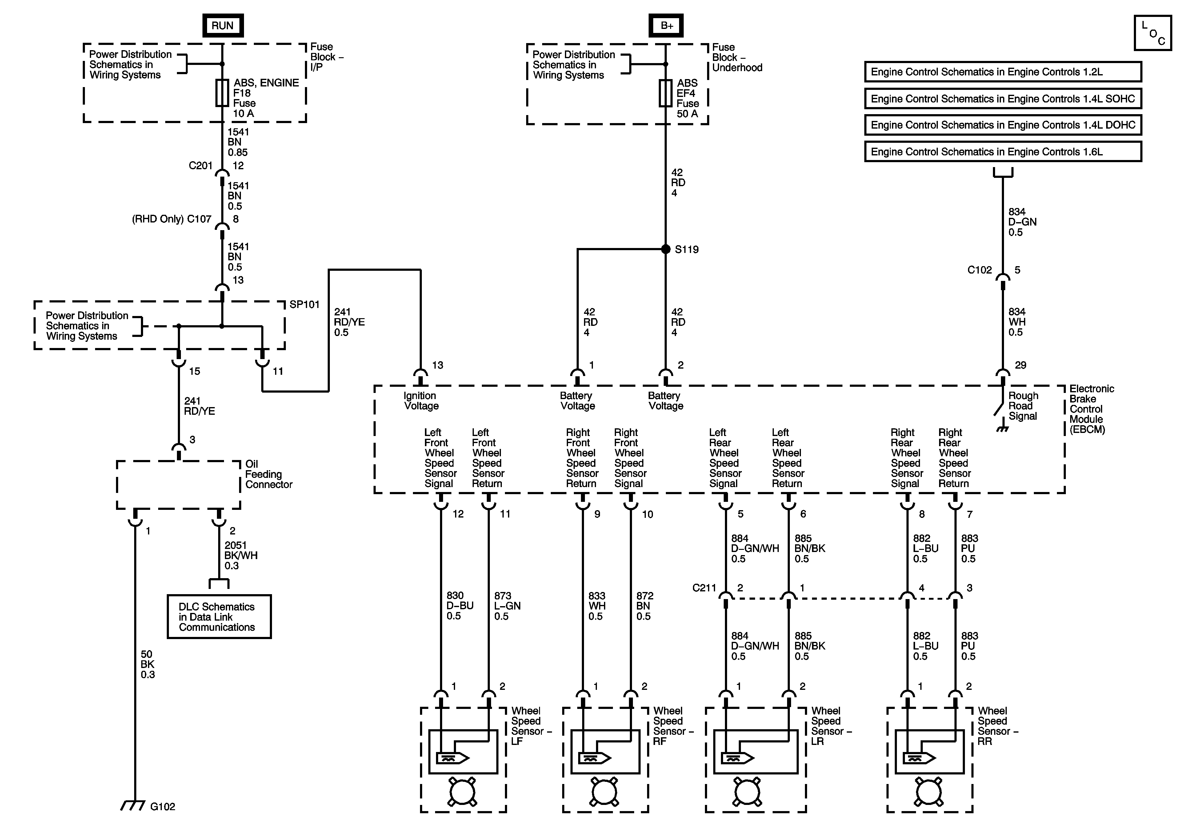
Antilock Brake System Schematics DBC7


Object Number: 1257892  Size: FS
Master Electrical Component List
Instrument Panel Fuse Block - ABS, ENGINE Fuse
Underhood Fuse Block - ABS, BLOWER, HORN, SUNROOF, DEFOG Fuses
Ignition Controls - Sensors
Ignition Controls - Sensors
Ignition Controls Sensors
Ignition Controls - Sensors
Ignition Controls - Sensors
Instrument Panel Fuse Block - ABS, ENGINE Fuse
DLC - 1.4L, 1.5L, 1l6L
G102

Antilock Brake System Schematics Mando

Figure 1:

Module Power, Ground, Data Link Connector (DLC) and Warning Lamps


Object Number: 1509917  Size: FS
Master Electrical Component List
Wheel Speed Sensors - Mando
Underhood Fuse Block - ABS, BLOWER, HORN, SUNROOF, DEFOG Fuses
Underhood Fuse Block - IGN 2 Fuse, Ignition Switch, I/P Fuse Block - DIS INJECTOR, ECM TCM, WIPER WASHER, and HVAC BLOWER Fuses
Underhood Fuse Block - IGN 2 Fuse, Ignition Switch, I/P Fuse Block - DIS INJECTOR, ECM TCM, WIPER WASHER, and HVAC BLOWER Fuses
Mando ABS - LHD
Ignition Controls - Sensors
Ignition Controls Sensors
Ignition Controls - Sensors
Stop Lamps CHMSL
DLC - 1.4L, 1.5L, 1l6L
G101, G102 and G105
Figure 2:

Wheel Speed Sensors


Object Number: 1509919  Size: FS
Master Electrical Component List
Module Power, Ground, Data Link Connector (DLC) and Warning Lamps - Mando