GM Service Manual Online
For 1990-2009 cars only
Makes
🢒
Chevrolet
🢒
2005
🢒
Aveo
🢒 Roof Courtesy Lamps
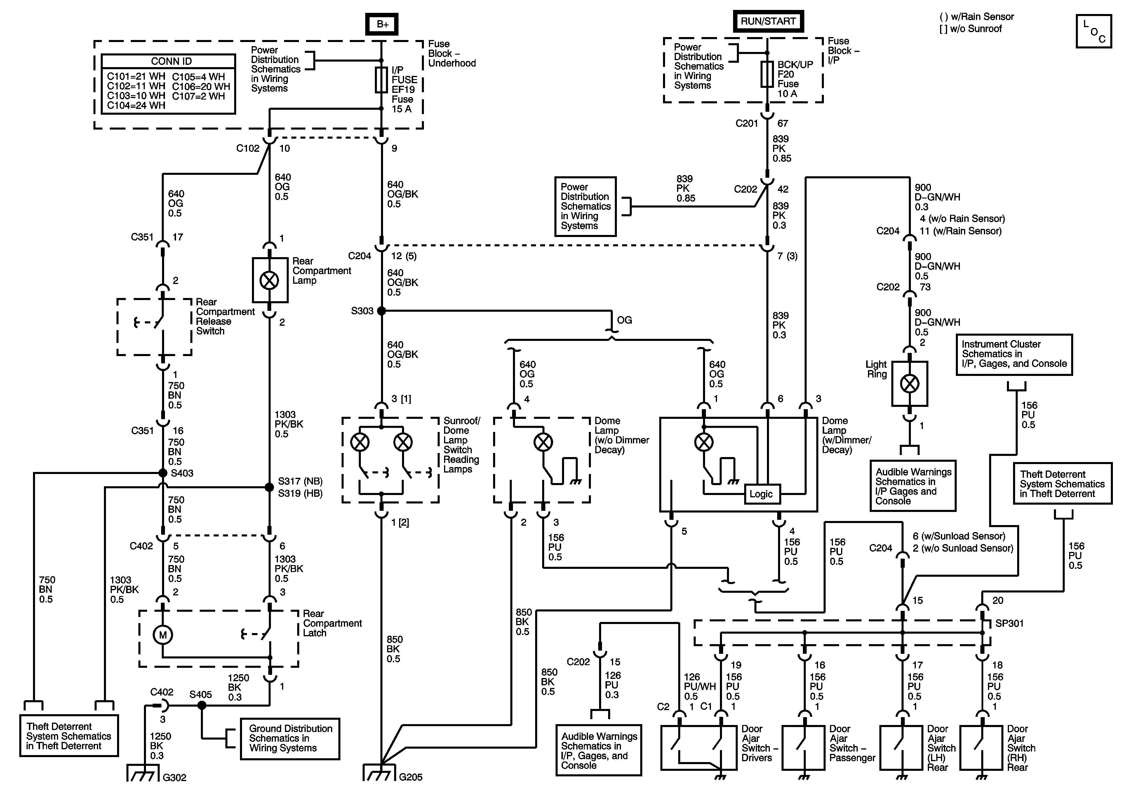
Roof Courtesy Lamps
Interior Lamps
Master Electrical Component List
Underhood Fuse Block - IP FUSE, DR/LOCK and STOP LAMPS Fuses
I/P Fuse Block - CLSTR, AIR BAG, BCK/UP, and ENG FUSE BOX DRL Fuses
I/P Fuse Block - CLSTR, AIR BAG, BCK/UP, and ENG FUSE BOX DRL Fuses
Power, Ground and Gages - 1.4L/1.6L
Audible Warnings Schematics
Remote Keyless Entry w/ Alarm
Remote Keyless Entry w/ Alarm
G302
G302
G205
Audible Warnings Schematics