GM Service Manual Online
For 1990-2009 cars only
Makes
🢒
Chevrolet
🢒
2005
🢒
Aveo
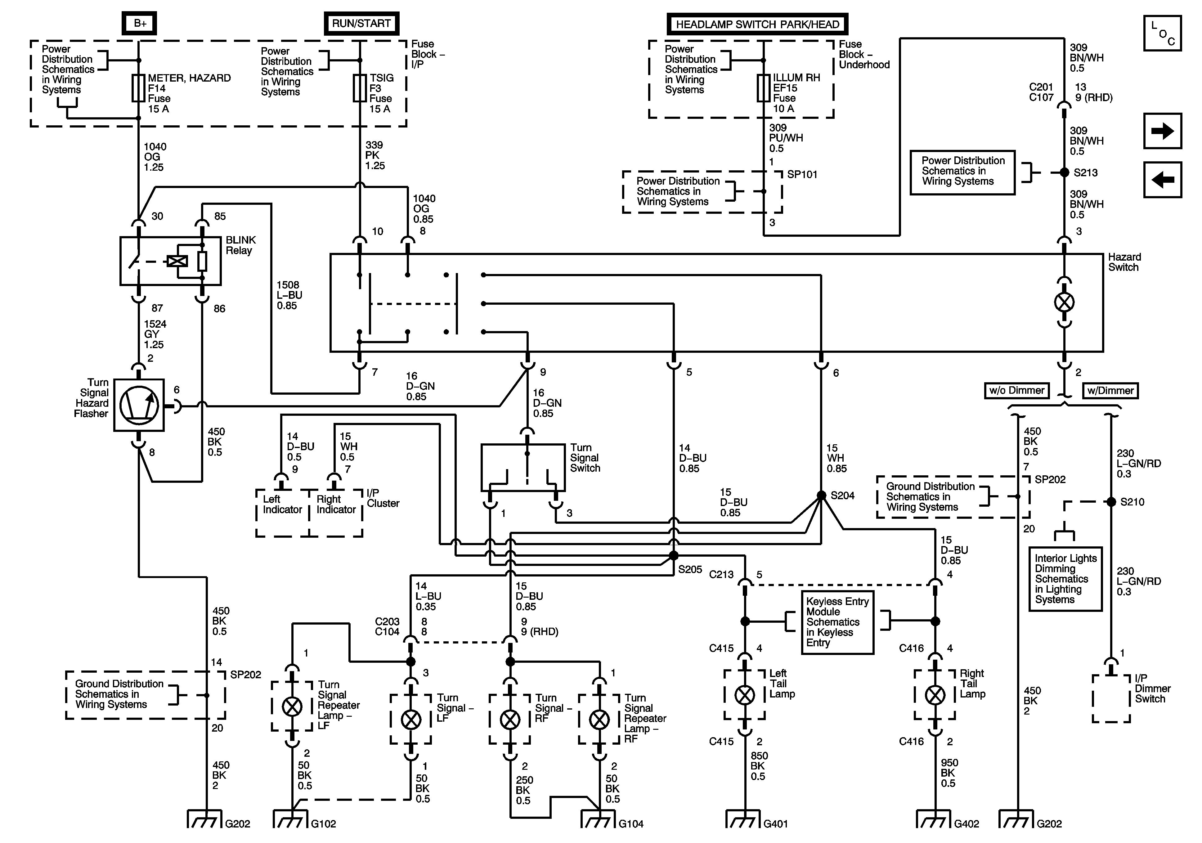
🢒 Turn Hazard Lamps
Turn Hazard Lamps
Turn Hazard Lamps
Master Electrical Component List
Backup Lamps
Stop Lamps CHMSL
Underhood Fuse Block - I/P Fuses, I/P Fuse Block - HORN, STOPLAMP, METER HAZARD, DOOR LOCK RKE, ECM, TCM, and CLOCK AUDIO Fuses
Underhood Fuse Block - IGN 1 Fuse, Ignition Switch, I/P Fuse Block - CIGAR JACK, AUDIO CLOCK, METER CLOCK, TSIG, BACKUP LAMP, and AIR BAG Fuses
Underhood Fuse Block - A/C COMP, HEADLAMP, H/L LOW RH. H/L LOW LH, H/L HI LH, H/L HI RH Fuses
Underhood Fuse Block - A/C COMP, HEADLAMP, H/L LOW RH. H/L LOW LH, H/L HI LH, H/L HI RH Fuses
Underhood Fuse Block - A/C COMP, HEADLAMP, H/L LOW RH. H/L LOW LH, H/L HI LH, H/L HI RH Fuses
G202 - 1 of 3
G202 - 1 of 3
Content Theft Deterentand Remote Keyless Entry Power and Ground
Interior Lights I/P w/Dimmer
G202 - 1 of 3
G101, G102 and G105
G104
G401 - Notchback
G402 - Hatchback and Notchback
G202 - 1 of 3