GM Service Manual Online
For 1990-2009 cars only
Makes
🢒
Chevrolet
🢒
2007
🢒
Aveo HB
🢒
Body Systems
🢒
Wipers and Washers
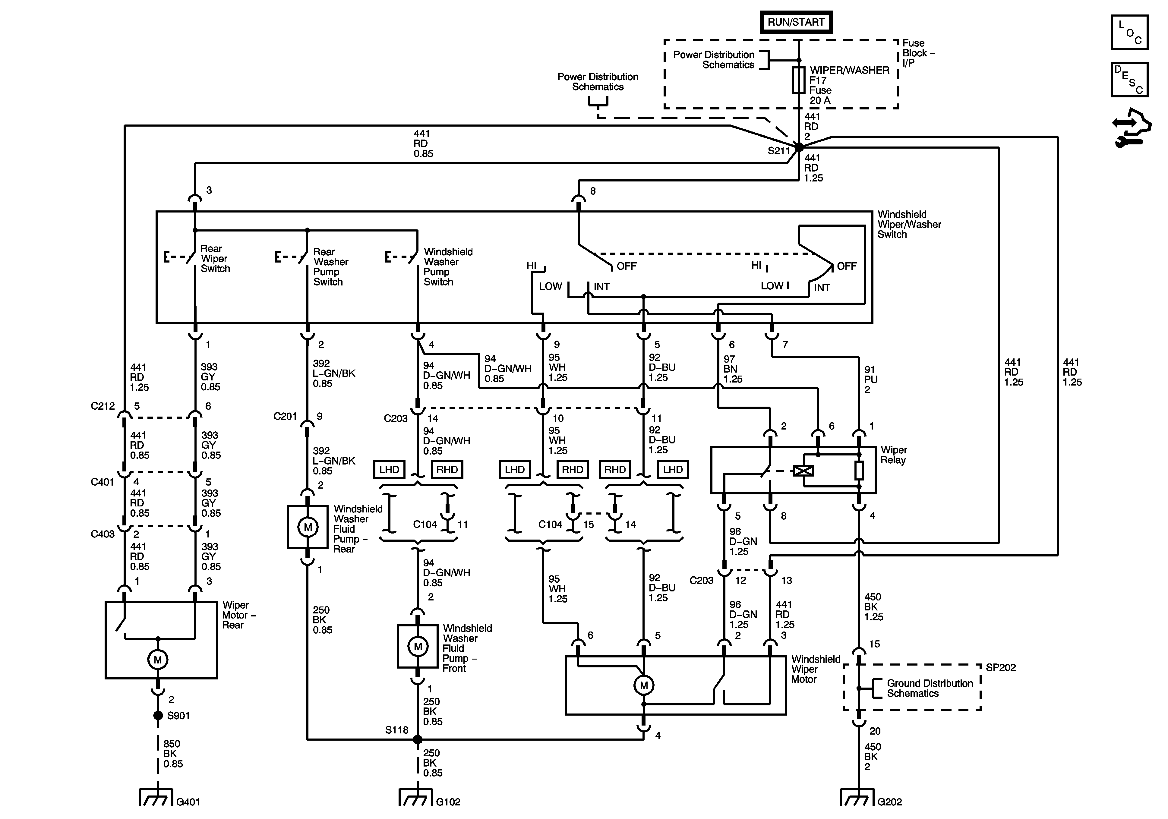
🢒 Wiper/Washer Schematics
Wiper/Washer Schematics Notchback
Master Electrical Component List (Notchback)
Rear Wiper/Washer System Description and Operation
Control Module References
G102
Wiper/Washer Schematics Hatchback
Master Electrical Component List (Hatchback)
Rear Wiper/Washer System Description and Operation
Control Module References
Battery Feed
Battery Feed
Ground Distribution - G101, G102, G105
Ground Distribution G401
Ground Distribution G101, G102 - 1 of 2 and G105
Ground Distribution G202 - 1 of 3