GM Service Manual Online
For 1990-2009 cars only
Makes
🢒
Chevrolet
🢒
2007
🢒
Aveo HB
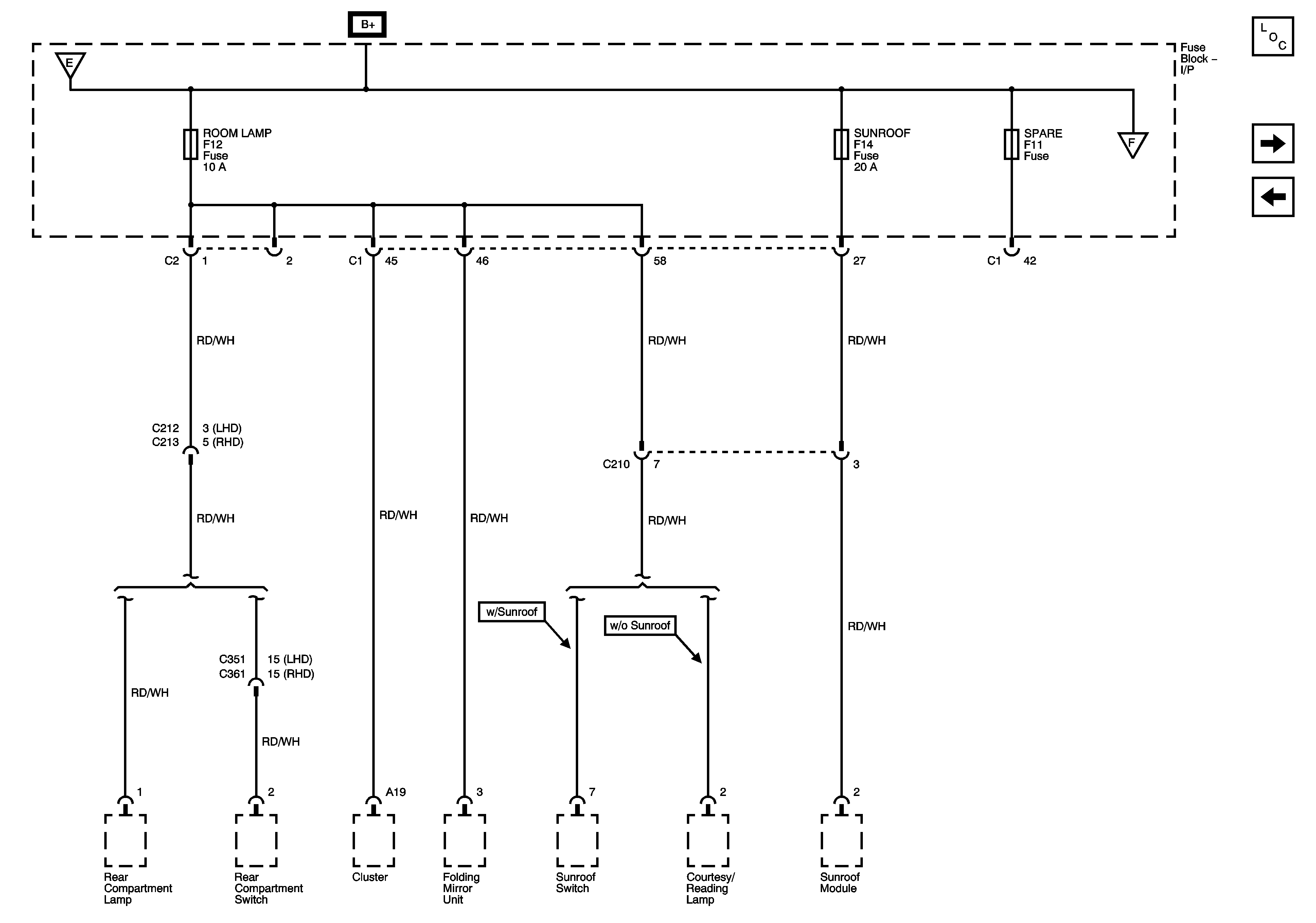
🢒 ROOM LAMP, SUNROOF, SPARE Fuses
ROOM LAMP, SUNROOF, SPARE Fuses
ROOM LAMP, SUNROOF, SPARE Fuses
Master Electrical Component List (Notchback)
AUDIO/RKE, DEFOGGER, DEFOG MIRROR Fuses
Headlamp, Fog Lamp Relays and Fuses, BATT Fuse
Headlamp, Fog Lamp Relays and Fuses, BATT Fuse
AUDIO/RKE, DEFOGGER, DEFOG MIRROR Fuses