GM Service Manual Online
For 1990-2009 cars only
Makes
🢒
Chevrolet
🢒
2007
🢒
Aveo HB
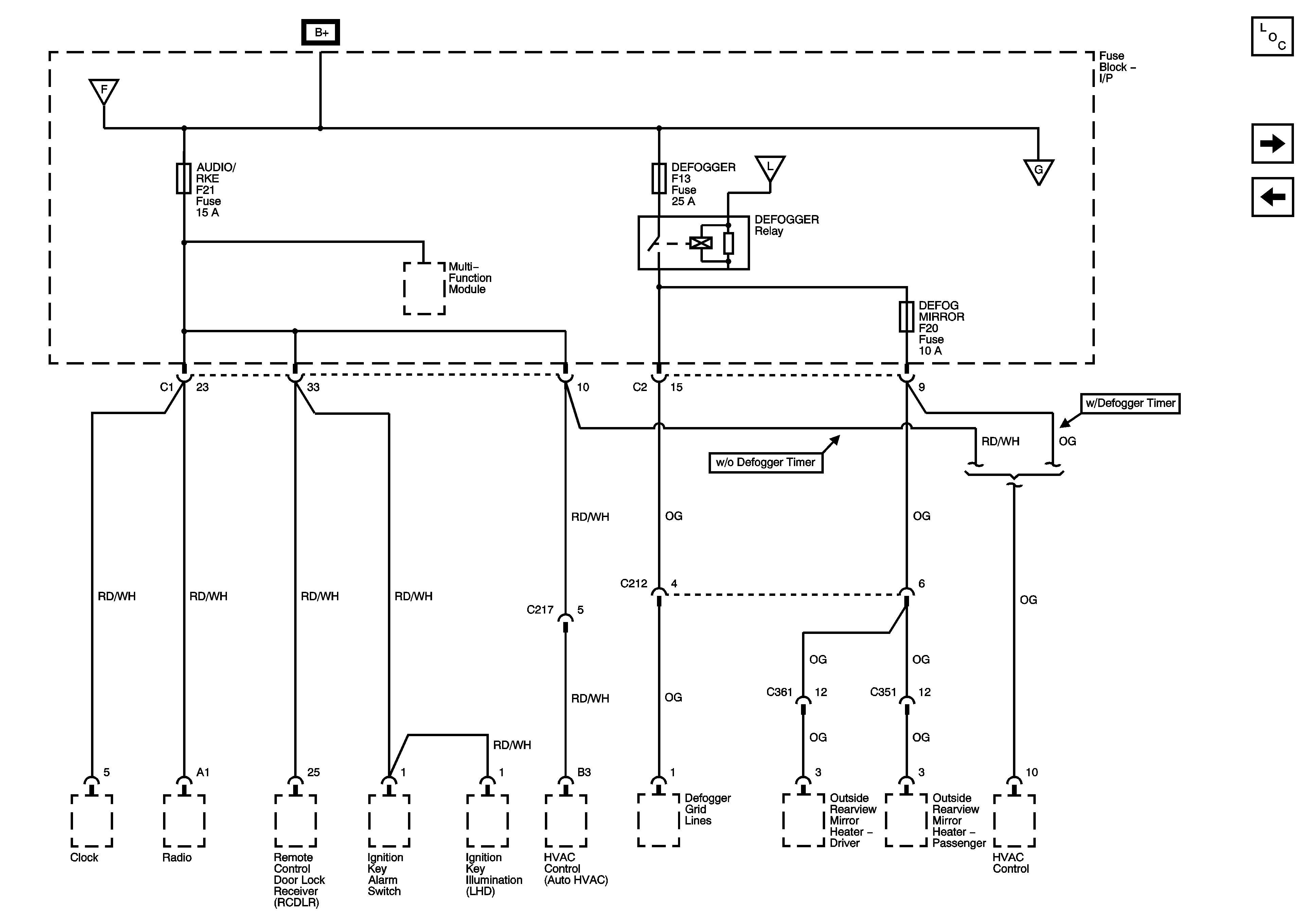
🢒 AUDIO/RKE, DEFOGGER, DEFOG MIRROR Fuses
AUDIO/RKE, DEFOGGER, DEFOG MIRROR Fuses
AUDIO RKE, DEFOGGER, DEFOG MIRROR Fuses
Master Electrical Component List (Notchback)
HORN, WIPER, DOOR LOCK, RR FOG Fuses and Relays
ROOM LAMP, SUNROOF, SPARE Fuses
ROOM LAMP, SUNROOF, SPARE Fuses
HORN, WIPER, DOOR LOCK, RR FOG Fuses and Relays
ACC/IG 1 Fuse, Ignition Switch, B/UP LAMP, ELEC MIRROR Fuses