GM Service Manual Online
For 1990-2009 cars only
Makes
🢒
Chevrolet
🢒
2007
🢒
Aveo HB
🢒 Defogger
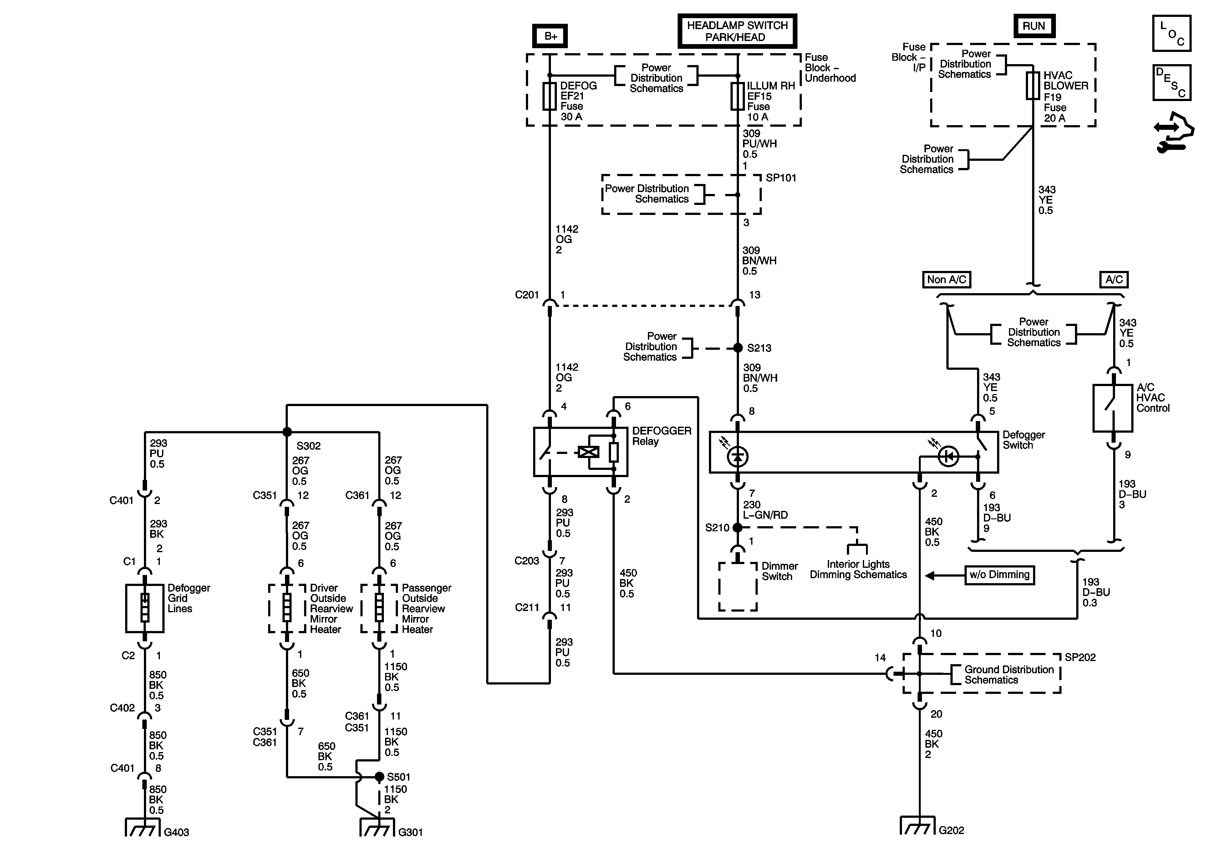
Defogger
Master Electrical Component List (Hatchback)
Stationary Window Description
Control Module References
Battery Feed
Battery Feed
Power Distribution Fuse EF20, ILLUM Relay, EF14 - 1 of and EF15
Power Distribution Ignition Switch and Fuses F6, 7 - 1 of 2, 17 and 18
Power Distribution Fuse EF20, ILLUM Relay, EF14 - 1 of and EF15
Lamp Control Module
Ground Distribution G202 - 2 of 3
Ground Distribution G401, G901
Ground Distribution G301
Ground Distribution G202 - 1 of 3