GM Service Manual Online
For 1990-2009 cars only
Makes
🢒
Chevrolet
🢒
2007
🢒
Aveo HB
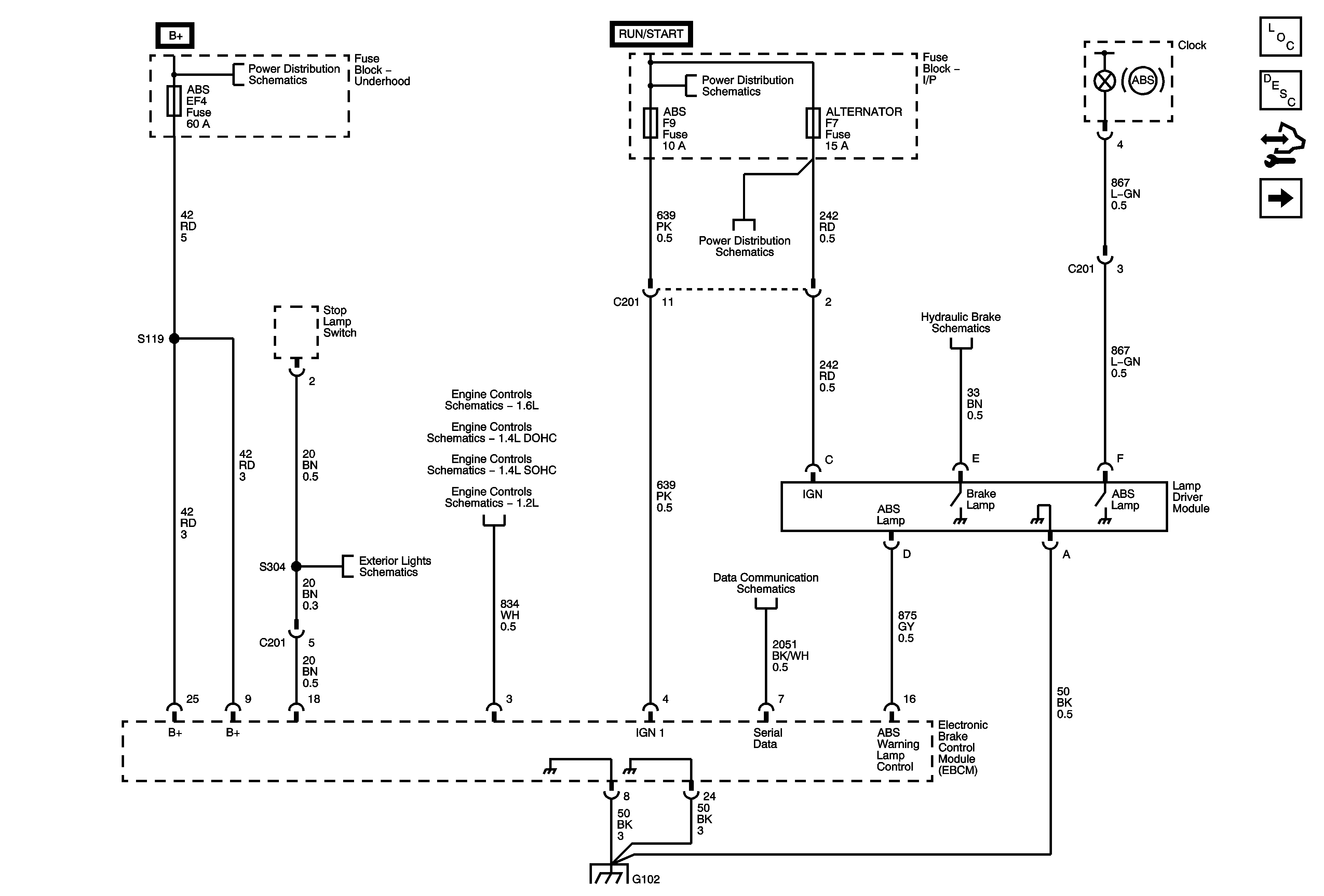
🢒 ABS Power, Ground and Inputs
ABS Power, Ground and Inputs
Power, Ground and Inputs
Master Electrical Component List Hatchback
ABS Description and Operation
Control Module References
ABS Wheel Speed Sensor
Battery Feed
Power Distribution Ignition Switch and Fuses F6, 7 - 1 of 2, 17 and 18
Power Distribution Ignition Switch and Fuses F6, 7 - 1 of 2, 17 and 18
Hydraulic Brakes
Subsystem References
System References 1.4L DOHC
Subsystem References 1.4L SOHC
Ignition Sensors
Stop Lamps
Data Communications
Ground Distribution G101, G102 - 1 of 2 and G105