GM Service Manual Online
For 1990-2009 cars only
Makes
🢒
Chevrolet
🢒
2007
🢒
Aveo HB
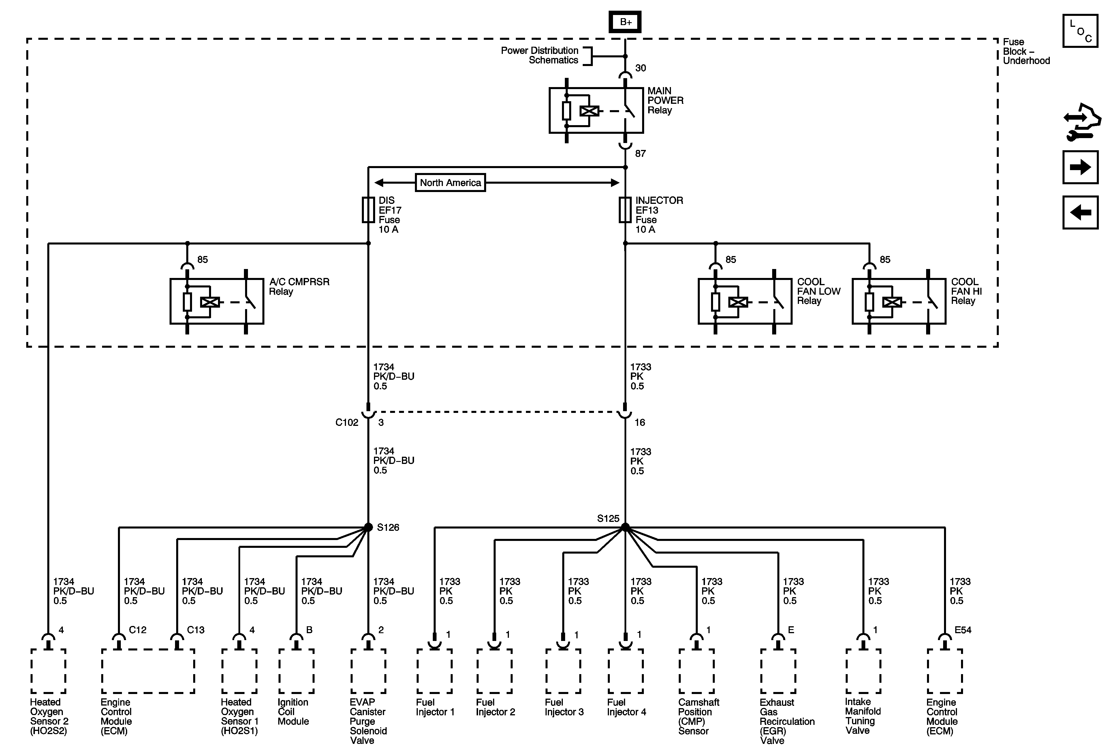
🢒 Underhood EF13 and EF17 Fuses
Underhood EF13 and EF17 Fuses
Fuse Block - Underhood EF13 and EF17 Fuses
Master Electrical Component List (Hatchback)
Control Module References
Power Distribution Fuse EF20, ILLUM Relay, EF14 - 1 of and EF15
Power Distribution Fuses EF4, 8, 11, 12 and 21
Battery Feed