GM Service Manual Online
For 1990-2009 cars only
Figure 1:

Cell 14: G109, G111, G112 and G113


Object Number: 375273  Size: FS
Power and Grounding Components
Cell 14: G110, G106, G107, G108 and G118
Figure 2:

Cell 14: G110, G106, G107, G108 and G118


Object Number: 375136  Size: FS
Antilock Brake System Connector End Views
Handling ESD Sensitive Parts Notice
SIR Handling Caution
Handling ESD Sensitive Parts Notice
Power and Grounding Components
Cell 14: G102 (Except Envoy)
Cell 14: G109, G111, G112 and G113
Figure 3:

Cell 14: G102 (Except Envoy)


Object Number: 375275  Size: FS
Power and Grounding Connector End Views
Power and Grounding Components
Cell 14: G102 (Envoy Only)
Cell 14: G110, G106, G107, G108 and G118
Figure 4:

Cell 14: G102 (Envoy Only)


Object Number: 382284  Size: FS
Power and Grounding Components
Cell 14: Body Relay Block and Underhood Fuse Block
Cell 14: G102 (Except Envoy)
Power and Grounding Connector End Views
Figure 5:

Cell 14: Body Relay Block and Underhood Fuse Block


Object Number: 375279  Size: FS
Handling ESD Sensitive Parts Notice
Driver Information Systems Connector End Views
Handling ESD Sensitive Parts Notice
Transfer Case Control Connector End Views
Handling ESD Sensitive Parts Notice
Handling ESD Sensitive Parts Notice
Handling ESD Sensitive Parts Notice
Antilock Brake System Connector End Views
Power and Grounding Components
Cell 14: G103 and G105 (2.2L)
Cell 14: G102 (Envoy Only)
Handling ESD Sensitive Parts Notice
Power and Grounding Connector End Views
Cell 14: G103 and G105 (2.2L)
Cell 14: G103 and G105 (4.3L)
Figure 6:

Cell 14: G103 and G105 (2.2L)


Object Number: 375281  Size: FS
Handling ESD Sensitive Parts Notice
Powertrain Control Module Connector End Views
Engine Controls Connector End Views
Handling ESD Sensitive Parts Notice
Tilt Wheel/Column Connector End Views
Cell 14: Body Relay Block and Underhood Fuse Block
Power and Grounding Components
Cell 14: G103 and G105 (4.3L)
Cell 14: Body Relay Block and Underhood Fuse Block
Figure 7:

Cell 14: G103 and G105 (4.3L)


Object Number: 375282  Size: FS
VCM Connector End Views
Tilt Wheel/Column Connector End Views
Handling ESD Sensitive Parts Notice
Handling ESD Sensitive Parts Notice
Cell 14: Body Relay Block and Underhood Fuse Block
Power and Grounding Components
Cell 14: G104 and G117
Cell 14: G103 and G105 (2.2L)
Figure 8:

Cell 14: G104 and G117


Object Number: 375283  Size: FS
Handling ESD Sensitive Parts Notice
Power and Grounding Components
Cell 14: G203 and G204 (Pickup)
Cell 14: G103 and G105 (4.3L)
Figure 9:

Cell 14: G203 and G204 (Pickup)


Object Number: 375287  Size: FS
Handling ESD Sensitive Parts Notice
Power and Grounding Components
Cell 14: G203 and G204 (Utility w/ Manual A/C)
Cell 14: G104 and G117
Entertainment Connector End Views
Handling ESD Sensitive Parts Notice
Transfer Case Control Connector End Views
Figure 10:

Cell 14: G203 and G204 (Utility w/ Manual A/C)


Object Number: 375290  Size: FS
Handling ESD Sensitive Parts Notice
Power and Grounding Components
Cell 14: G203 and G204 (Utility w/ Auto A/C)
Cell 14: G203 and G204 (Pickup)
Entertainment Connector End Views
Handling ESD Sensitive Parts Notice
HVAC Connector End Views
Transfer Case Control Connector End Views
Figure 11:

Cell 14: G203 and G204 (Utility w/ Auto A/C)


Object Number: 375292  Size: FS
Handling ESD Sensitive Parts Notice
Power and Grounding Components
Cell 14: G203 and G204 (Envoy)
Cell 14: G203 and G204 (Utility w/ Manual A/C)
Entertainment Connector End Views
Handling ESD Sensitive Parts Notice
Transfer Case Control Connector End Views
Handling ESD Sensitive Parts Notice
Figure 12:

Cell 14: G203 and G204 (Envoy)


Object Number: 375293  Size: FS
Handling ESD Sensitive Parts Notice
Power and Grounding Components
Cell 14: G205 and G206 (Utility)
Cell 14: G203 and G204 (Utility w/ Auto A/C)
Handling ESD Sensitive Parts Notice
Entertainment Connector End Views
Handling ESD Sensitive Parts Notice
Transfer Case Control Connector End Views
Figure 13:

Cell 14: G205 and G206 (Utility)


Object Number: 375295  Size: FS
Entertainment Connector End Views
Transfer Case Control Connector End Views
Power and Grounding Components
Cell 14: G206 (Except Base Pickup)
Cell 14: G203 and G204 (Envoy)
Figure 14:

Cell 14: G206 (Except Base Pickup)


Object Number: 375286  Size: FS
Entertainment Connector End Views
Entertainment Connector End Views
Power and Grounding Components
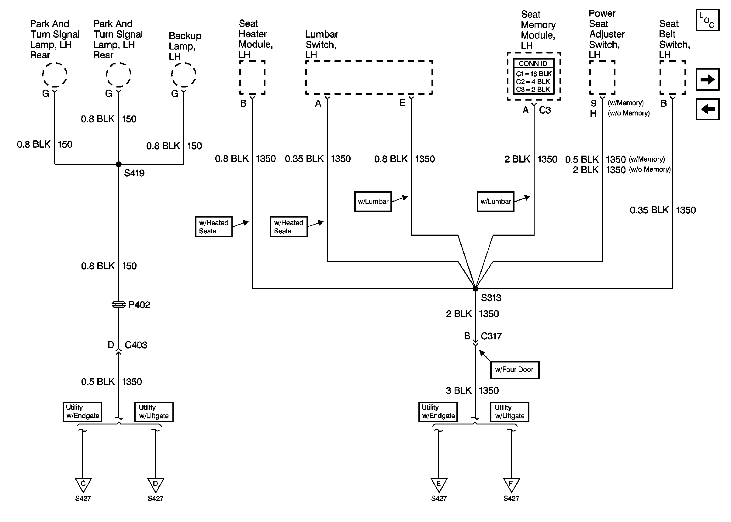
Cell 14: S313 and S419
Cell 14: G205 and G206 (Utility)
Figure 15:

Cell 14: S313 and S419


Object Number: 375303  Size: FS
Power Seat Connector End Views
Cell 14: G420 and G450 (Utility w/ Liftgate)
Cell 14: G420 and G450 (Utility w/ Endgate)
Cell 14: G420 and G450 (Utility w/ Endgate)
Cell 14: G420 and G450 (Utility w/ Liftgate)
Power and Grounding Components
Cell 14: S320 and S420
Cell 14: G206 (Except Base Pickup)
Figure 16:

Cell 14: S320 and S420


Object Number: 375312  Size: FS
Cell 14: G420 and G450 (Utility w/ Endgate)
Cell 14: G420 and G450 (Utility w/ Liftgate)
Cell 14: G420 and G450 (Utility w/ Endgate)
Cell 14: G420 and G450 (Utility w/ Liftgate)
Power and Grounding Components
Cell 14: G420 and G450 (Utility w/ Endgate)
Cell 14: S313 and S419
Figure 17:

Cell 14: G420 and G450 (Utility w/ Endgate)


Object Number: 375320  Size: FS
Cell 14: S313 and S419
Cell 14: S320 and S420
Cell 14: S313 and S419
Cell 14: S320 and S420
Power and Grounding Components
Cell 14: G420 and G450 (Utility w/ Liftgate)
Cell 14: S320 and S420
Figure 18:

Cell 14: G420 and G450 (Utility w/ Liftgate)


Object Number: 375418  Size: FS
Cell 14: S313 and S419
Cell 14: S313 and S419
Cell 14: S320 and S420
Cell 14: S320 and S420
Power and Grounding Components
Cell 14: G402, G422 and G475 (Fleetside Pickup)
Cell 14: G420 and G450 (Utility w/ Endgate)
Figure 19:

Cell 14: G402, G422 and G475 (Fleetside Pickup)


Object Number: 375328  Size: FS
Power and Grounding Components
Cell 14: G402, G422 and G475 (Sportside Pickup)
Cell 14: G420 and G450 (Utility w/ Liftgate)
Figure 20:

Cell 14: G402, G422 and G475 (Sportside Pickup)


Object Number: 375331  Size: FS
Power and Grounding Components
Cell 14: G402 (Utility)
Cell 14: G402, G422 and G475 (Fleetside Pickup)
Figure 21:

Cell 14: G402 (Utility)


Object Number: 375335  Size: FS
Power and Grounding Components
Cell 14: G202 (Pickup)
Cell 14: G402, G422 and G475 (Sportside Pickup)
Figure 22:

Cell 14: G202 (Pickup)


Object Number: 375360  Size: FS
Power Door Systems Connector End Views
Power and Grounding Components
Cell 14: S501 (Utility)
Cell 14: G402 (Utility)
Figure 23:

Cell 14: S501 (Utility)


Object Number: 375361  Size: FS
Power and Grounding Components
Cell 14: G202 (Utility)
Cell 14: G202 (Pickup)
Power Door Systems Connector End Views
Cell 14: G202 (Utility)
Figure 24:

Cell 14: G202 (Utility)


Object Number: 375363  Size: FS
Power and Grounding Components
Cell 14: G200, G201 and G207 (Pickup)
Cell 14: S501 (Utility)
Handling ESD Sensitive Parts Notice
Handling ESD Sensitive Parts Notice
Handling ESD Sensitive Parts Notice
Power Roof Systems Connector End Views
Cell 14: S501 (Utility)
Figure 25:

Cell 14: G200, G201 and G207 (Pickup)


Object Number: 375366  Size: FS
Power and Grounding Components
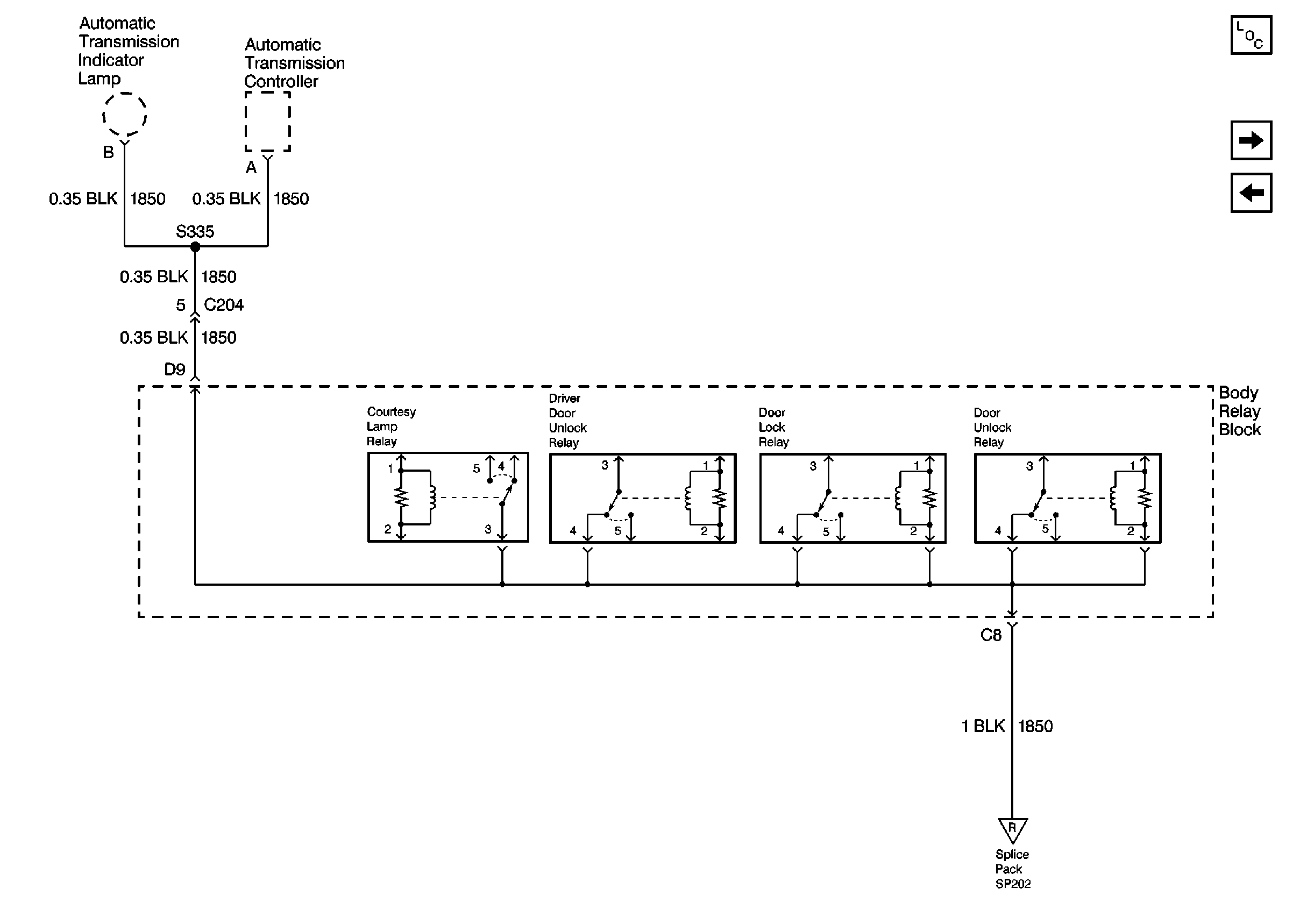
Cell 14: S335 and Body Relay Block
Cell 14: G202 (Utility)
Body Control System Connector End Views
Figure 26:

Cell 14: S335 and Body Relay Block


Object Number: 375380  Size: FS
Power and Grounding Components
Cell 14: G200, G201 and G207 (2-Door Utility w/ Endgate)
Cell 14: G200, G201 and G207 (Pickup)
Cell 14: G200, G201 and G207 (4-Door Utility w/ Liftgate)
Cell 14: G200, G201 and G207 (4-Door Utility w/ Endgate)
Cell 14: G200, G201 and G207 (2-Door Utility w/ Endgate)
Figure 27:

Cell 14: G200, G201 and G207 (2-Door Utility w/ Endgate)


Object Number: 375382  Size: FS
Body Control System Connector End Views
Cell 14: S335 and Body Relay Block
Power and Grounding Components
Cell 14: G200, G201 and G207 (4-Door Utility w/ Endgate)
Cell 14: S335 and Body Relay Block
Figure 28:

Cell 14: G200, G201 and G207 (4-Door Utility w/ Endgate)


Object Number: 375383  Size: FS
Handling ESD Sensitive Parts Notice
Cell 14: S335 and Body Relay Block
Power and Grounding Components
Cell 14: G202 (Utility)
Cell 14: G200, G201 and G207 (2-Door Utility w/ Endgate)
Figure 29:

Cell 14: G202 (Utility)


Object Number: 375386  Size: FS
Power and Grounding Components
Cell 14: G200, G201 and G207 (4-Door Utility w/ Liftgate)
Cell 14: G200, G201 and G207 (4-Door Utility w/ Endgate)
Power Door Systems Connector End Views
Figure 30:

Cell 14: G200, G201 and G207 (4-Door Utility w/ Liftgate)


Object Number: 375390  Size: FS
Handling ESD Sensitive Parts Notice
Body Control System Connector End Views
Cell 14: S335 and Body Relay Block
Power and Grounding Components
Cell 14: S335 and Body Relay Block (Envoy)
Cell 14: G202 (Utility)
Figure 31:

Cell 14: S335 and Body Relay Block (Envoy)


Object Number: 375394  Size: FS
Power and Grounding Components
Cell 14: G200, G201 and G207 (Envoy)
Cell 14: G200, G201 and G207 (4-Door Utility w/ Liftgate)
Cell 14: G200, G201 and G207 (Envoy)
Figure 32:

Cell 14: G200, G201 and G207 (Envoy)


Object Number: 375398  Size: FS
Power and Grounding Components
Cell 14: G470 (Envoy)
Cell 14: S335 and Body Relay Block (Envoy)
Handling ESD Sensitive Parts Notice
Body Control System Connector End Views
Cell 14: S335 and Body Relay Block (Envoy)
Figure 33:

Cell 14: G470 (Envoy)


Object Number: 375299  Size: FS
Power and Grounding Components
Cell 14: G200, G201 and G207 (Envoy)