GM Service Manual Online
For 1990-2009 cars only

System Description

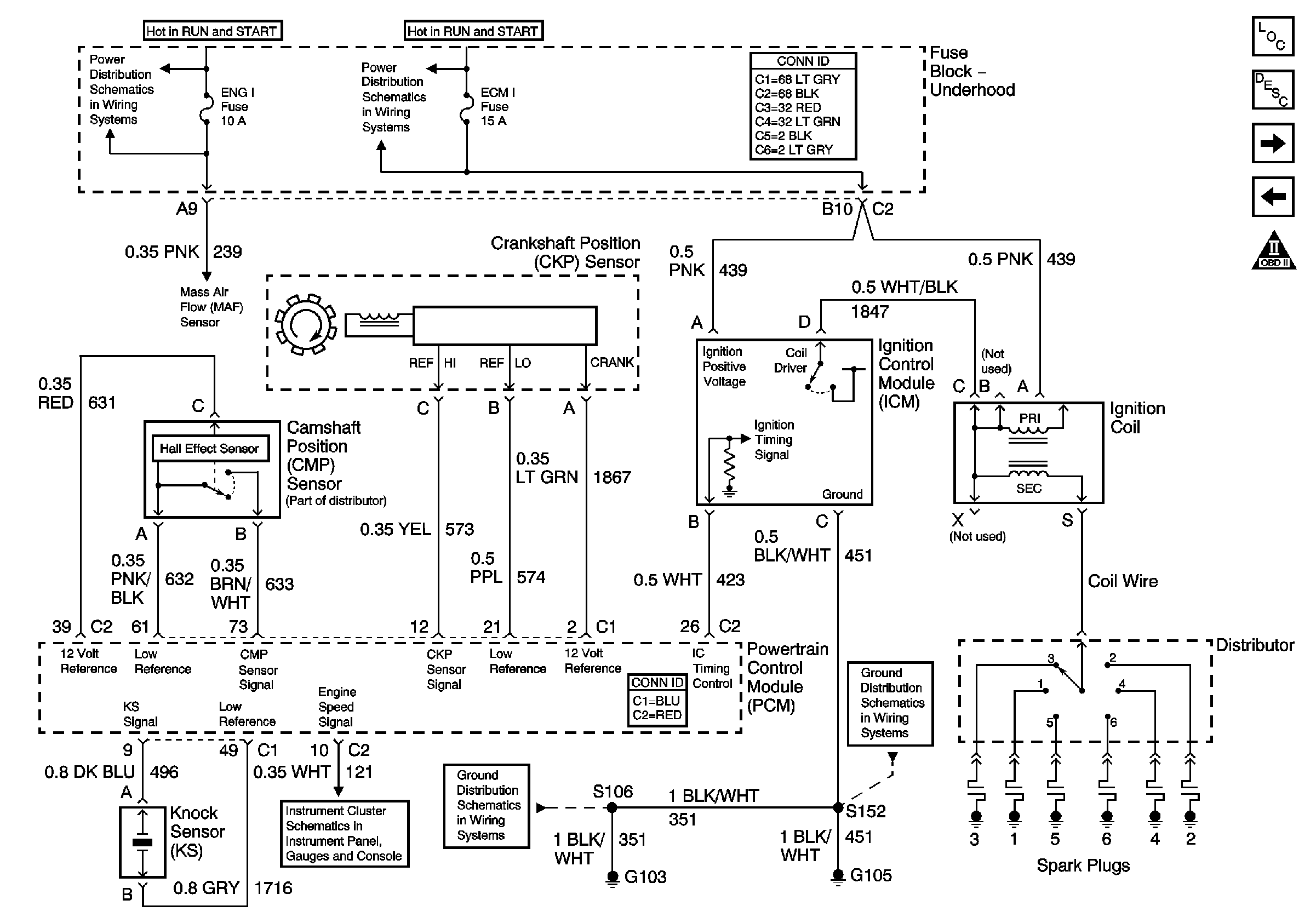
This system includes the distributor, the camshaft position (CMP) sensor , the ignition coil with the ignition control (IC) module, the secondary wires, the spark plugs, the knock sensors (KS), and the crankshaft position (CKP) sensor. The ignition system is controlled by the powertrain control module (PCM). The PCM monitors the information from various engine sensors, computes the desired spark timing, and controls the dwell and firing of the ignition coil via an IC line to the IC module.

Diagnostic Aids

Check the following when the distributor rotor does not rotate, while engine is cranking:

    • A broken distributor drive shaft
    • A worn distributor drive gear or camshaft timing chain and gears

An intermittent may be caused by any of the following conditions:

    • A poor connection
    • Rubbed through wire insulation
    • A broken wire inside the insulation

Thoroughly inspect any circuitry that is suspected of causing the intermittent complaint. Refer to Testing for Intermittent Conditions and Poor Connections in Wiring Systems.

If a repair is necessary, refer to Wiring Repairs or Connector Repairs in Wiring Systems.

Test Description

Important: The battery should be fully charged prior to any tests.

The numbers below refer to the step numbers on the diagnostic table.

  1. This step checks for proper spark output. The spark test requires a minimum of 25,000 volts to operate. This check can be used in case of an ignition miss, because the system may provide enough voltage to run the engine but not enough to operate a spark plug under heavy load.

  2. This test separates the distributor cap, rotor, and ignition wires from the ignition coil in order to help identify a secondary ignition system problem.

  3. This test checks the ignition control module, connections, and wiring.

  4. This test begins to determine if the PCM is providing a signal to the ignition control module. If the PCM is not providing a signal to the ignition control module, the problem exists between the ignition control module and the PCM.

  5. This test checks for a basic engine mechanical problem.

Step

Action

Value(s)

Yes

No

Schematic Reference:

Ignition Controls


Object Number: 669502  Size: FS
Master Electrical Component List
Powertrain Control Module Description
Fuel Pump Controls
Vehicle Speed Sensor (VSS)
OBD II Symbol Description Notice
Ign RUN and START Bus Bar
ECM I Fuse
MAF Sensor and IAC Valve
Indicators
G103 and G105 (4.3 L)
G103 and G105 (4.3 L)

1

Did you perform the Diagnostic System Check-Engine Controls?

--

Go to Step 2

Go to Diagnostic System Check - Engine Controls

2

  1. Crank the engine.
  2. Observe the Engine Speed parameter with the scan tool.

Does the scan tool display engine RPM?

--

Go to Step 3

Go to Step 19

3

  1. Check the spark plug wires for open circuits, cracks, or improper seating of terminals at the spark plugs, distributor, and ignition coil before proceeding with the test.
  2. Check spark at the plug with the J 26792 Spark Tester or equivalent while cranking. If there is no spark on one wire, check a second wire. A few sparks then nothing is considered no spark.

Does spark occur on all cylinders?

--

Go to Intermittent Conditions

Go to Step  4

4

  1. Remove the coil wire from the distributor cap.
  2. Insert the J 26792 into a coil wire and clamp the tester onto a ground.
  3. Crank the engine.

Does spark occur?

--

Go to Step 13

Go to Step 5

5

Measure the coil wire resistance.

Does the resistance measure approximately the specified value?

1,000 ohms/ft

Go to Step 6

Go to Step 32

6

  1. Disconnect the ignition coil harness connector.
  2. Probe the harness ignition coil driver circuit with a test lamp connected to battery positive voltage.
  3. Crank the engine.

Does the test lamp flash while cranking the engine?

--

Go to Step 8

Go to Step 7

7

  1. Turn OFF the ignition.
  2. Probe the harness ignition coil driver circuit with a test lamp connected to battery positive voltage.

Does the test lamp illuminate?

--

Go to Step 29

Go to Step 9

8

  1. Turn ON the ignition, with the engine OFF.
  2. Measure the coil ignition 1 voltage with a DMM connected to a ground.

Does the voltage measure above the specified value?

10.0 V

Go to Step 22

Go to Step 18

9

  1. Turn OFF the ignition.
  2. Check for an open or short to voltage between the ignition coil and the IC module.

Did you find the condition?

--

Go to Step 28

Go to Step 10

10

  1. Turn ON the ignition, with the engine OFF.
  2. Measure the ignition 1 voltage at the IC module harness connector with a DMM connected to a ground.

Does the voltage measure above the specified value?

10.0 V

Go to Step 11

Go to Step 20

11

Probe the IC module harness connector ground circuit with a test lamp connected to battery positive voltage.

Does the test lamp illuminate?

--

Go to Step 12

Go to Step 24

12

  1. Probe the IC timing control circuit with a DMM set to the AC scale connected to a ground.
  2. Crank the engine.
  3. Observe the voltage while the engine is being cranked.

Does the voltage measure within the specified values?

1.0-4.0 V

Go to Step 21

Go to Step 15

13

  1. Remove the distributor cap.
  2. Check the cap for the following conditions:
  3. • Cracks
    • Moisture
    • Carbon tracks
    • Physical damage
  4. For more in-depth procedures, refer to Distributor Inspection .

Did you find any of these conditions?

--

Go to Step 34

Go to Step 14

14

  1. Crank the engine.
  2. Observe the distributor rotor while the engine is being cranked.

Did the distributor rotor turn?

--

Go to Step 33

Go to Diagnostic Starting Point - Engine Mechanical in Engine Mechanical

15

  1. Turn OFF the ignition.
  2. Disconnect the PCM.
  3. Check the ignition timing control circuit for an open between the PCM and the IC module .

Did you find the condition?

--

Go to Step 25

Go to Step 16

16

Probe the ignition timing control circuit at the PCM with a test lamp connected to battery voltage.

Does the test lamp illuminate?

--

Go to Step 26

Go to Step 17

17

  1. Turn ON the ignition, with the engine OFF.
  2. Probe the ignition timing control circuit at the PCM with a test lamp connected to a ground.

Does the test lamp illuminate?

--

Go to Step 27

Go to Step  23

18

  1. Check for an open or shorted to ground ignition 1 voltage circuit at the ignition coil.
  2. Repair as necessary. Refer to Wiring Repairs in Wiring Systems.

Did you complete the repair?

--

Go to Step 37

--

19

  1. Check for a short to ground on the CKP or CMP 12-volt reference circuit.
  2. Repair as necessary. Refer to Wiring Repairs in Wiring Systems.

Did you find and correct the condition?

--

Go to Step 37

Go to Step 36

20

  1. Check for an open or a short to ground on the ignition 1 voltage circuit at the IC module.
  2. Repair as necessary. Refer to Wiring Repairs in Wiring Systems.

Did you complete the repair?

--

Go to Step 37

--

21

Check for a poor IC module connection.

Did you find a problem?

--

Go to Step 30

Go to Step 35

22

Check for a poor coil connection .

Did you find a problem?

--

Go to Step 30

Go to Step 31

23

Check for a poor PCM connection.

Did you find a problem?

--

Go to Step 30

Go to Step 36

24

Repair the open IC module ground circuit. Refer to Wiring Repairs in Wiring Systems.

Did you complete the repair?

--

Go to Step 37

--

25

Repair the open ignition timing control circuit. Refer to Wiring Repairs in Wiring Systems.

Did you complete the repair?

--

Go to Step 37

--

26

Repair the grounded ignition timing control circuit. Refer to Wiring Repairs in Wiring Systems.

Did you complete the repair?

--

Go to Step 37

--

27

Repair the short to voltage in the ignition timing control circuit. Refer to Wiring Repairs in Wiring Systems.

Did you complete the repair?

--

Go to Step 37

--

28

Repair the open or short to voltage in the coil driver circuit between the ignition coil and the IC module. Refer to Wiring Repairs in Wiring Systems.

Did you complete the repair?

--

Go to Step 37

--

29

Repair the short to ground in the coil driver circuit between the ignition coil and the IC module. Refer to Wiring Repairs in Wiring Systems.

Did you complete the repair?

--

Go to Step 37

--

30

Repair the circuit as necessary. Refer to Wiring Repairs in Wiring Systems.

Did you complete the repair?

--

Go to Step 37

--

31

Replace the ignition coil. Refer to Ignition Coil Replacement .

Did you complete the replacement?

--

Go to Step 37

--

32

Replace the coil wire. Refer to Spark Plug Wire Replacement .

Did you complete the replacement?

--

Go to Step 37

--

33

Replace the distributor rotor. Refer to Distributor Overhaul .

Did you complete the replacement?

--

Go to Step 37

--

34

Replace the distributor cap. Refer to Distributor Overhaul .

Did you complete the replacement?

--

Go to Step 37

--

35

Replace the IC module. Refer to Ignition Control Module Replacement .

Did you complete the replacement?

--

Go to Step 37

--

36

Replace the PCM. Refer to Powertrain Control Module Replacement .

Did you complete the replacement?

--

Go to Step 37

--

37

Operate the vehicle within the conditions under which the original symptom was noted.

Does the system now operate properly?

--

System OK

Go to Step 1