GM Service Manual Online
For 1990-2009 cars only
Makes
🢒
Chevrolet
🢒
2001
🢒
Blazer - 2WD
🢒
Restraints
🢒
Seat Belts
🢒 Seat Belt Schematics
Master Electrical Component List
SIR System Description and Operation
Indicators
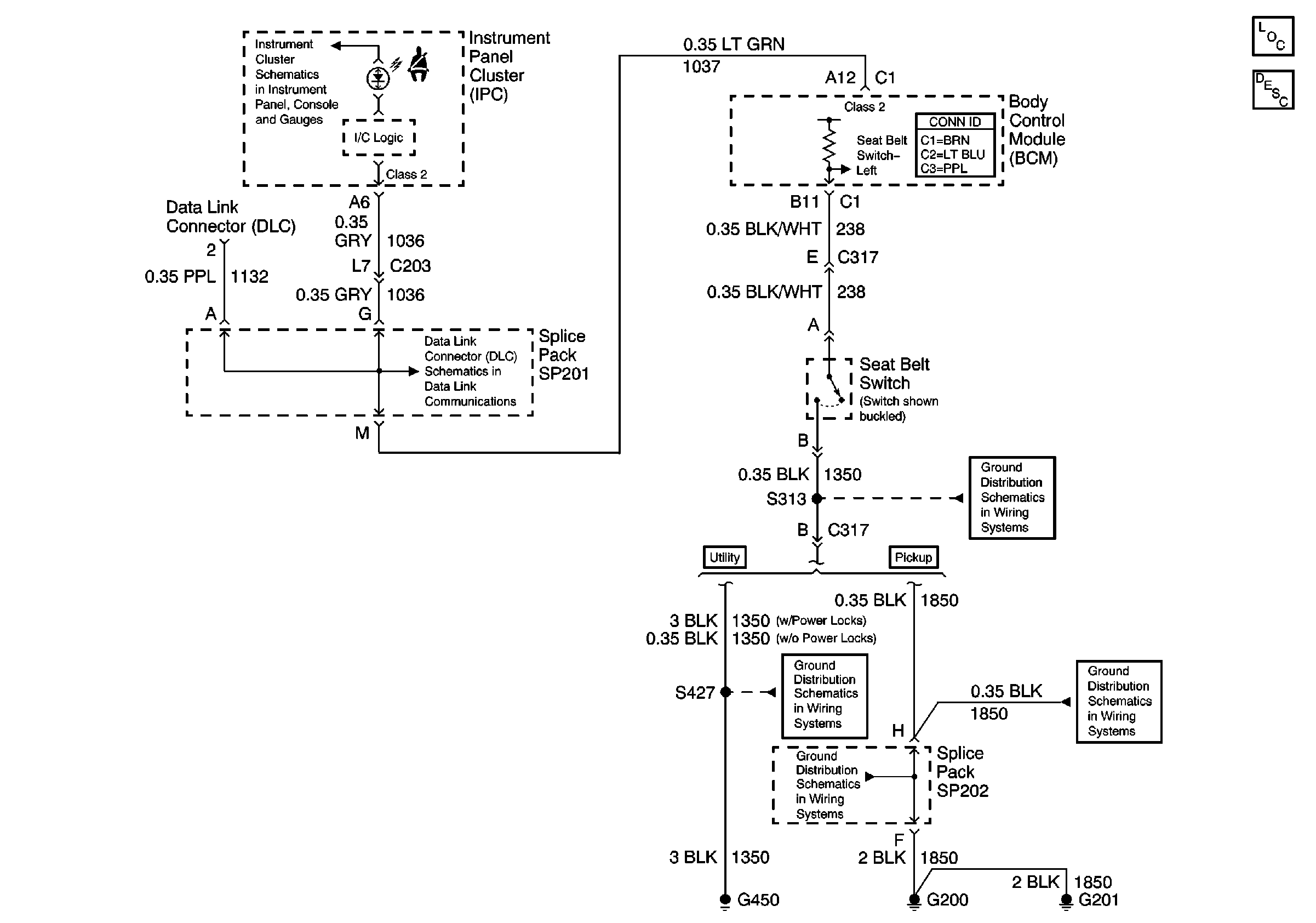
SP201 (2.2L)
6-Way LH Power Seat
G420,G450 and S427 (Utility w/ Endgate and Crew Cab)
G200, G201 and G207 (Pickup and Crew Cab)
G200, G201 and G207 (Pickup and Crew Cab)