GM Service Manual Online
For 1990-2009 cars only
Makes
🢒
Chevrolet
🢒
2001
🢒
Blazer - 2WD
🢒
Body and Accessories
🢒
Lighting Systems
🢒 Interior Lights Dimming Schematics
Figure
1:
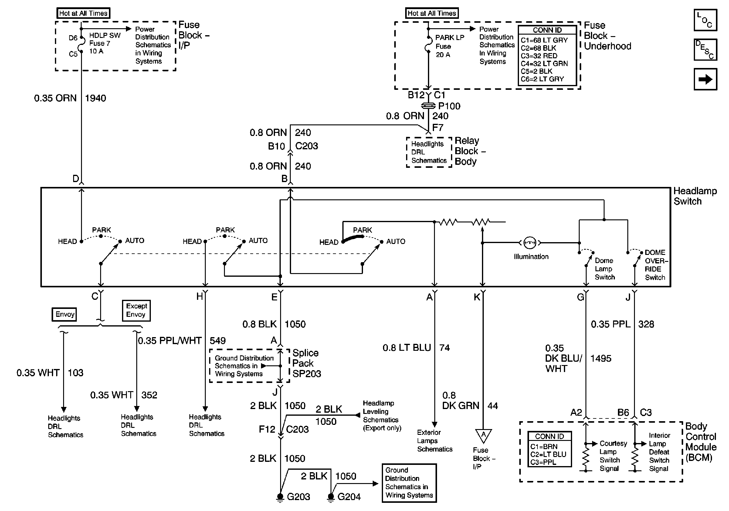
Headlamp Switch
Master Electrical Component List
Interior Lighting Systems Description and Operation
ILLUM Fuse 12
AUX PWR, RDO BATT and HDLP SW Fuses
B+ Bus Bar
Headlamp Grounding Relay and BCM (Except Envoy)
Headlamp Switch and BCM (Envoy/Diamond Edition 1SK)
Headlamp Switch, Ambient Light Sensor and BCM
Headlamp Switch, Ambient Light Sensor and BCM
G203 and G204 (Pickup)
Headlamp Switch, Ambient Light Sensor and BCM
Park/Turn Signal Lamps, Marker and License Lamps, Rear(Pickup)
ILLUM Fuse 12
G203 and G204 (Pickup)
Figure
2:
ILLUM Fuse 12
Master Electrical Component List
Interior Lighting Systems Description and Operation
Steering Wheel Controls
Headlamp Switch
Steering Wheel Controls
Headlamp Switch
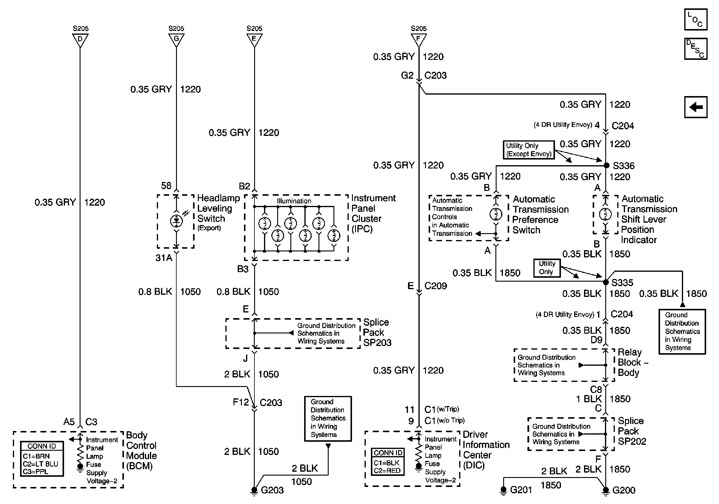
Instrument Panel Cluster, BCM, and Automatic Transmission Indicators
Steering Wheel Controls
Instrument Panel Cluster, BCM, and Automatic Transmission Indicators
G203 and G204 (Pickup)
G203 and G204 (Pickup)
G203 and G204 (Pickup)
Headlight Leveling Schematics (Export)
G203 and G204 (Pickup)
Figure
3:
Steering Wheel Controls
Master Electrical Component List
Interior Lighting Systems Description and Operation
Instrument Panel Cluster, BCM, and Automatic Transmission Indicators
ILLUM Fuse 12
ILLUM Fuse 12
ILLUM Fuse 12
G200, G201 and G207 (Utility)
G200, G201 and G207 (Utility)
Figure
4:
Instrument Panel Cluster, BCM, and Automatic Transmission Indicators
Master Electrical Component List
Interior Lighting Systems Description and Operation
Steering Wheel Controls
ILLUM Fuse 12
ILLUM Fuse 12
ILLUM Fuse 12
ILLUM Fuse 12
G203 and G204 (Pickup)
Automatic Transmission Preference Switch
G200, G201 and G207 (Utility)
G200, G201 and G207 (Utility)
G200, G201 and G207 (Utility)
G203 and G204 (Pickup)