GM Service Manual Online
For 1990-2009 cars only
Makes
🢒
Chevrolet
🢒
2001
🢒
Blazer - 2WD
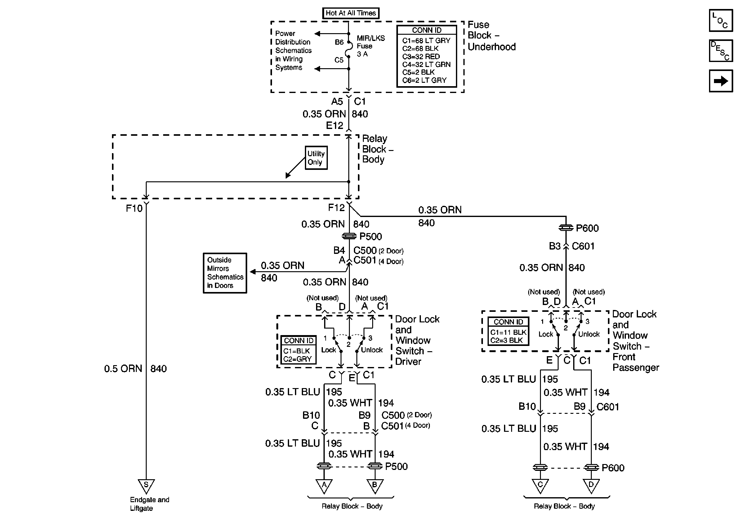
🢒 Door Lock Switch Inputs
Door Lock Switch Inputs
Door Lock Switch Inputs
Master Electrical Component List
Power Door Locks Description and Operation
Liftgate/Endgate Lock Cylinder Switch Inputs (Utility)
MIR/LKS, FOG LP Fuses and DRL, Headlamp Power Relays
Liftgate/Endgate Lock Cylinder Switch Inputs (Utility)
Outside Rear View Mirror Switch
Relay Control
Relay Control