GM Service Manual Online
For 1990-2009 cars only
Makes
🢒
Chevrolet
🢒
2001
🢒
Blazer - 2WD
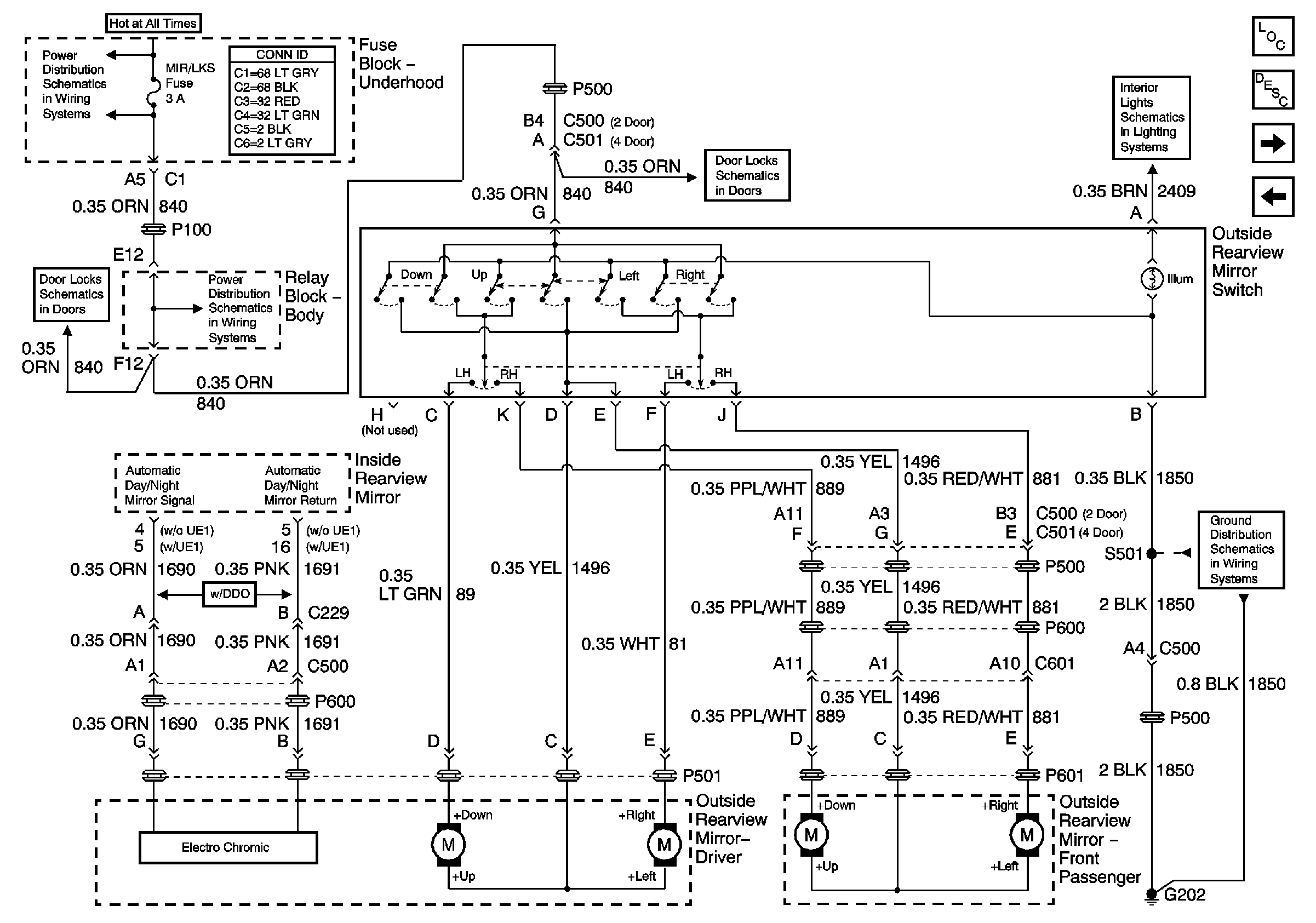
🢒 Outside Rear View Mirror Switch
Outside Rear View Mirror Switch
Outside Rear View Mirror Switch
Master Electrical Component List
Outside Mirror Description and Operation Heated Mirrors
Folding Mirrors (Envoy and Export Only)
Heated Mirrors
B+ Bus Bar
MIR/LKS, FOG LP Fuses and DRL, Headlamp Power Relays
Door Lock Switch Inputs
Door Lock Switch Inputs
Headlamp Switch
G202 (Pickup Except Crew Cab)