GM Service Manual Online
For 1990-2009 cars only
Makes
🢒
Chevrolet
🢒
2001
🢒
Blazer - 2WD
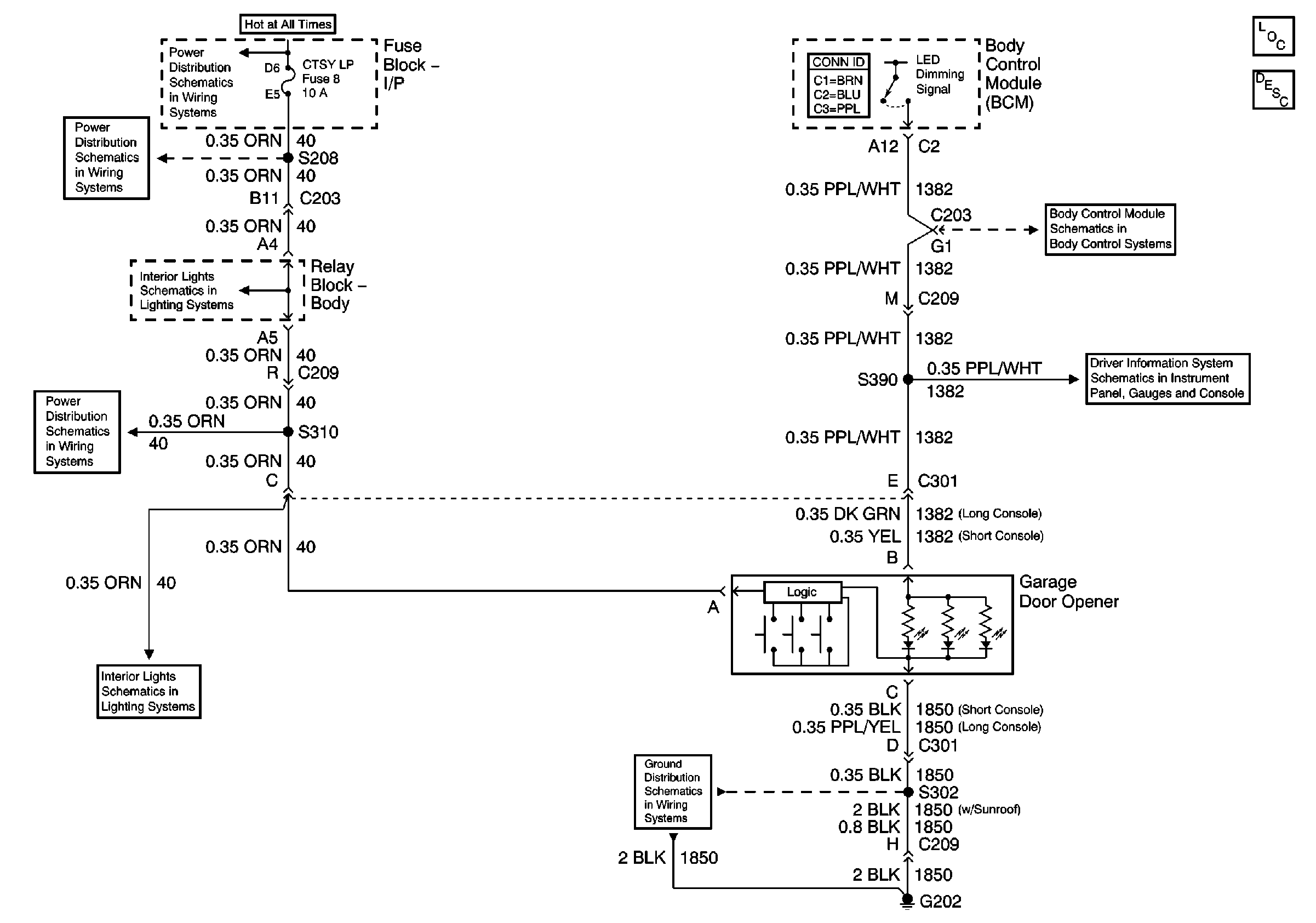
🢒 Garage Door Opener Schematics
Garage Door Opener Schematics
Master Electrical Component List
Garage Door Opener Description and Operation
INT BATT Fuse
Inadvertent Power Lamp Relay
CTSY LP Fuse and Courtesy Lamp Relay
Inadvertent Power Lamp Relay
Driver Information Center (Utility w/o Sunroof)
PCM, Data Link Connector (DLC) and Dimming Signal
Air Temperature Sensor - Outside (w/ Trip Computer)
G202 (Utility and Crew Cab)