GM Service Manual Online
For 1990-2009 cars only
Makes
🢒
Chevrolet
🢒
1998
🢒
Blazer - 4WD
🢒 Cell 34: Multifunction Switch
Cell 34: Multifunction Switch
Cell 34: Multifunction Switch
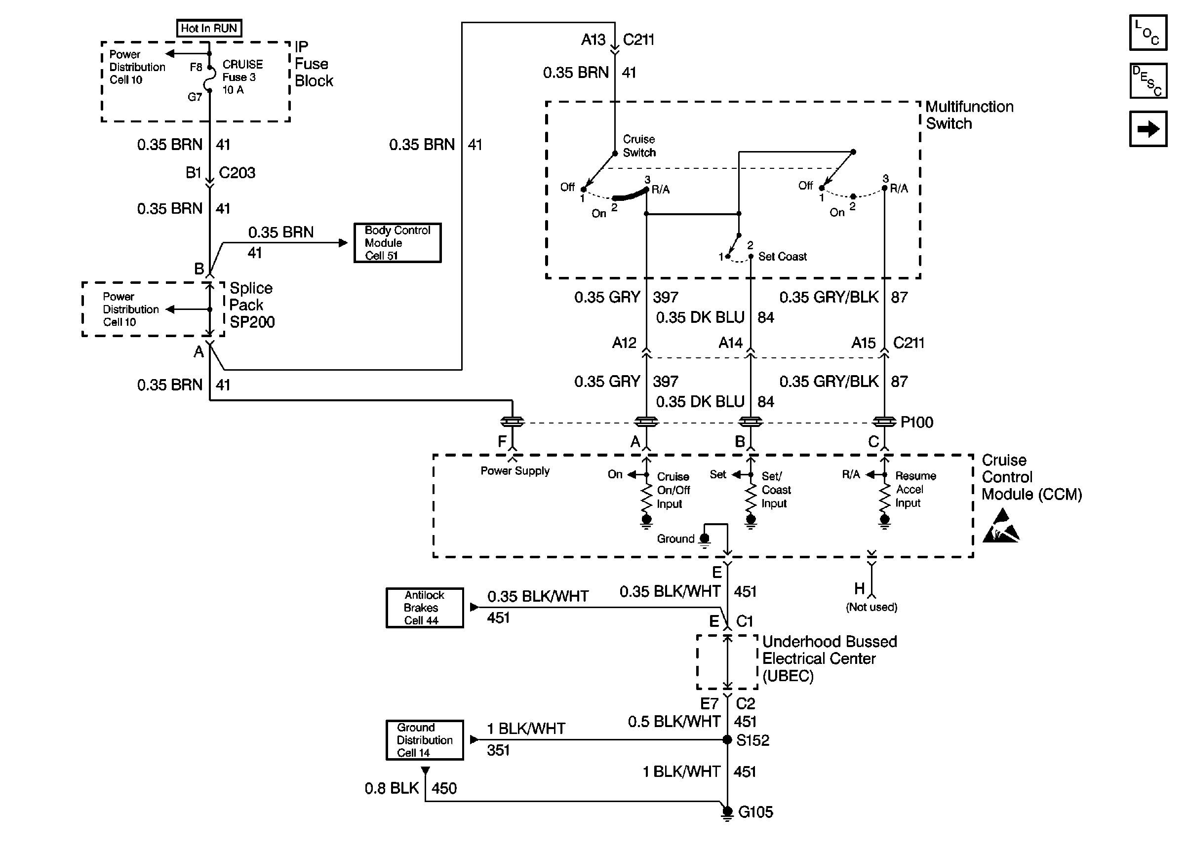
Cruise Control Components
Cruise Control System Circuit Description
Cell 34: PCM and VCM
Body Control System Schematics
Ground Distribution Schematics
Handling ESD Sensitive Parts Notice
Power Distribution Schematics
Power Distribution Schematics