GM Service Manual Online
For 1990-2009 cars only
Figure 1:

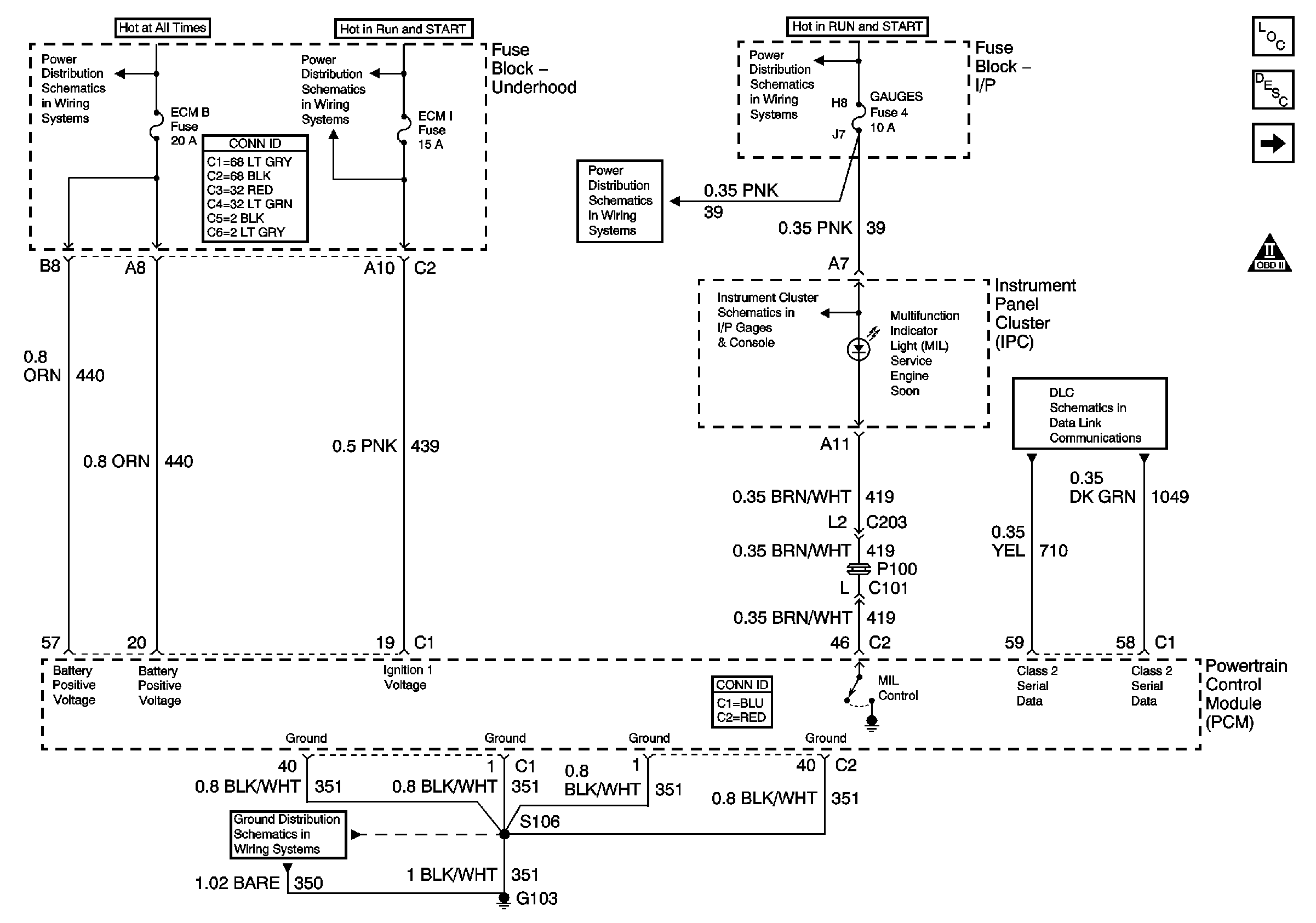
Module Power, Ground, Serial Data and MIL


Object Number: 755513  Size: FS
Master Electrical Component List
Service Programming System (SPS) Description
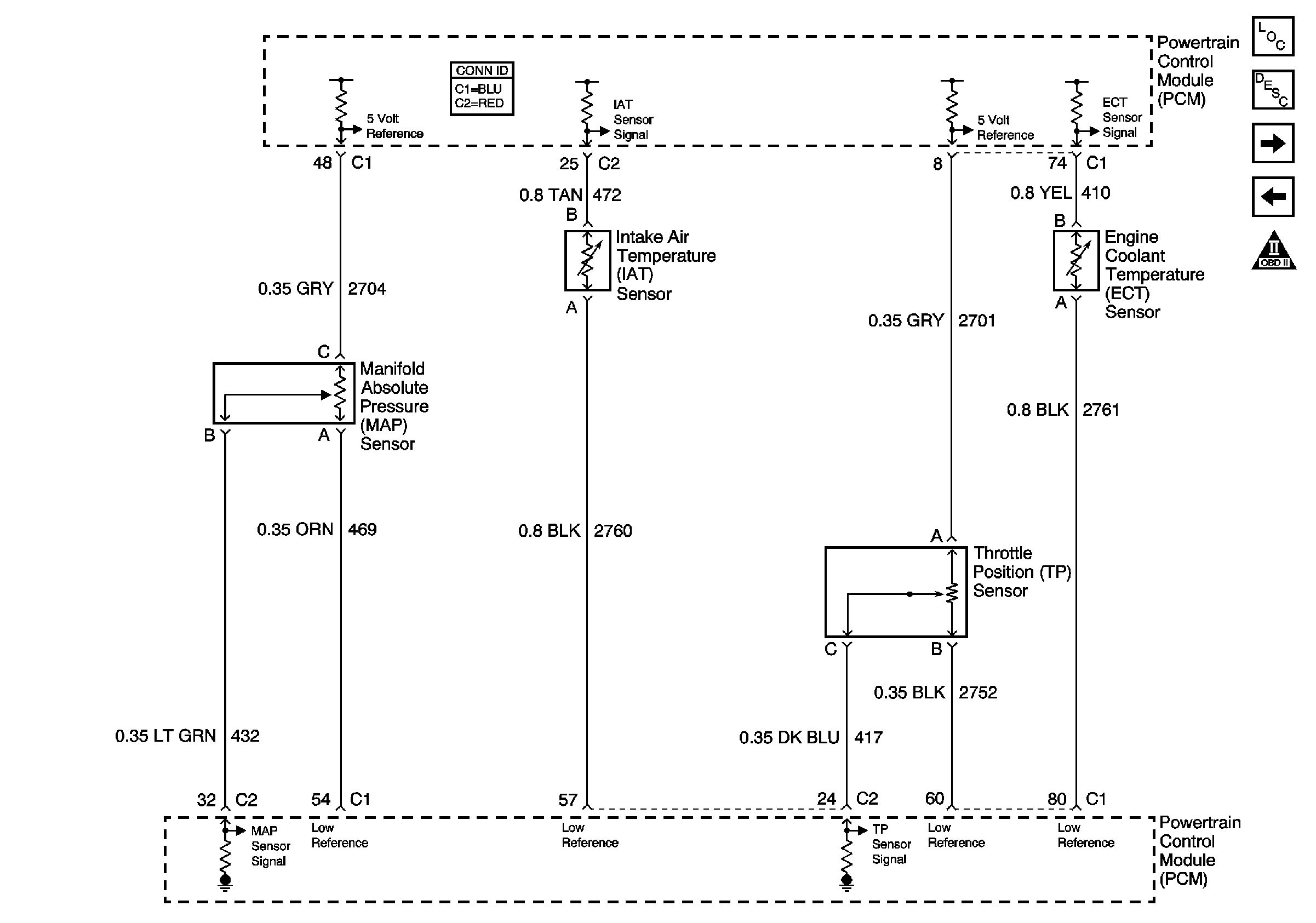
Engine Data Sensors - Pressure and Temperature
OBD II Symbol Description Notice
B+ Bus Bar
Ign RUN and START Bus Bar
Ign RUN and START Bus Bar
TURN, SIR and GAUGES Fuses
Indicators
SP201 (2.2L)
G103 and G105 (4.3 L)
Figure 2:

Engine Data Sensors -- Pressure and Temperature


Object Number: 755517  Size: FS
Master Electrical Component List
Powertrain Control Module Description
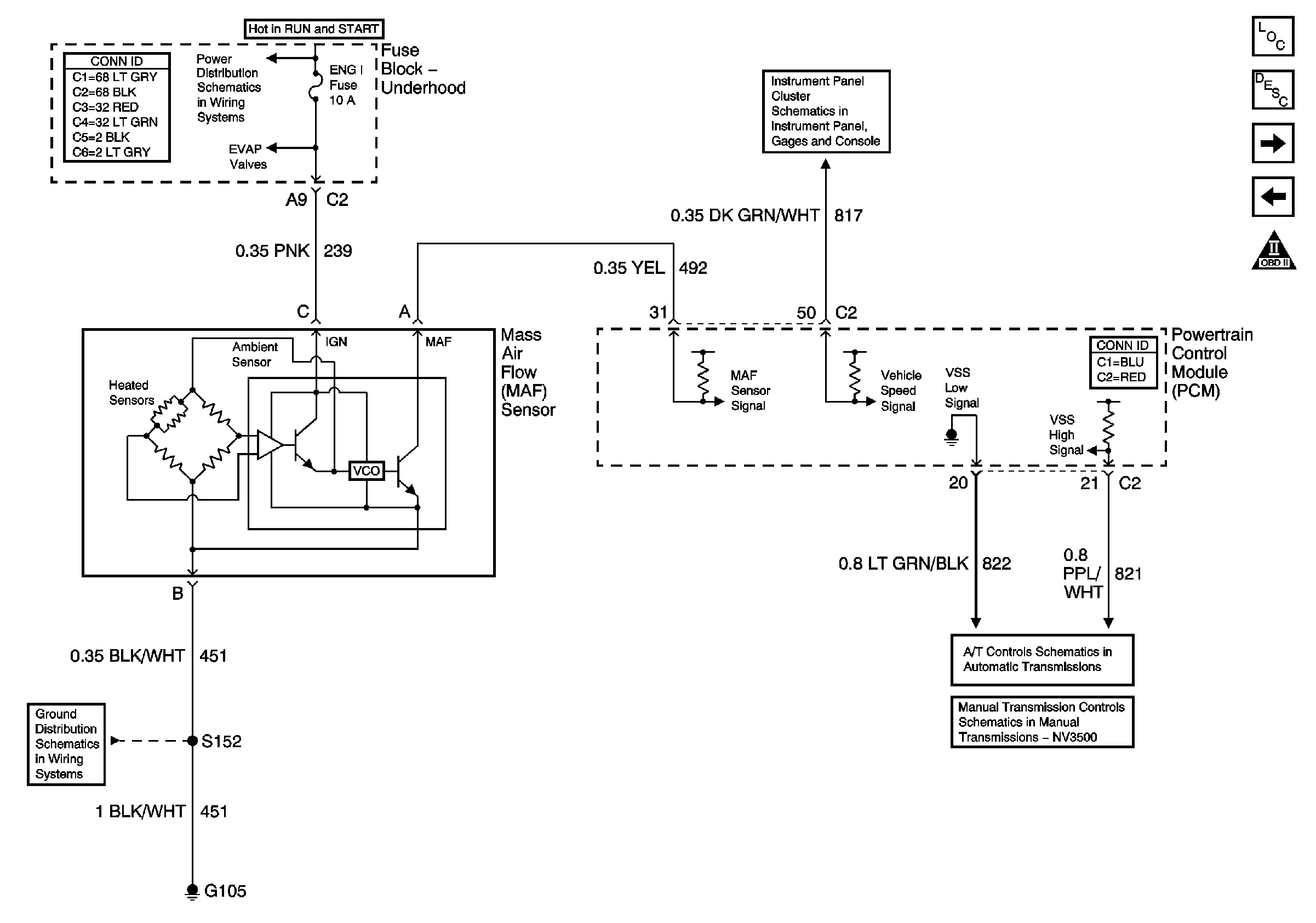
Engine Data Sensors - MAF and VSS
Module Power, Ground, Serial Data and MIL
OBD II Symbol Description Notice
Figure 3:

Engine Data Sensors -- MAF and VSS


Object Number: 755520  Size: FS
Master Electrical Component List
Powertrain Control Module Description
Heated Oxygen Sensors - Except NM8
Engine Data Sensors - Pressure and Temperature
OBD II Symbol Description Notice
Ign RUN and START Bus Bar
Fuel Controls - EVAP Controls
Gages
G103 and G105 (4.3 L)
VSS Inputs, 4WD Low Indicator Signal (4.3L)
Vehicle Speed Sensor
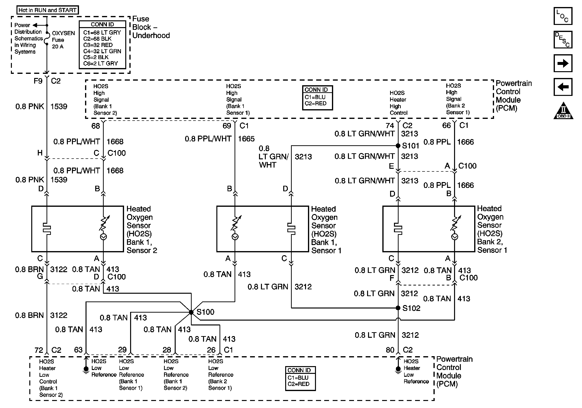
Figure 4:

Heated Oxygen Sensors - Except NM8


Object Number: 755518  Size: FS
Master Electrical Component List
Powertrain Control Module Description
Ignition Controls - Ignition System and Sensors
Engine Data Sensors - MAF and VSS
OBD II Symbol Description Notice
Ign RUN and START Bus Bar
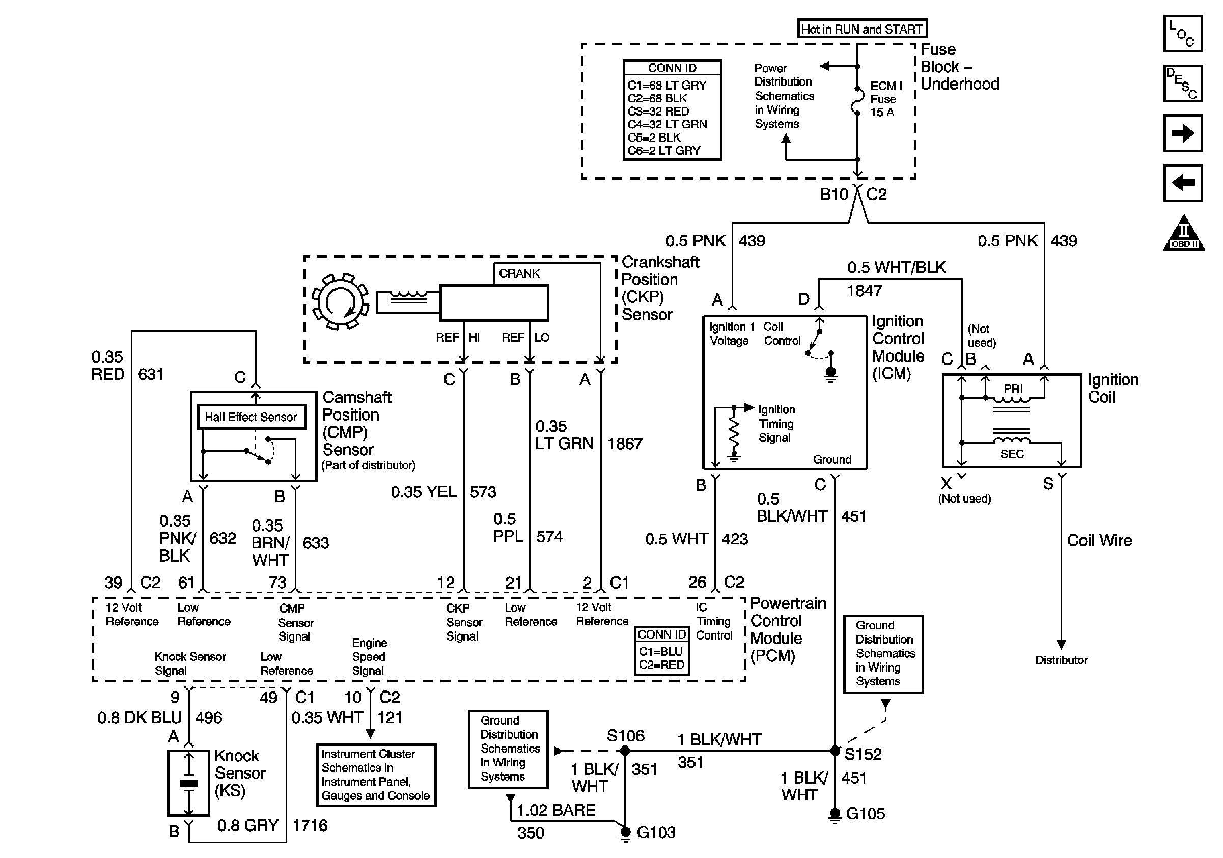
Figure 5:

Ignition Controls -- Ignition System and Sensors


Object Number: 755522  Size: FS
Master Electrical Component List
Distributor Ignition (DI) System Description
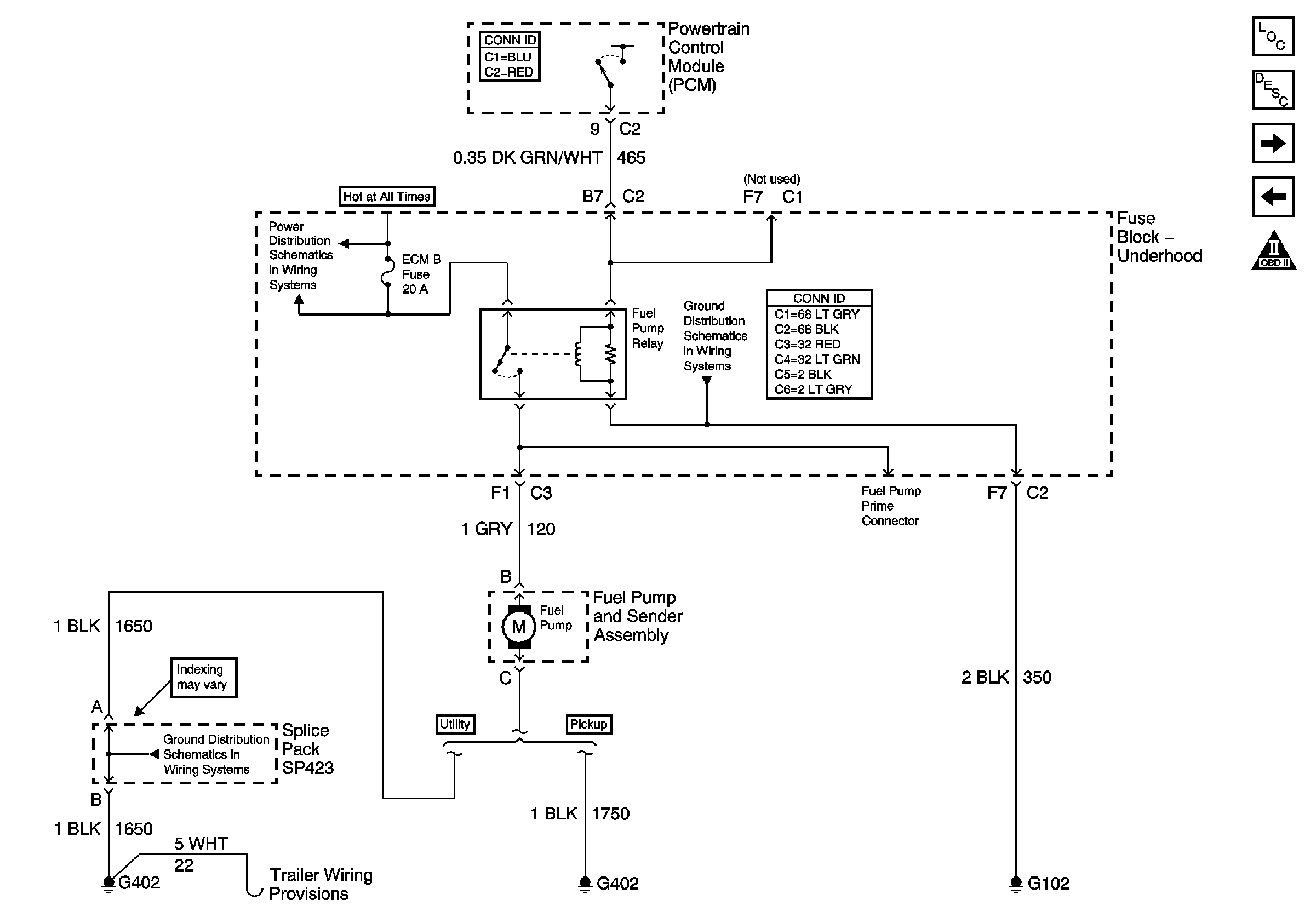
Fuel Controls - Fuel Pump Controls
Heated Oxygen Sensors - Except NM8
OBD II Symbol Description Notice
Ign RUN and START Bus Bar
VSS Inputs, 4WD Low Indicator Signal (4.3L)
G103 and G105 (4.3 L)
G103 and G105 (4.3 L)
Figure 6:

Fuel Controls - Fuel Pump Controls


Object Number: 755523  Size: FS
Master Electrical Component List
Fuel System Description
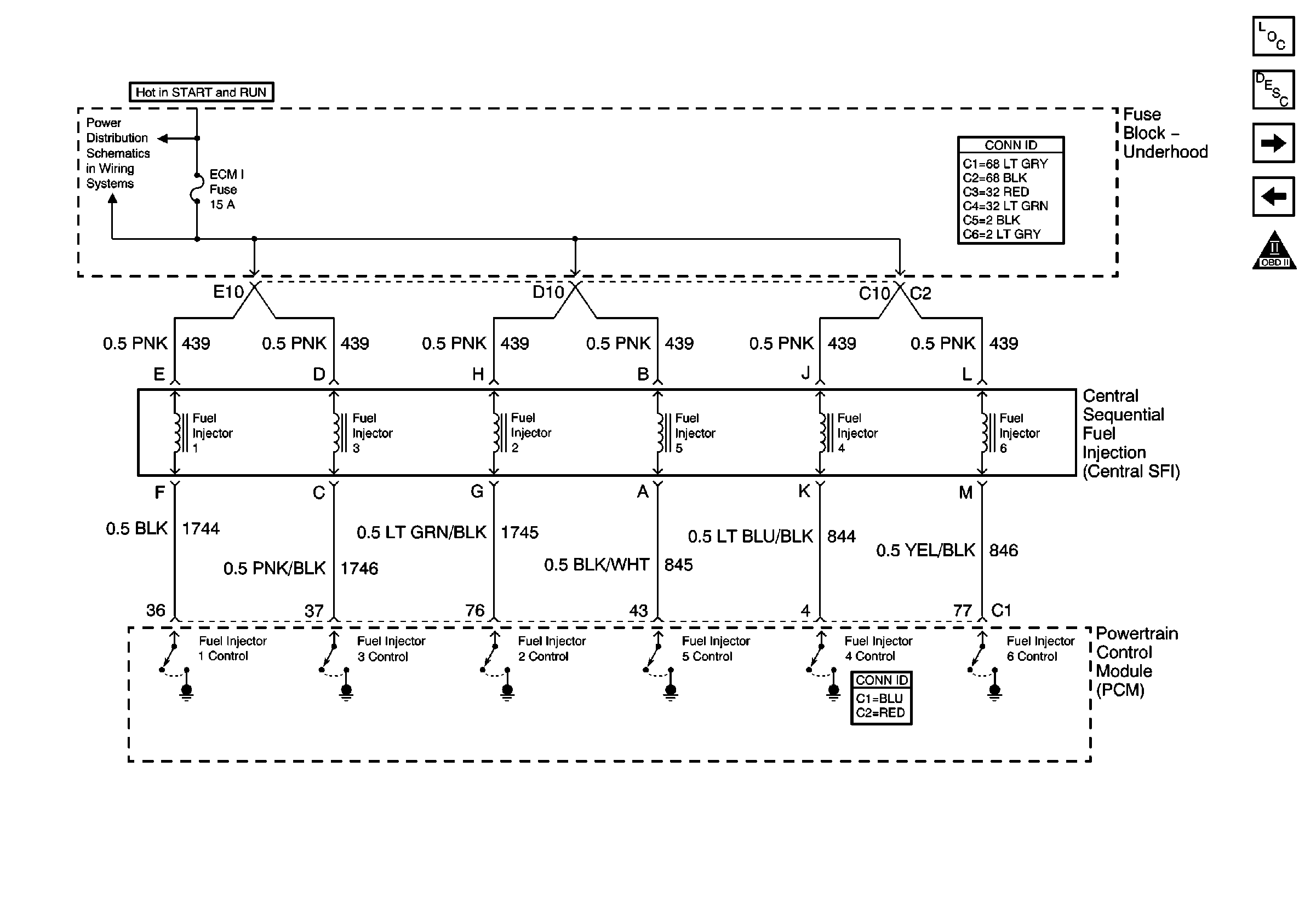
Fuel Controls - Fuel Injector Controls
Ignition Controls - Ignition System and Sensors
OBD II Symbol Description Notice
B+ Bus Bar
G102 (Except Export)
G402 and G421 (Utility)
Figure 7:

Fuel Controls - Fuel Injector Controls


Object Number: 755524  Size: FS
Master Electrical Component List
Fuel System Description
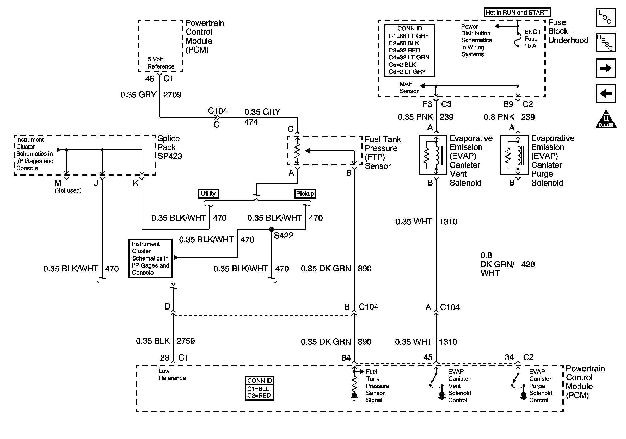
Fuel Controls - EVAP Controls
Fuel Controls - Fuel Pump Controls
OBD II Symbol Description Notice
Ign RUN and START Bus Bar
Figure 8:

Fuel Controls - EVAP Controls


Object Number: 755527  Size: FS
Master Electrical Component List
Evaporative Emission Control System Description
Device Controls, Controlled/Monitored Subsystem References and M/T
Fuel Controls - Fuel Injector Controls
OBD II Symbol Description Notice
Fuel Level Sensor Signal
Fuel Level Sensor Signal
Engine Data Sensors - MAF and VSS
Ign RUN and START Bus Bar
Figure 9:

Device Controls, Controlled/Monitored Subsystem References, and M/T


Object Number: 755529  Size: FS
Master Electrical Component List
Powertrain Control Module Description
Transmission Controls - A/T
Fuel Controls - EVAP Controls
OBD II Symbol Description Notice
Compressor Controls - 4.3L
A/C Compressor Clutch Coil, Relay, Diode and High Pressure Cutoff Switch
Front Axle Indicator Switch and Powertrain Control Module (PCM)
Speed Sensor Signals
Engine Charging
Clutch Pedal Position Switch, Stop Lamp Switch, PCM and Cruise Control Module
Manual Transmission - NV3500
Front Axle Indicator Switch and Powertrain Control Module (PCM)
CRANK Fuse, Front Axle Indicator Switch, and Front Axle Vacuum Solenoid
Figure 10:

Transmission Controls - A/T


Object Number: 755531  Size: FS
Master Electrical Component List
Powertrain Control Module Description
Device Controls, Controlled/Monitored Subsystem References and M/T
OBD II Symbol Description Notice
Switch Inputs and PNP Switch (2.2L)
Valve Controls (2.2L)