GM Service Manual Online
For 1990-2009 cars only
Figure 1:

B+ Bus Bar


Object Number: 1509132  Size: FS
Master Electrical Component List
Ign RUN and START Bus Bar
G100, G101, G106, G107, G108 and G110
Figure 2:

Ign RUN and START Bus Bar


Object Number: 1509136  Size: FS
Master Electrical Component List
Ign ACC, RUN and RAP Bus Bar
B+ Bus Bar
B+ Bus Bar
Figure 3:

Ign ACC, RUN and RAP Bus Bar


Object Number: 754404  Size: FS
Master Electrical Component List
Stop, Turn and Hazard Bus Bar
Ign RUN and START Bus Bar
B+ Bus Bar
Figure 4:

Stop, Turn and Hazard Bus Bar


Object Number: 1509137  Size: FS
Master Electrical Component List
STUD 2, ABS, HDLP W/W, TBC and RR W/W Fuses
Ign ACC, RUN and RAP Bus Bar
B+ Bus Bar
Ign RUN and START Bus Bar
Figure 5:

STUD 2, ABS, HDLP W/W, TBC and RR W/W Fuses


Object Number: 1509138  Size: FS
Master Electrical Component List
INT BATT, PWR LKS, AMPF, CTSY LP and CIGAR LTR Fuses
Stop, Turn and Hazard Bus Bar
B+ Bus Bar
Figure 6:

INT BATT, PWR LKS, CTSY LP and CIGAR LTR Fuses


Object Number: 885574  Size: FS
Master Electrical Component List
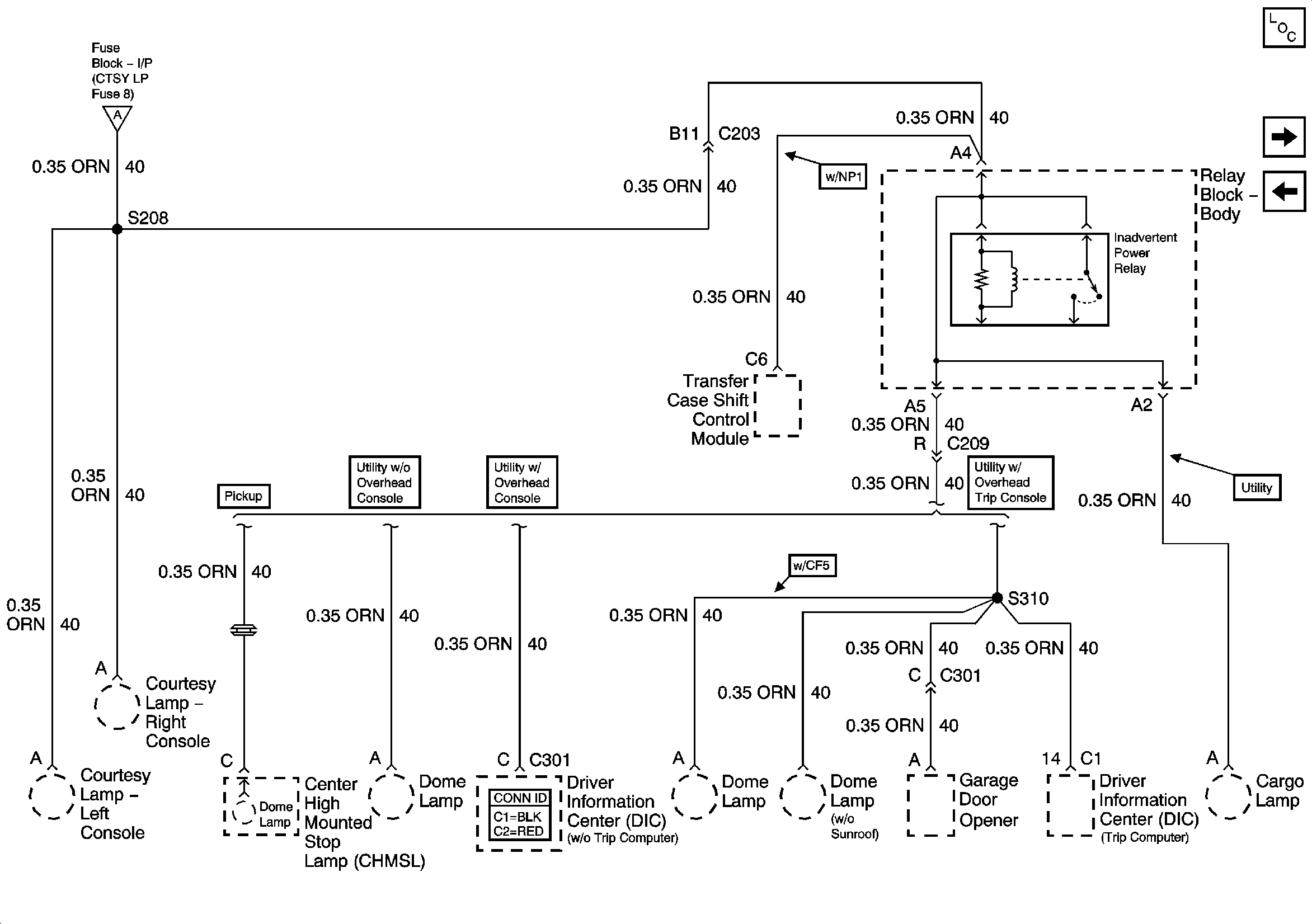
Inadvertent Power Relay
STUD 2, ABS, HDLP W/W, TBC and RR W/W Fuses
B+ Bus Bar
Inadvertent Power Relay
AUX PWR, RDO BATT and HDLP SW Fuses
Figure 7:

Inadvertent Power Relay


Object Number: 754414  Size: FS
Master Electrical Component List
AUX PWR, RDO BATT and HDLP SW Fuses
INT BATT, PWR LKS, AMPF, CTSY LP and CIGAR LTR Fuses
INT BATT, PWR LKS, AMPF, CTSY LP and CIGAR LTR Fuses
Figure 8:

AUX PWR, RDO BATT and HDLP SW Fuses


Object Number: 879235  Size: FS
Master Electrical Component List
HTD SEAT, ATC, HVAC and A/C Fuses
Inadvertent Power Relay
INT BATT, PWR LKS, AMPF, CTSY LP and CIGAR LTR Fuses
Figure 9:

HTD SEAT, ATC, HVAC, and A/C Fuses


Object Number: 879244  Size: FS
Master Electrical Component List
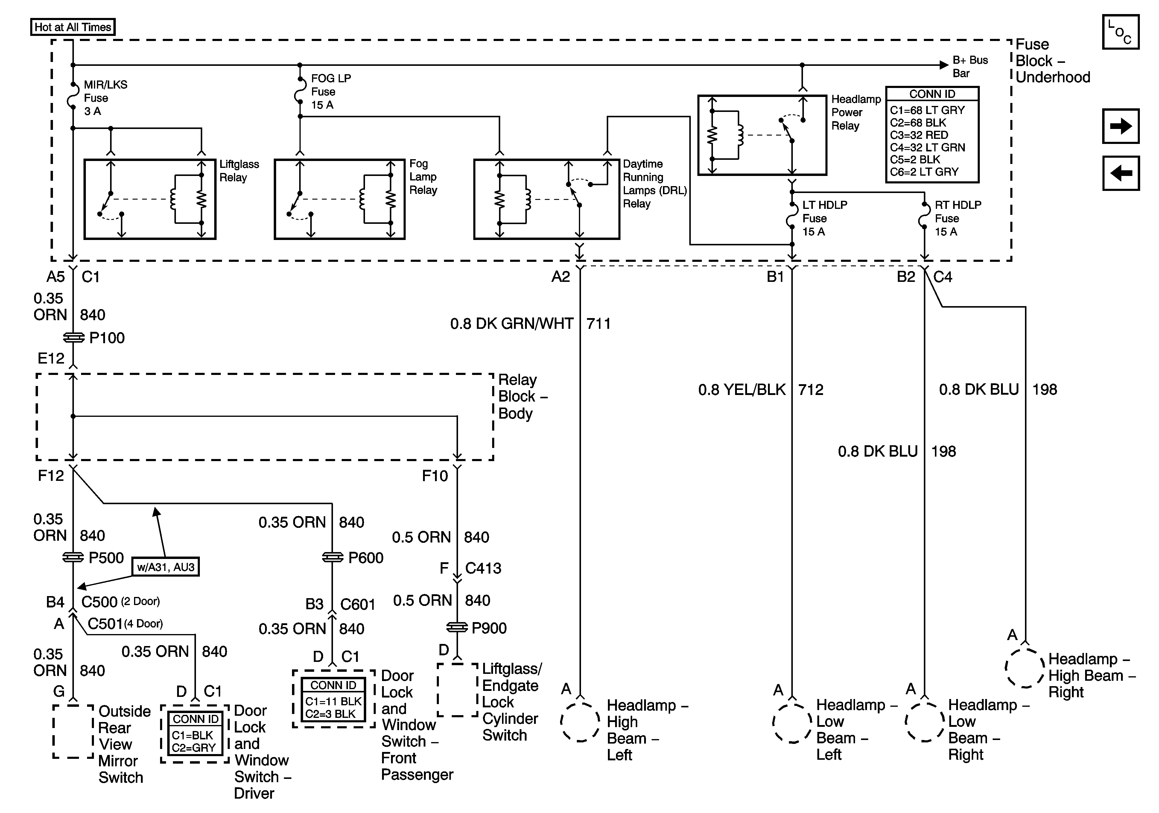
MIR/LKS, FOG LP Fuses and DRL, Headlamp Power Relays
AUX PWR, RDO BATT and HDLP SW Fuses
B+ Bus Bar
Figure 10:

MIR/LKS, FOG LP Fuses and DRL, Headlamp Power Relays


Object Number: 1509139  Size: FS
Master Electrical Component List
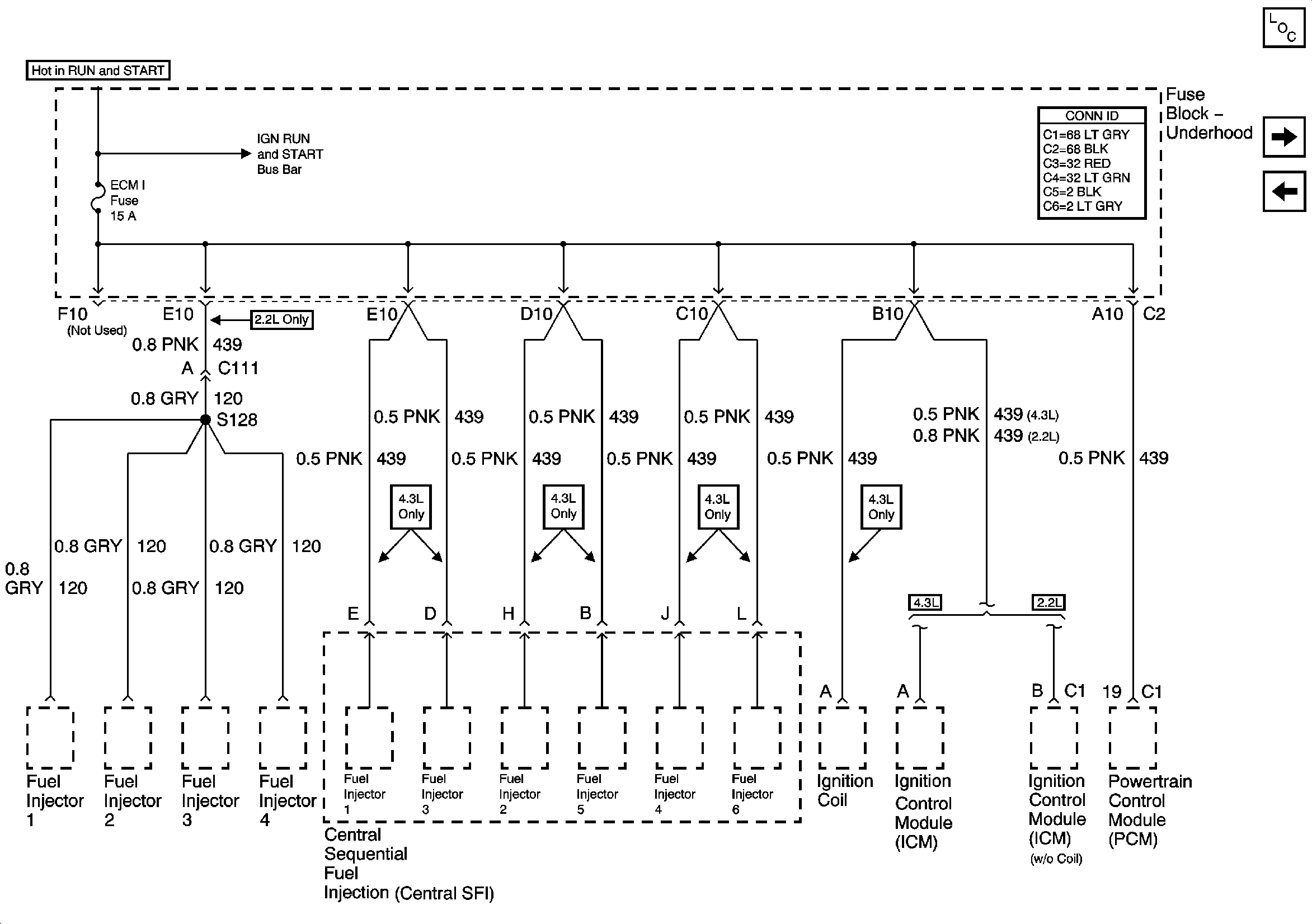
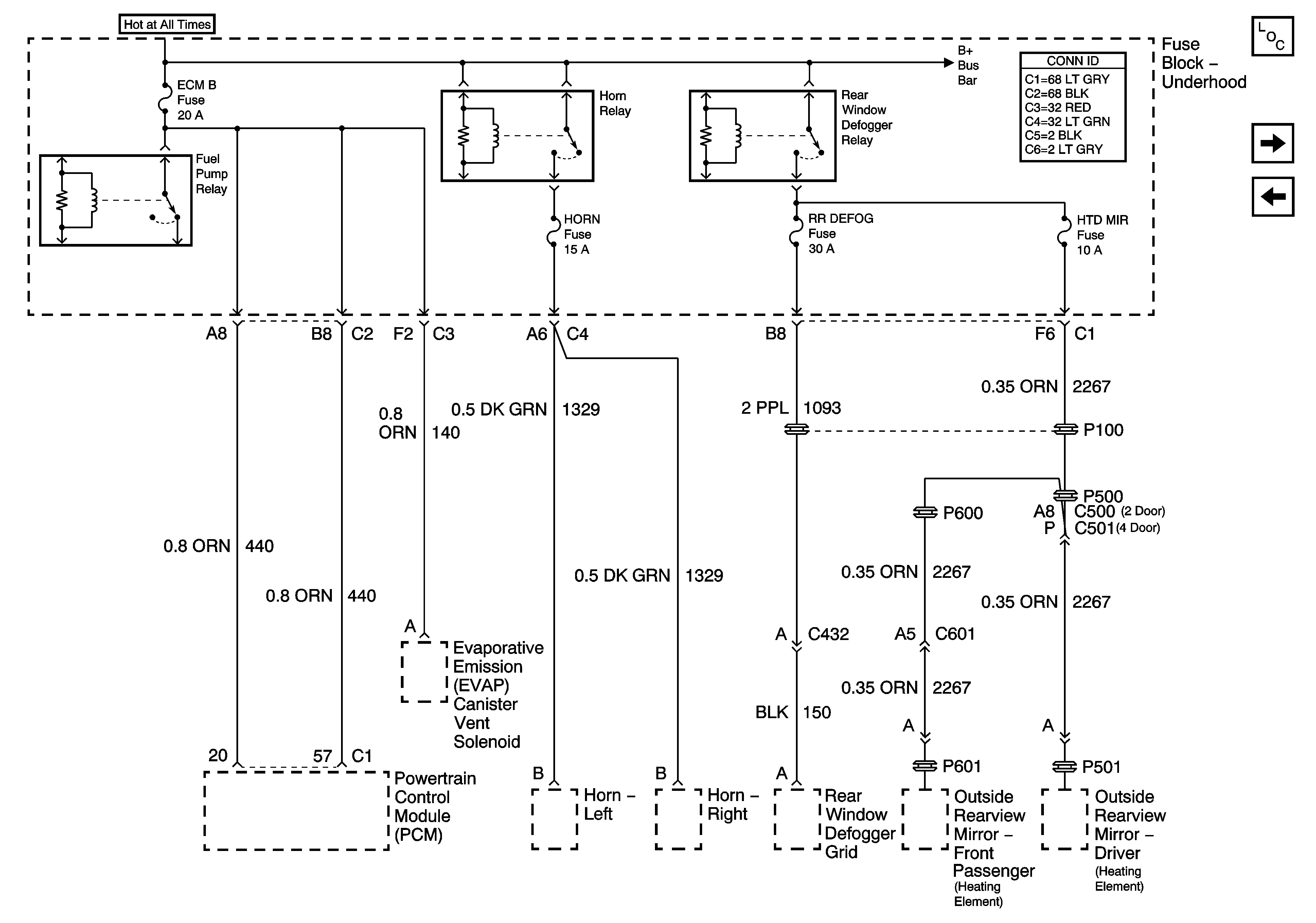
ECM B, HORN, RR DEFOG, HTD MIR Fuses and Fuel Pump, Horn, Rear Window Defogger Relays
HTD SEAT, ATC, HVAC and A/C Fuses
B+ Bus Bar
Figure 11:

ECM B, HORN, RR DEFOG, HTD MIR Fuses and Fuel Pump, Horn, Rear Window Defogger Relays


Object Number: 1509140  Size: FS
Master Electrical Component List
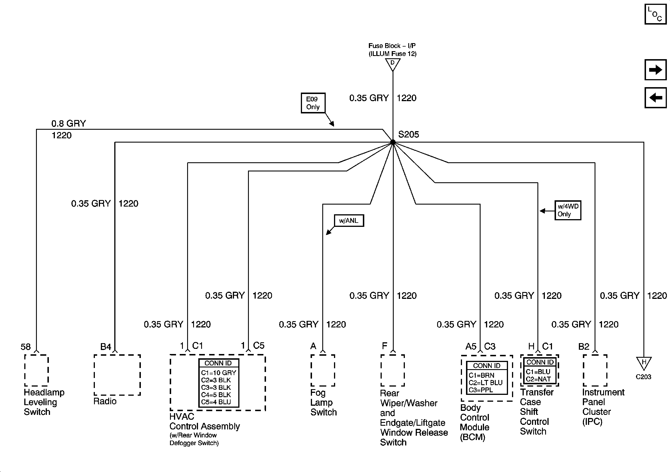
ILLUM, STG WHL ILLUM, and PARK LP Fuses
MIR/LKS, FOG LP Fuses and DRL, Headlamp Power Relays
B+ Bus Bar
Figure 12:

ILLUM and PARK LP Fuses


Object Number: 1509141  Size: FS
Master Electrical Component List
ILLUM Power - Pickup Except Crew Cab
ECM B, HORN, RR DEFOG, HTD MIR Fuses and Fuel Pump, Horn, Rear Window Defogger Relays
ILLUM Power - Pickup Except Crew Cab
ILLUM Power
B+ Bus Bar
FR PRK, LR PRK, RR PRK Fuses, and Fog Lamp Relay
FR PRK, LR PRK, RR PRK, TRL PRK Fuses and Fog Lamp Relay
Figure 13:

ILLUM Power


Object Number: 879237  Size: FS
Master Electrical Component List
Splice Pack SP206
ILLUM Power - Pickup Except Crew Cab
ILLUM, STG WHL ILLUM, and PARK LP Fuses
ILLUM Power - Utility
Figure 14:

Illum Power - Utility


Object Number: 754438  Size: FS
Master Electrical Component List
FR PRK, LR PRK, RR PRK Fuses, and Fog Lamp Relay
ILLUM Power
ILLUM Power
Figure 15:

FR PRK, LR PRK, RR PRK, TRL PRK Fuses and Fog Lamp Relay


Object Number: 857712  Size: FS
Master Electrical Component List
FR PRK, LR PRK, RR PRK Fuses, and Fog Lamp Relay
ILLUM, STG WHL ILLUM, and PARK LP Fuses
Figure 16:

FR PRK, LR PRK, RR PRK, TRL PRK and Fog Lamp Relay - Export


Object Number: 857715  Size: FS
Master Electrical Component List
CRANK and CLSTR Fuses
FR PRK, LR PRK, RR PRK, TRL PRK Fuses and Fog Lamp Relay - Utility
ILLUM, STG WHL ILLUM, and PARK LP Fuses
Figure 17:

CRANK and CLSTR Fuses


Object Number: 901335  Size: FS
Master Electrical Component List
TURN, SIR and GAGES Fuses
FR PRK, LR PRK, RR PRK, TRL PRK and Fog Lamp Relay - Export
Figure 18:

TURN, SIR and Gages Fuses


Object Number: 754445  Size: FS
Master Electrical Component List
IGN E Fuse and A/C Compressor Clutch, Rear Window Defogger Relays
CRANK and CLSTR Fuses
SIR Caution for Zoning
SIR Caution for Zoning
Figure 19:

IGN E Fuse and A/C Compressor Clutch, Rear Window Defogger Relays


Object Number: 1509142  Size: FS
Master Electrical Component List
B/U LP, TRL B/U and BTSI Fuses A/T
TURN, SIR and GAGES Fuses
Ign RUN and START Bus Bar
Figure 20:

B/U LP, TRL B/U, VEH B/U and BTSI Fuses - Automatic Transmission


Object Number: 1509143  Size: FS
Master Electrical Component List
BTSI Fuse Power - Automatic Transmission
IGN E Fuse and A/C Compressor Clutch, Rear Window Defogger Relays
Ign RUN and START Bus Bar
BTSI Fuse Power - Automatic Transmission
Figure 21:

BTSI Fuse Power - Automatic Transmission


Object Number: 1509144  Size: FS
Master Electrical Component List
ENG I and OXYGEN Fuses
B/U LP, TRL B/U and BTSI Fuses A/T
B/U LP, TRL B/U and BTSI Fuses A/T
Figure 22:

ENG I and OXYGEN Fuses


Object Number: 857717  Size: FS
Master Electrical Component List
ECM I Fuse
BTSI Fuse Power - Automatic Transmission
Ign RUN and START Bus Bar
Figure 23:

ECM I Fuse


Object Number: 857722  Size: FS
Master Electrical Component List
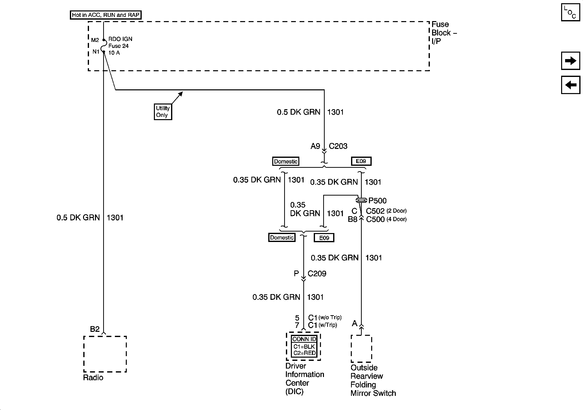
RDO IGN and STR WHL RDO IGN Fuses
ENG I and OXYGEN Fuses
Ign RUN and START Bus Bar
Figure 24:

RDO IGN Fuse


Object Number: 879238  Size: FS
Master Electrical Component List
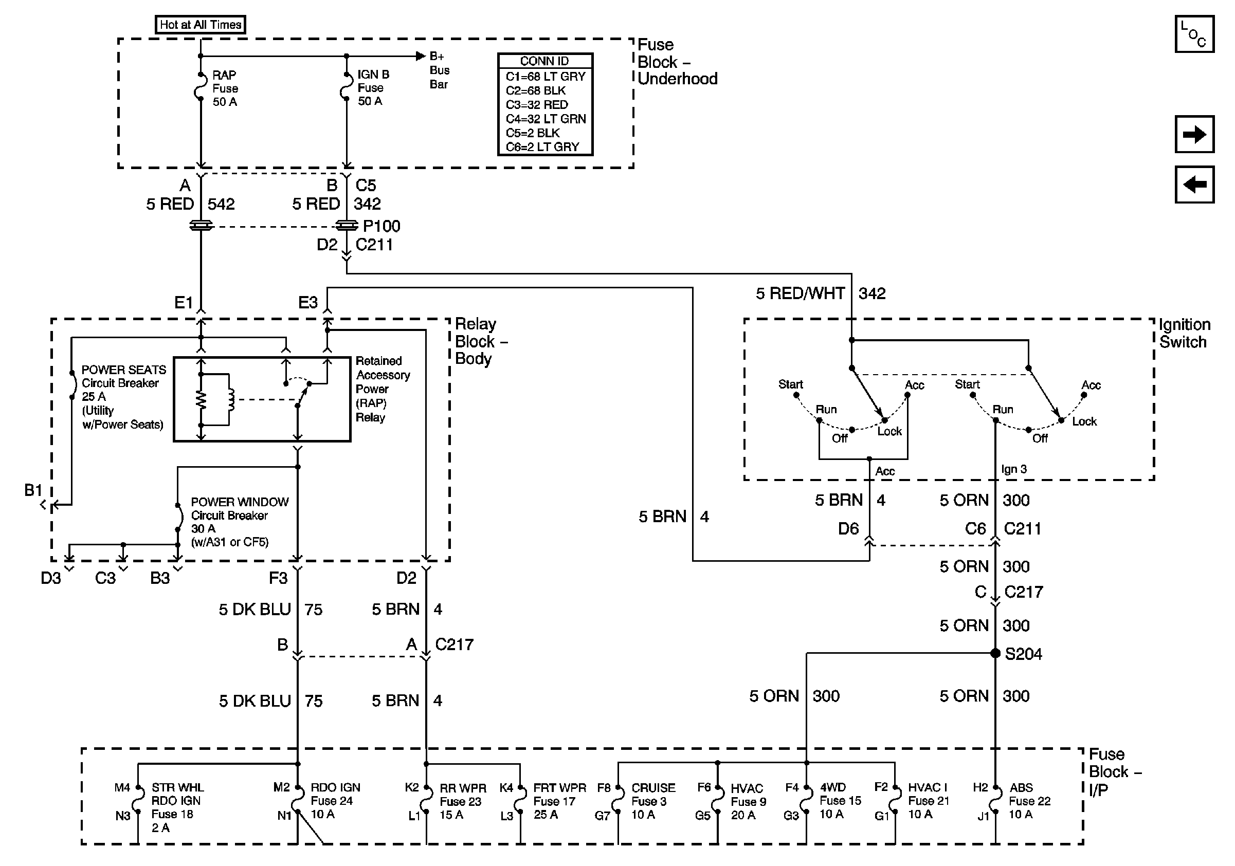
POWER SEATS, POWER WINDOW Circuit Breakers and RAP Relay
ECM I Fuse
Figure 25:

POWER SEATS, POWER WINDOW Circuit Breakers and RAP Relay


Object Number: 1509145  Size: FS
Master Electrical Component List
RR WPR, FRT WPR and ABS Fuses
RDO IGN and STR WHL RDO IGN Fuses
Ign ACC, RUN and RAP Bus Bar
Figure 26:

RR WPR, FRT WPR and ABS Fuses


Object Number: 1509146  Size: FS
Master Electrical Component List
HVAC I Fuse
POWER SEATS, POWER WINDOW Circuit Breakers and RAP Relay
Figure 27:

HVAC I Fuse


Object Number: 1509147  Size: FS
Master Electrical Component List
4WD Fuse - 4.3L
RR WPR, FRT WPR and ABS Fuses
Ign ACC, RUN and RAP Bus Bar
Figure 28:

4WD Fuse - 4.3L


Object Number: 754463  Size: FS
Master Electrical Component List
HVAC and CRUISE Fuses
HVAC I Fuse
Ign ACC, RUN and RAP Bus Bar
Figure 29:

HVAC and CRUISE Fuses


Object Number: 996691  Size: FS
Master Electrical Component List
VECHMSL,TRCHMSL Fuses,CHMSL RLY
4WD Fuse - 4.3L
Ign ACC, RUN and RAP Bus Bar
Figure 30:

VECHMSL, TRCHMSL Fuses and CHMSL Relay


Object Number: 1509148  Size: FS
Master Electrical Component List
RT TURN, RT TRN and TRR TRN Fuses
HVAC and CRUISE Fuses
Figure 31:

LT TURN, LT TRN and TRL TRN Fuses


Object Number: 1509157  Size: FS
Master Electrical Component List
RT TURN, RT TRN and TRR TRN Fuses