GM Service Manual Online
For 1990-2009 cars only
Makes
🢒
Chevrolet
🢒
2005
🢒
Blazer - 4WD
🢒
Body
🢒
Stationary Windows
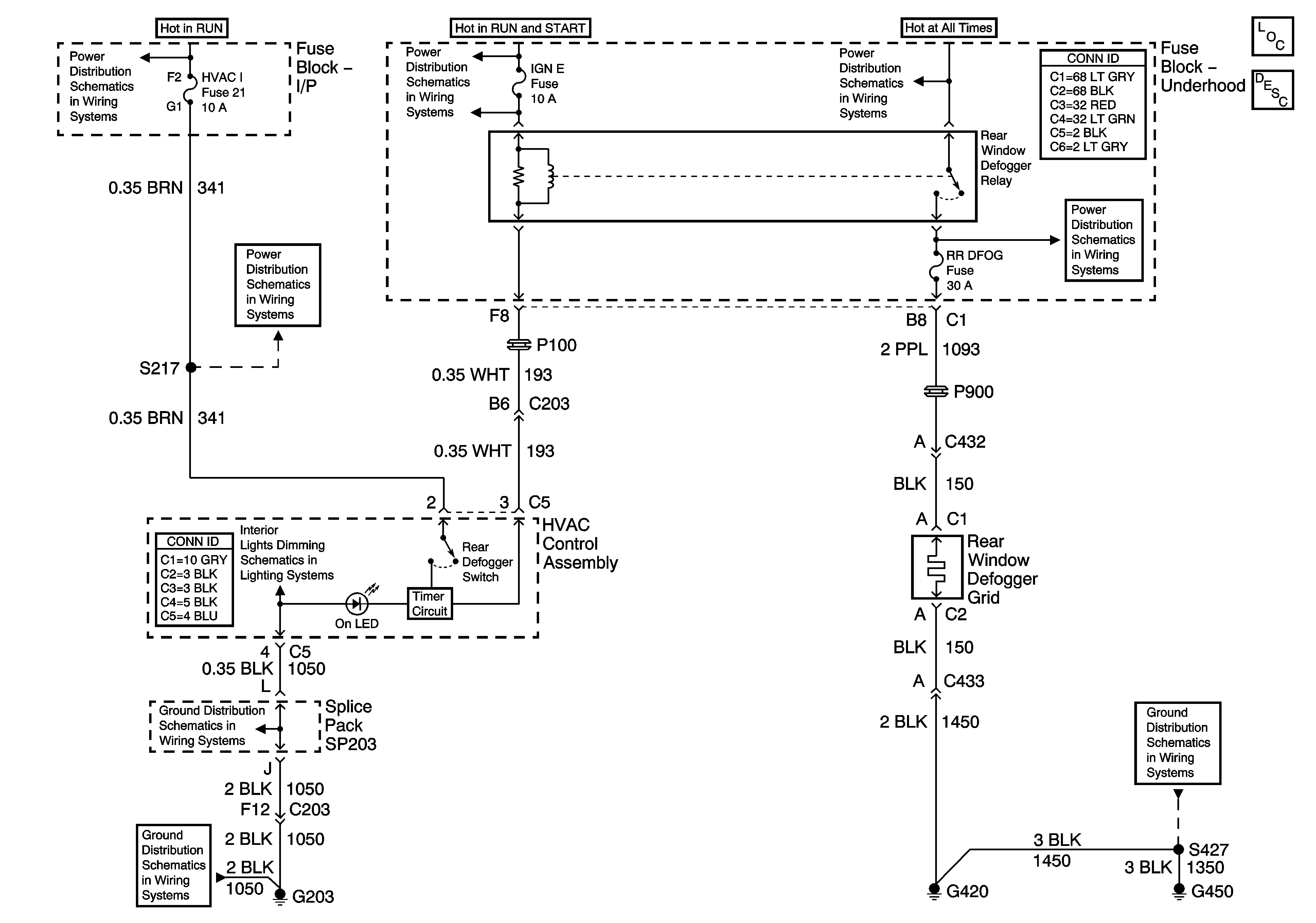
🢒 Defogger Schematics
Master Electrical Component List
Rear Window Defogger Description and Operation
Ign ACC, RUN and RAP Bus Bar
HVAC I Fuse
ILLUM Fuse 12
G203 and G204 - Utility w/Manual A/C
G420, G450 and S427
IGN E Fuse and A/C Compressor Clutch, Rear Window Defogger Relays
B+ Bus Bar
ECM B, HORN, RR DEFOG, HTD MIR Fuses and Fuel Pump, Horn, Rear Window Defogger Relays