GM Service Manual Online
For 1990-2009 cars only
Makes
🢒
Chevrolet
🢒
2005
🢒
Blazer - 4WD
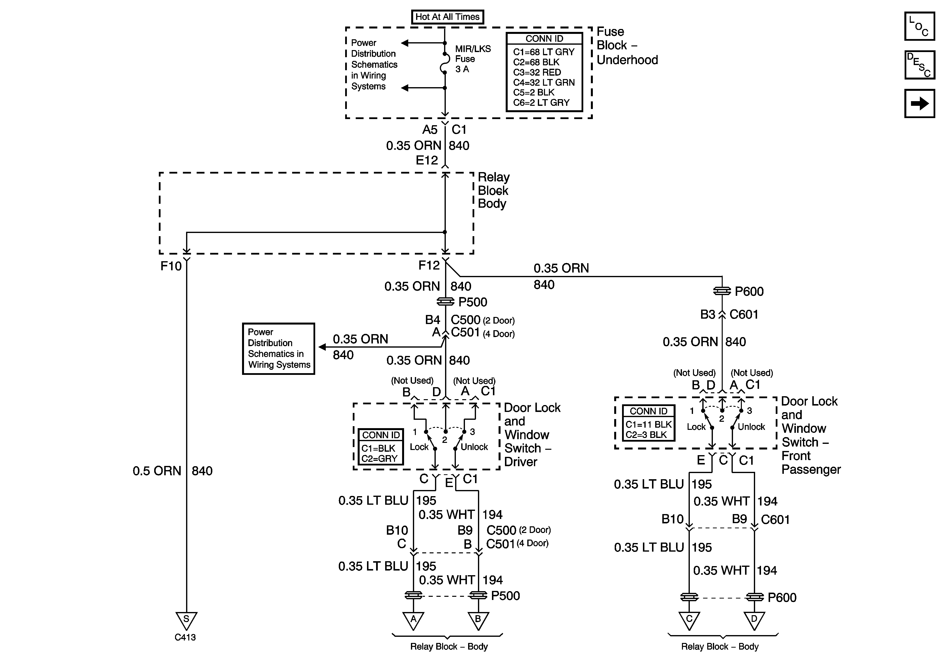
🢒 Door Lock Switch Inputs
Door Lock Switch Inputs
Door Lock Switch Inputs
Master Electrical Component List
Power Door Locks Description and Operation
Endgate Lock Cylinder Switch Inputs - Utility
MIR/LKS, FOG LP Fuses and DRL, Headlamp Power Relays
Endgate Lock Cylinder Switch Inputs - Utility
MIR/LKS, FOG LP Fuses and DRL, Headlamp Power Relays
Relay Control