GM Service Manual Online
For 1990-2009 cars only
Makes
🢒
Chevrolet
🢒
2005
🢒
Blazer - 4WD
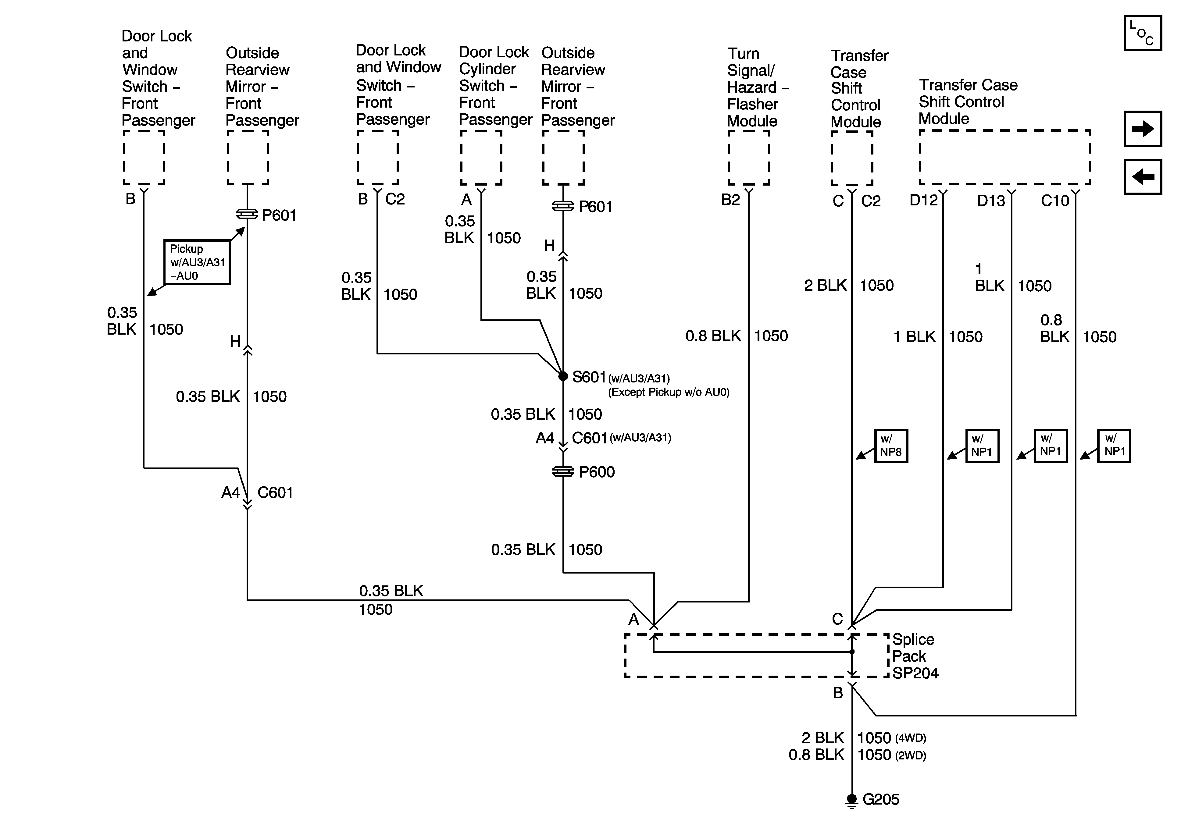
🢒 G205
G205
G205
Master Electrical Component List
S313 and S419
G203 and G204 - Utility w/Manual A/C