GM Service Manual Online
For 1990-2009 cars only
Makes
🢒
Chevrolet
🢒
2005
🢒
Blazer - 4WD
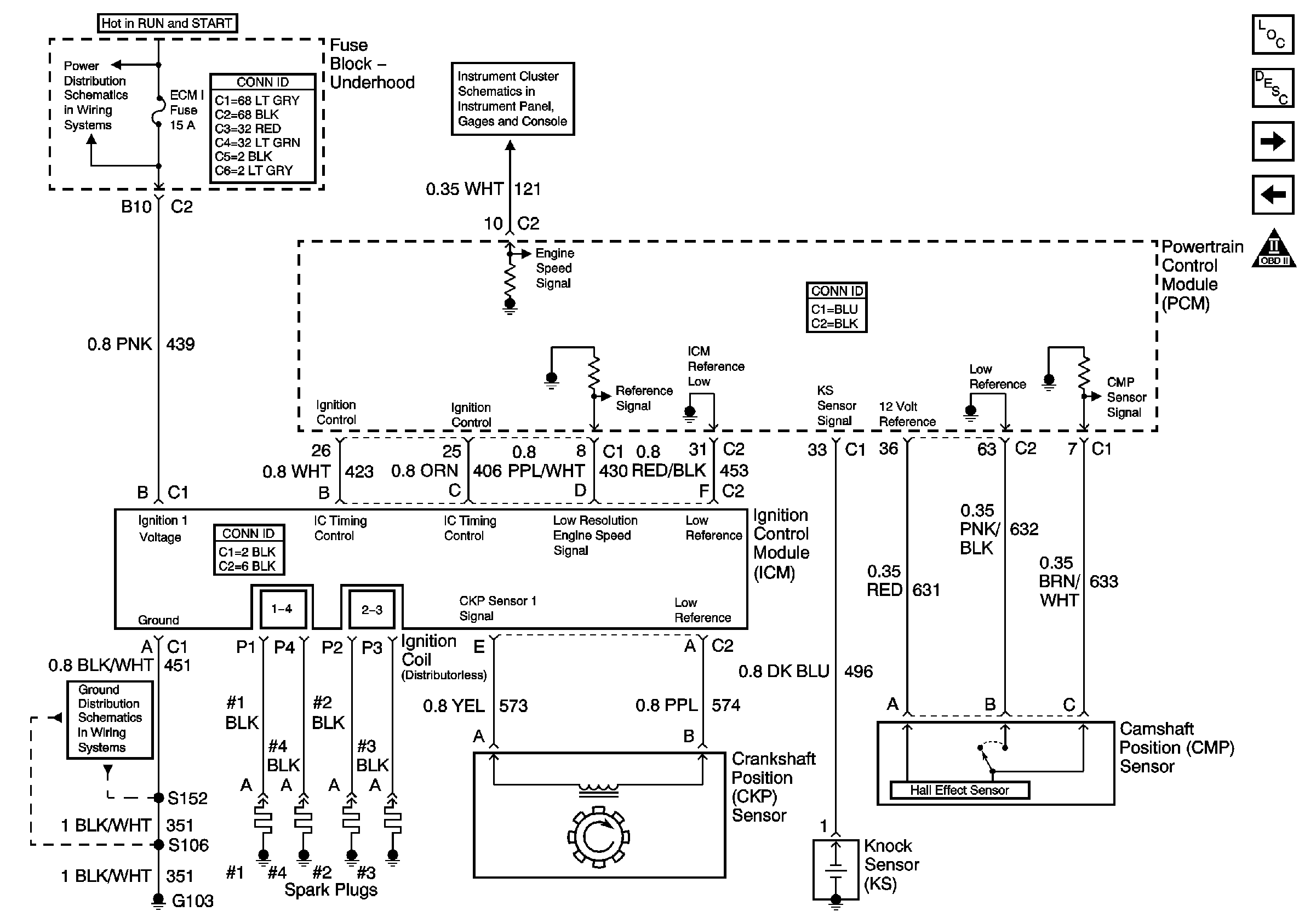
🢒 Ignition Controls
Ignition Controls
Ignition Controls
Master Electrical Component List
Electronic Ignition (EI) System Description
Fuel Injectors and Fuel Pump Controls
Oxygen Sensors
OBD II Symbol Description Notice
ECM I Fuse
Gages
G103 and G105 - 2.2L