GM Service Manual Online
For 1990-2009 cars only
Makes
🢒
Chevrolet
🢒
2005
🢒
Blazer - 4WD
🢒 Rear - Export
Rear - Export
Rear (Export)
Master Electrical Component List
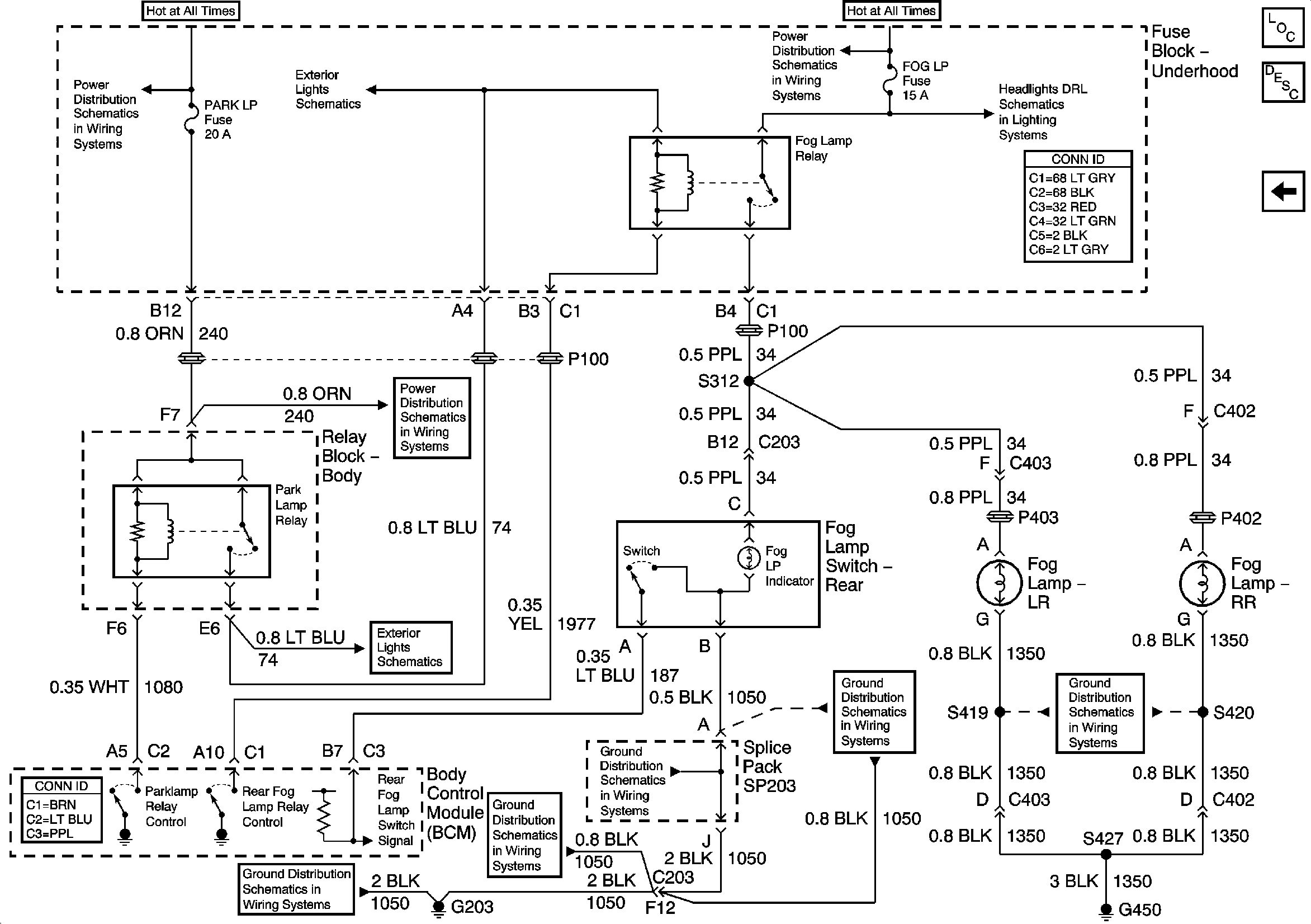
Exterior Lighting Systems Description and Operation
Front
B+ Bus Bar
Park/Turn Signal Lamps, Marker Lamps and Turn Signal Fuses, Front
B+ Bus Bar
DRL and Headlamp Power Relays
ILLUM, STG WHL ILLUM, and PARK LP Fuses
Park Lamp Control
G203 and G204 - Utility w/Manual A/C
G203 and G204 - Utility w/Manual A/C
G203 and G204 - Utility w/Manual A/C
G203 and G204 - Utility w/Manual A/C
S313 and S419