GM Service Manual Online
For 1990-2009 cars only
Makes
🢒
Chevrolet
🢒
2000
🢒
Blazer - 4WD - RHD
🢒
HVAC
🢒
HVAC Systems - Automatic
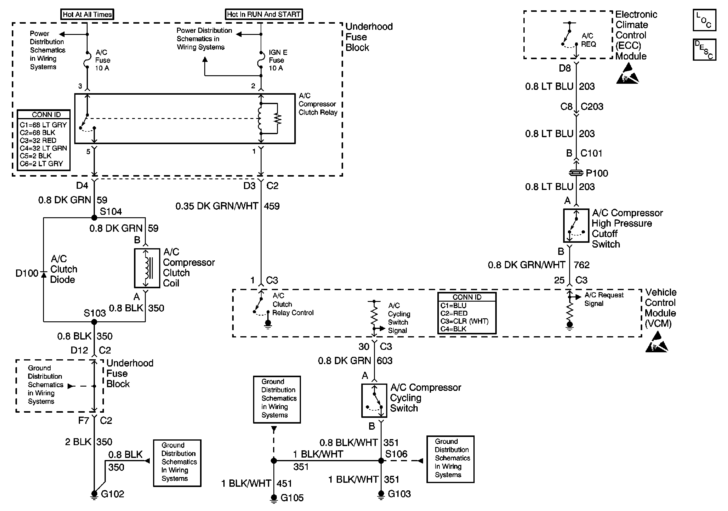
🢒 HVAC Compressor Control Schematics
HVAC Components
HVAC Compressor Controls Circuit Description
A/C, ABS, ECM B, FOG LP, STOP LP, VECHMSL, and TRCHMSL Fuses
IGN E, GAUGES, and SIR Fuses
Power and Grounding Connector End Views
VCM Connector End Views
G102
G102
G103 and G105
G103 and G105
Handling ESD Sensitive Parts Notice
Handling ESD Sensitive Parts Notice