GM Service Manual Online
For 1990-2009 cars only
Makes
🢒
Chevrolet
🢒
2000
🢒
Blazer - 4WD - RHD
🢒
Body and Accessories
🢒
Horns
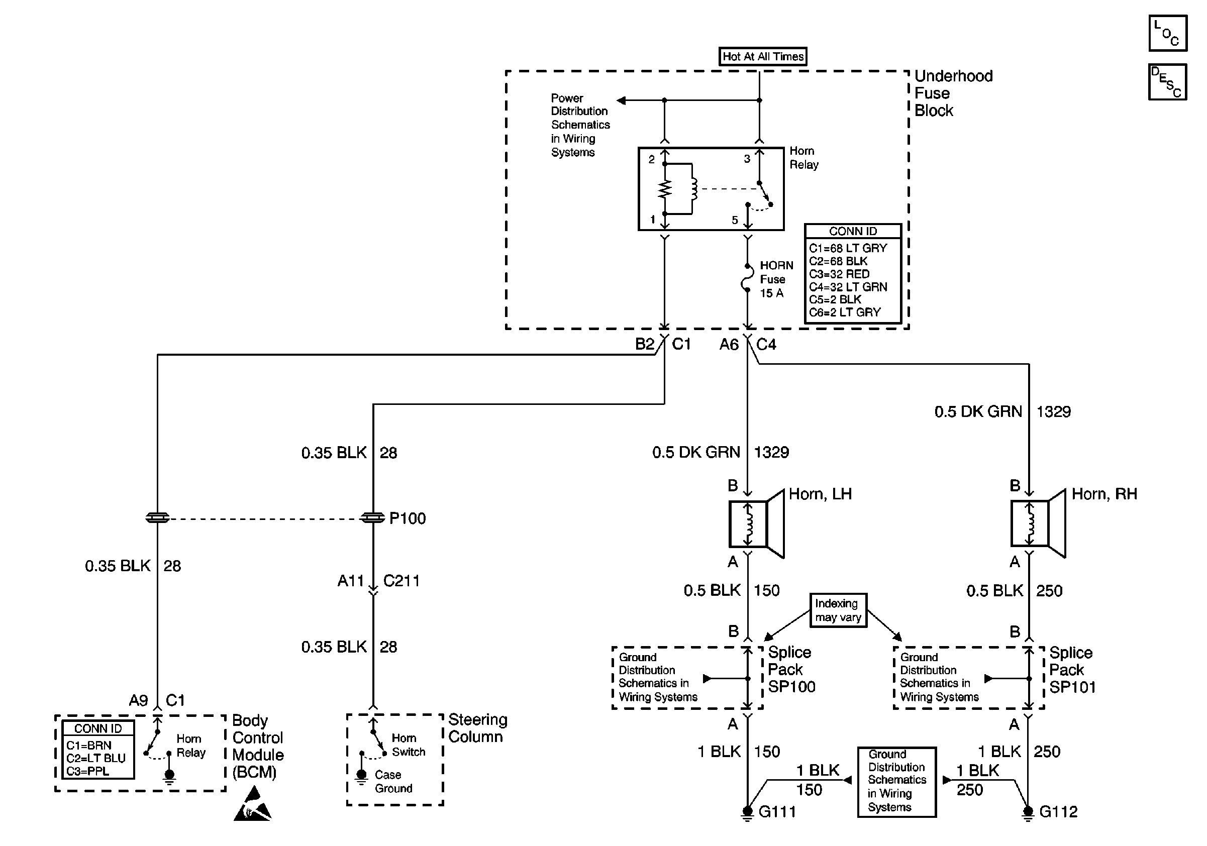
🢒 Horn Schematics
Horns Components
Horns Circuit Description
B+ Bus Bar
Power and Grounding Connector End Views
Body Control System Connector End Views
Handling ESD Sensitive Parts Notice
G111 and G112
G111 and G112
G111 and G112