GM Service Manual Online
For 1990-2009 cars only
Makes
🢒
Chevrolet
🢒
2000
🢒
Blazer - 4WD - RHD
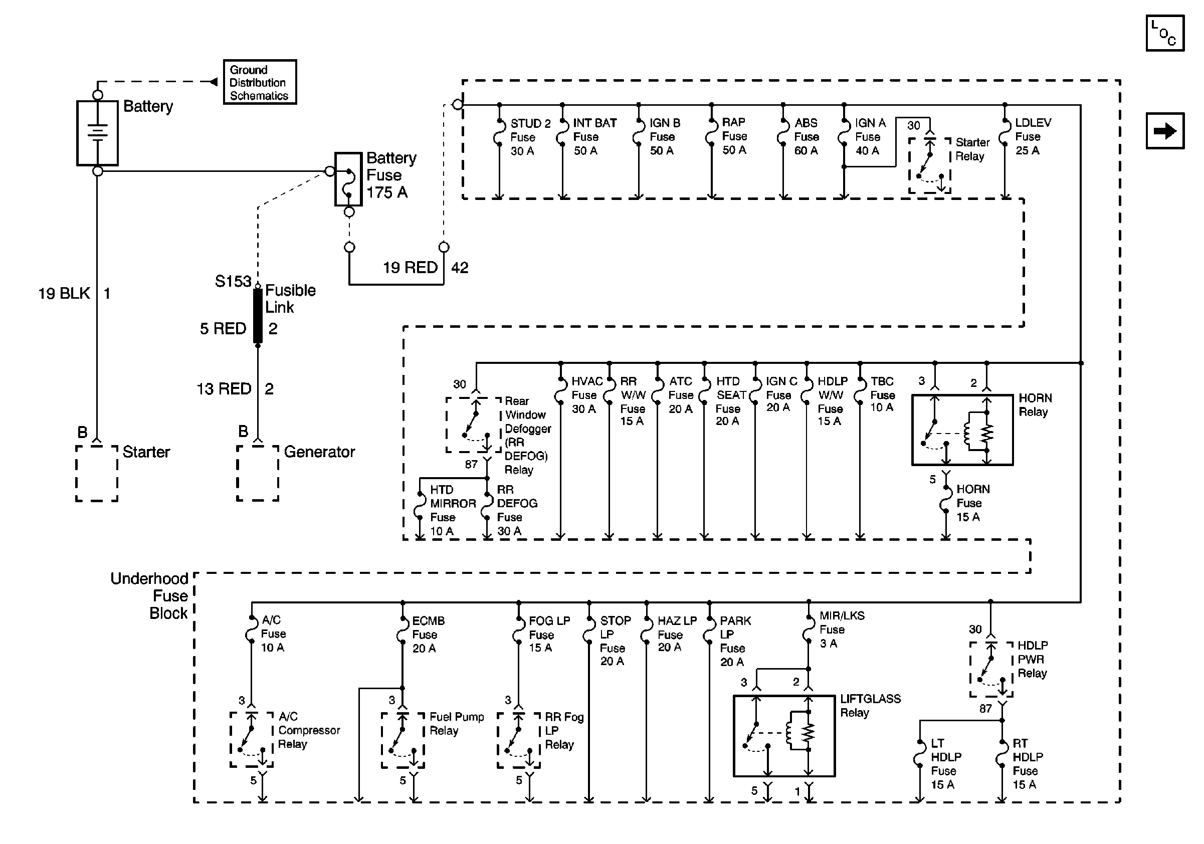
🢒 B+ Bus Bar
B+ Bus Bar
B+ Bus Bar
Power and Grounding Components
Ign START, RUN and ACC Bus Bar
G104, G106, G107, G108 and G118