GM Service Manual Online
For 1990-2009 cars only
Makes
🢒
Chevrolet
🢒
2000
🢒
Blazer - 4WD - RHD
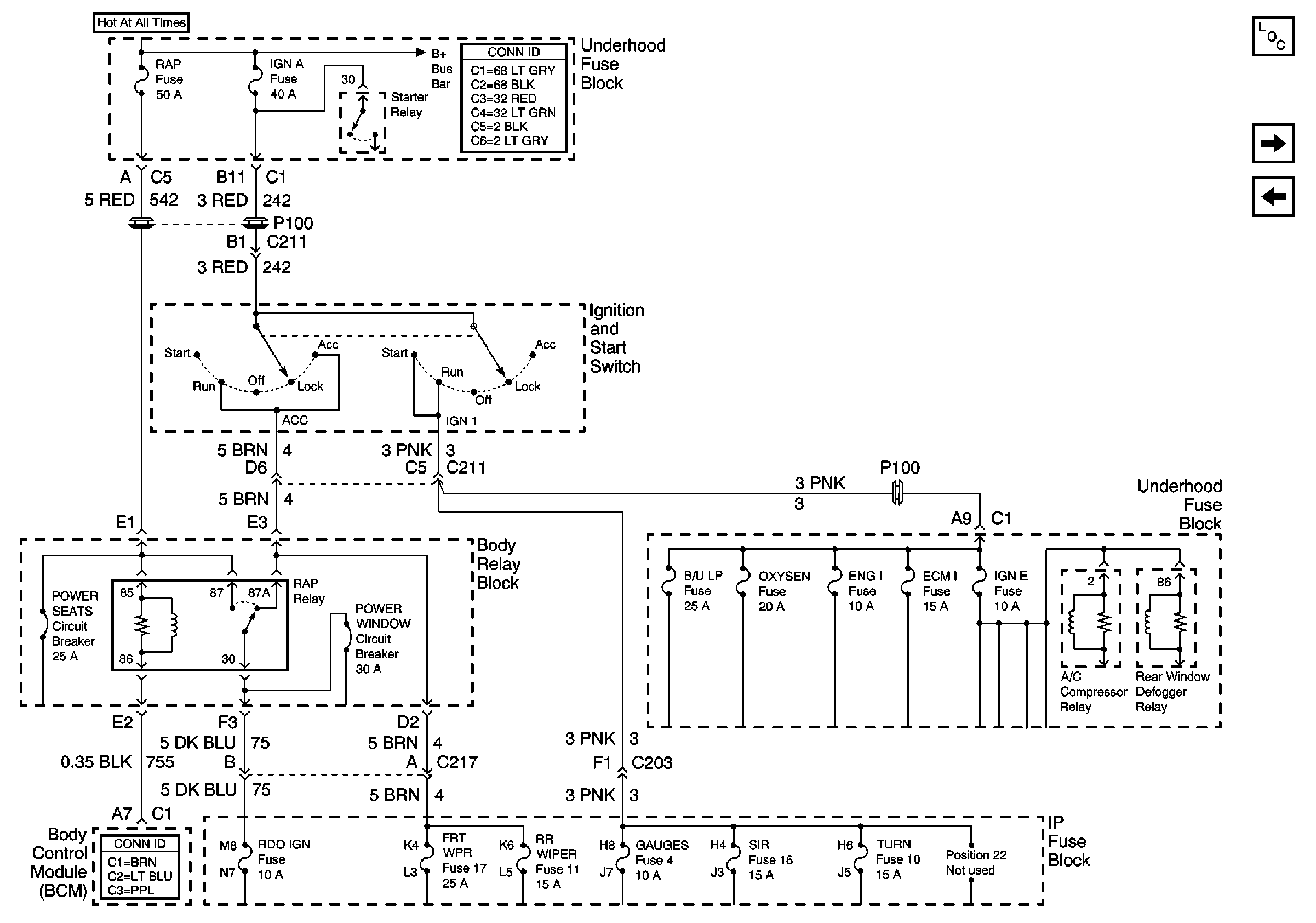
🢒 Ign START, RUN and ACC Bus Bar
Ign START, RUN and ACC Bus Bar
Ign START, RUN and ACC Bus Bar
Power and Grounding Components
Ign RUN and START Bus Bar
B+ Bus Bar
B+ Bus Bar
Power and Grounding Connector End Views
Body Control System Connector End Views