GM Service Manual Online
For 1990-2009 cars only
Makes
🢒
Chevrolet
🢒
2000
🢒
Blazer - 4WD - RHD
🢒
Body and Accessories
🢒
Seats
🢒 Heated Seats Schematics
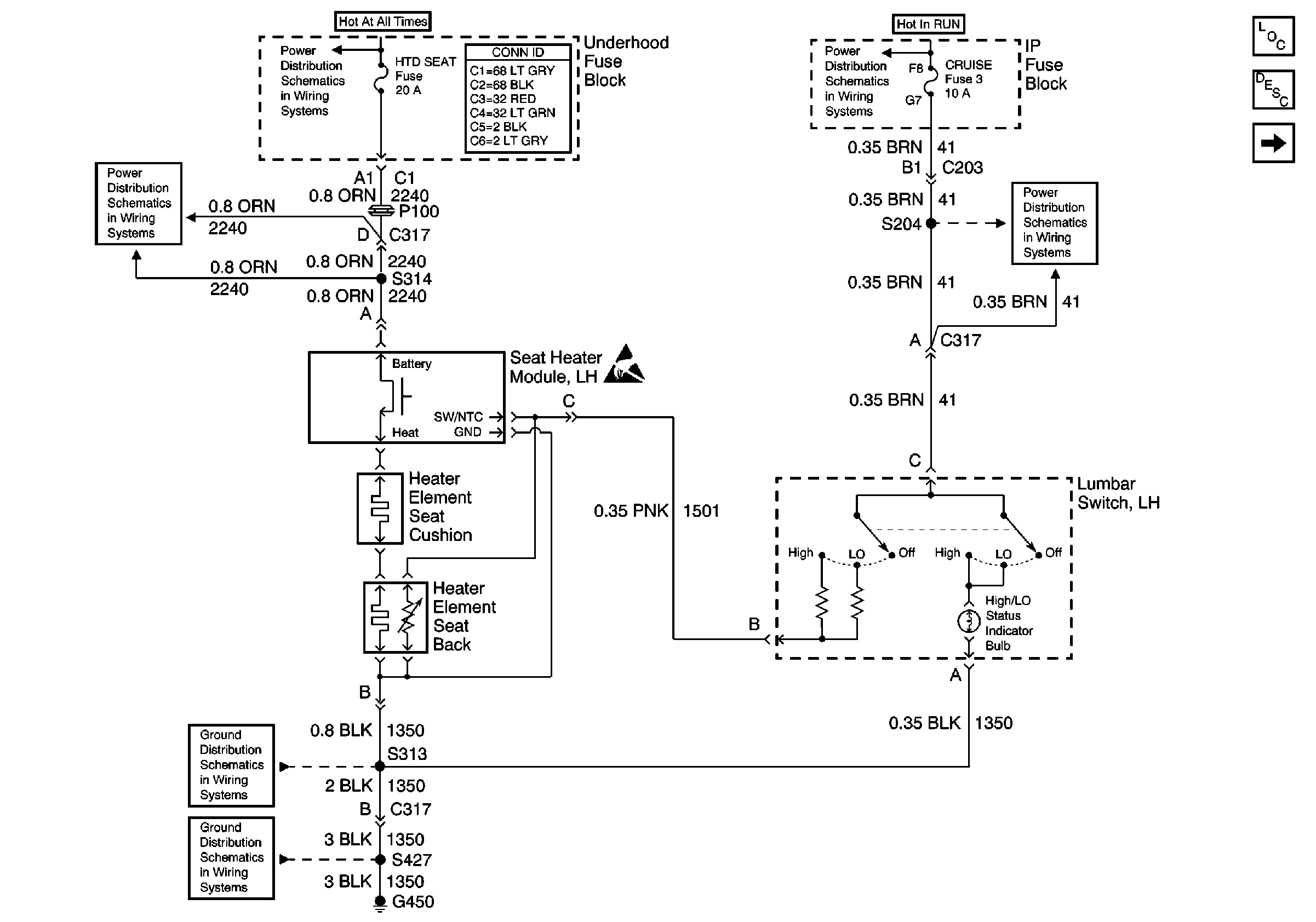
Figure
1:
Seat Heater Module and Lumbar Switch (W/ Heat) (LH)
Power Seat Systems Components
Heated Seats Circuit Description
Seat Heater Module and Lumbar Switch (W/ Heat) (RH)
HVAC, RR W/W, ATC, HTD SEAT, RR DEFOG and HTD MIR Fuses
HVAC, RR W/W, ATC, HTD SEAT, RR DEFOG and HTD MIR Fuses
Power and Grounding Connector End Views
Handling ESD Sensitive Parts Notice
S313 and S419
G450
RDO IGN, FRT WPR, RR WIPER, ABS, CRUISE, and W/W PUMP Fuses
RDO IGN, FRT WPR, RR WIPER, ABS, CRUISE, and W/W PUMP Fuses
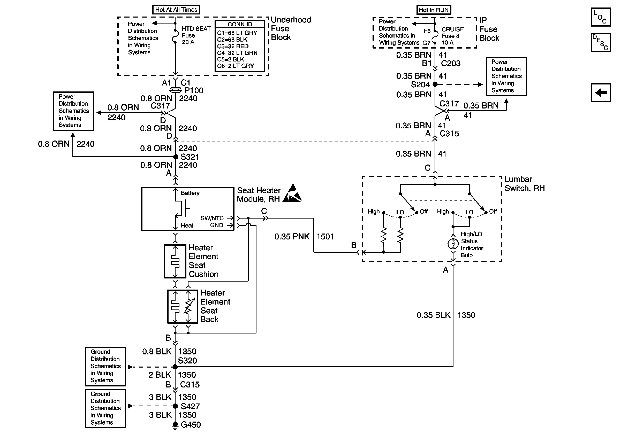
Figure
2:
Seat Heater Module and Lumbar Switch (W/ Heat) (RH)
Power Seat Systems Components
Heated Seats Circuit Description
Seat Heater Module and Lumbar Switch (W/ Heat) (LH)
HVAC, RR W/W, ATC, HTD SEAT, RR DEFOG and HTD MIR Fuses
Power and Grounding Connector End Views
RDO IGN, FRT WPR, RR WIPER, ABS, CRUISE, and W/W PUMP Fuses
RDO IGN, FRT WPR, RR WIPER, ABS, CRUISE, and W/W PUMP Fuses
HVAC, RR W/W, ATC, HTD SEAT, RR DEFOG and HTD MIR Fuses
Handling ESD Sensitive Parts Notice
S320 and S420
G450