GM Service Manual Online
For 1990-2009 cars only
Makes
🢒
Chevrolet
🢒
2000
🢒
Blazer - 4WD - RHD
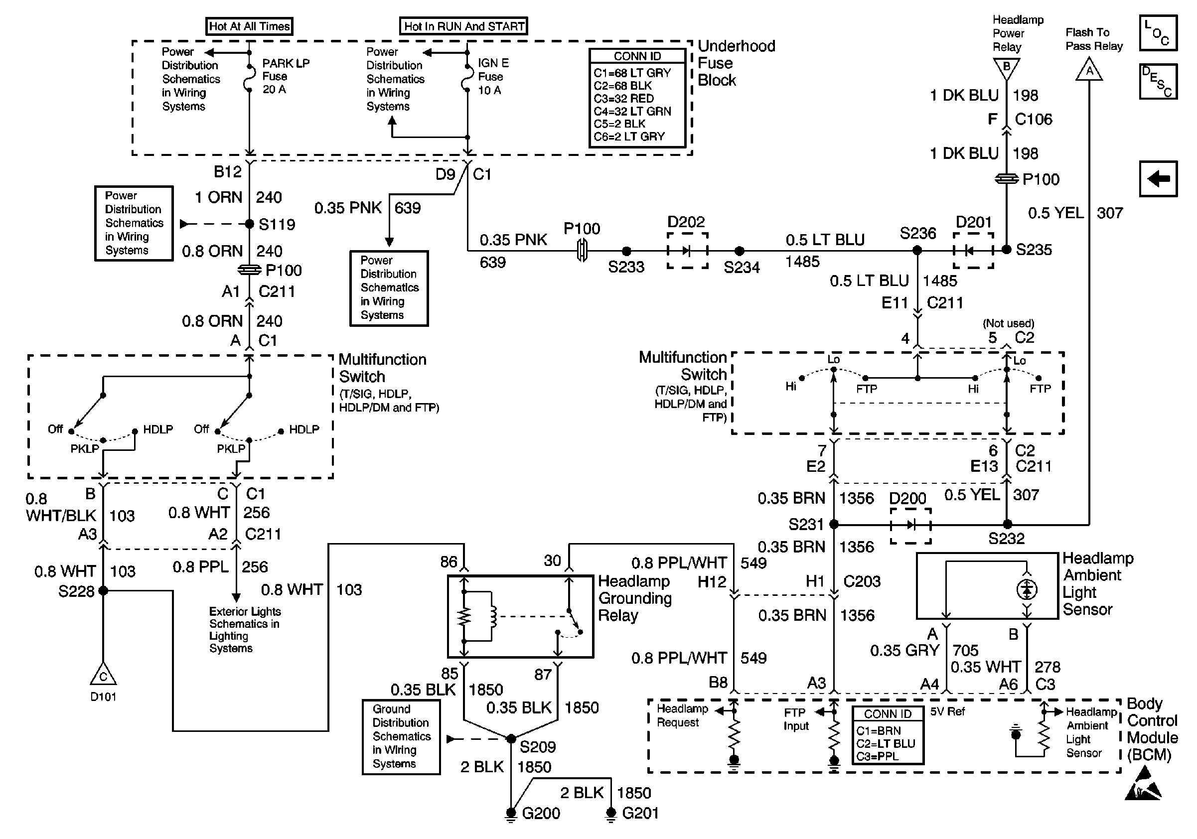
🢒 Power, Headlamp Switch, and Multifunction Switch
Power, Headlamp Switch, and Multifunction Switch
Power, Headlamp Switch, and Multifunction Switch
Lighting Systems Component Views
Headlights Circuit Description
Power, Flash To Pass, and BCM
B+ Bus Bar
IGN E, GAUGES, and SIR Fuses
Power and Grounding Connector End Views
Power, Flash To Pass, and BCM
PARK LP, FR PRK, LR PRK, RR PRK, and TRL PRK Fuses
IGN E, GAUGES, and SIR Fuses
Power, Flash To Pass, and BCM
Power and Headlamp Switch
G200 and G201
Body Control System Connector End Views
Handling ESD Sensitive Parts Notice